Запчасти Case IH 1494 (4-066) - STARTER AND SWITCHES (04) - ELECTRICAL SYSTEMS

Схема запчастей Case IH 1494 - (4-066) - STARTER AND SWITCHES (04) - ELECTRICAL SYSTEMS
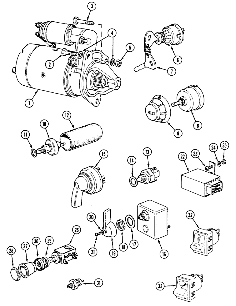
30
29
27
25
31
1
13
21
7
2
11
15
8
10
26
19
17
16
32
4
9
33
18
23
24
22
3
14
5
28
6
20
12
FIT
1:1
100%

Артикул

Название

Примечание

Количество

1

REF

INSTRUCTION

STARTER, Lucas 26379A, See Figure 4-070

1шт.

1

REF

INSTRUCTION

STARTER, Lucas 27528, See Figure 4-072

1шт.

2

K600410

BOLT

3/8 UNC x 2-1/4 inch

2шт.

3

K600414

BOLT

3/8 UNC x 2-3/4, power shift

1шт.

4

492-11038

LOCK WASHER,3/8"

3шт.

5

280136

NUT,3/8"-16, G8

1шт.

6

3107556R92

SWITCH ASSY

SWITCH ASSEMBLY ignition, Includes: two keys, Lucas 54033688

1шт.

7

K962338

KEY

KEY ignition switch, set of two

1шт.

8

1502378C1

LIGHT SWITCH

SWITCH lamps and horn

1шт.

9

1502379C1

KNOB

lamps and horn

1шт.

10

K311686

SWITCH, PRESSURE

SWITCH oil pressure, AC-Delco 7994092, Replaces: K903851

1шт.

11

K626521

SEALING WASHER

WASHER sealing, 3/8 inch, 10 mm

1шт.

12

K207554

COVER

oil pressure switch

1шт.

13

K262714

SWITCH

starter safety

1шт.

14

K626895

SHIM,.002" Thk

(0.05 mm) .002" Thk

1шт.

14

K626858

SHIM,.005" Thk

(0.13 mm) .005" Thk

1шт.

14

K626894

SHIM,.010" Thk

(0.25 mm) .010" Thk

1шт.

15

K300781

FLASHER SWITCH

SWITCH direction indicator, without cab, Not North America, Includes: Ref. 17 - 21

1шт.

16

K301091

SWITCH

direction indicators, with flasher, North America only, Includes: Ref. 17 - 21

1шт.

17

NSS

NOT SOLD SEPARAT

WASHER special

1шт.

18

NSS

NOT SOLD SEPARAT

NUT special

1шт.

19

NSS

NOT SOLD SEPARAT

KNOB

1шт.

20

NSS

NOT SOLD SEPARAT

WASHER special

1шт.

21

NSS

NOT SOLD SEPARAT

SCREW

1шт.

22

1536092C1

FLASHER UNIT

1шт.

23

K603925

SCREW,Pan, 1/4" - 20 x 5/8"

1/4 UNC x 5/8 inch

1шт.

24

K626341

SPRING WASHER

WASHER lock, 1/4 inch

1шт.

25

425-104

NUT,1/4"-20, Cl 5

hex, 1/4 inch NC

1шт.

26

3118917R92

FLASHER SWITCH

SWITCH hazard warning, Includes: Ref. 27 - 30

1шт.

27

K964913

KNOB

control

1шт.

28

K964914

LENS

switch

1шт.

29

K950592

WASHER

switch

1шт.

30

K950593

COVER

MOUNTING rubber, switch

1шт.

31

K206667

RESTRICTION SWITCH

SWITCH vacuum, air cleaner, Replaces: K206667, Includes: bulb

1шт.

32

REF

INSTRUCTION

SWITCH rear flood lamp, with cab, Includes: bulb

1шт.

K950567

BULB

switch, 12 volt, 12 watt

1шт.

33

245911C1

TOGGLE SWITCH

SWITCH windscrren wiper, washer, Includes: bulb

1шт.

K950567

BULB

switch, 12 volt, 12 watt

1шт.

Выбрано товаров: 38