Запчасти Case IH 1494 (5-114) - STEERING COLUMN AND VALVE, POWER STEERING, TRACTORS WITH CAB (05) - STEERING

Схема запчастей Case IH 1494 - (5-114) - STEERING COLUMN AND VALVE, POWER STEERING, TRACTORS WITH CAB (05) - STEERING
22
28
31
24
29
14
9
17
5
21
3
1
15
26
8
20
23
4
30
27
16
2
13
18
6
19
11
25
7
12
FIT
1:1
100%

Артикул

Название

Примечание

Количество

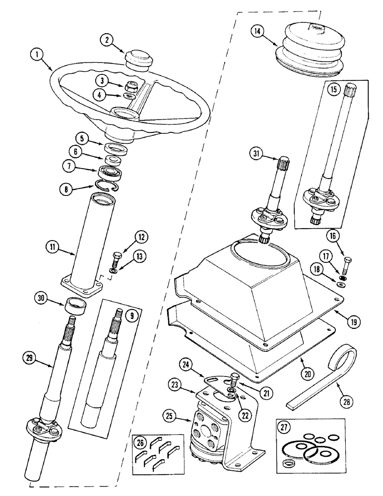
1

K949446

HANDWHEEL

WHEEL steering

1шт.

2

K262737

CAP

hub, order also K691286

1шт.

3

231-1448

NUT,1/2"-13, GB

hex, self locking, 1/2 inch NC

1шт.

4

K626686

WASHER

flat, 1/2 inch, 13 mm

1шт.

5

K623479

WASHER

felt, 1/2 inch, 13 mm ID

1шт.

6

K627103

BUSHING

SPACER bearing

1шт.

7

465004R91

BEARING ASSY,0.6693" ID x 1.5748" OD x 0.4724"

disc

1шт.

8

K11911

RING, SNAP

RING snap, 1-5/8 inch, 41 mm, internal

2шт.

9

K307289

SHAFT

steering wheel

1шт.

11

K307276

FLANGE

COLUMN steering

1шт.

12

513-2704

BOLT

M10 x 22 mm

4шт.

13

892-11010

LOCK WASHER,M10

4шт.

14

K307333

BELLOWS

COVER coupling

1шт.

15

K310452

COUPLING, BREAK AWAY

COUPLING, prior to P.I.N. 11515716, order also K314253

1шт.

16

K650814

BOLT

M6 x 30 mm

4шт.

17

892-11006

LOCK WASHER,M6

WASHER, LOCK, M6

4шт.

18

K651903

WASHER

special, 6 mm

3шт.

19

K307857

COVER

insulating

1шт.

20

K307714

COVER

steering valve

1шт.

21

413-614

BOLT,Hex, 3/8" - 16 x 7/8", Gr 5

6шт.

22

492-11038

LOCK WASHER,3/8"

6шт.

23

K307411

SUPPORT

BRACKET steering, valve

1шт.

24

K307274

WASHER

PLATE retaining

1шт.

25

K207419

VALVE

ASSEMBLY steering, Includes: Ref. 26 & 27

1шт.

26

1272809C1

PACKAGE

KIT spring, set of four, Includes: ring

1шт.

K964156

RING

retaining

6шт.

27

1500443C91

SEAL KIT

KIT service

1шт.

28

K777030

FOAM

STRIP sealing, 8 x 15 mm

1шт.

29

K310453

SHAFT

COUPLING AND SPINDLE, upper, P.I.N. 11515716 and after

1шт.

30

K655460

BUSHING

column, P.I.N. 11515716 and after

1шт.

31

K310452

COUPLING, BREAK AWAY

COUPLING AND SPINDLE, lower, P.I.N. 11515716 and after

1шт.

Выбрано товаров: 31