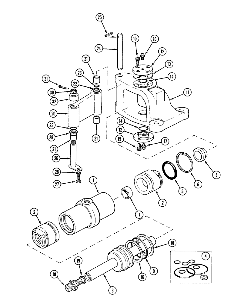
Запчасти Case IH 1494 (5-124) - TRANSVERSE STEERING CYLINDER, TWO WHEEL DRIVE TRACTORS (05) - STEERING

Схема запчастей Case IH 1494 - (5-124) - TRANSVERSE STEERING CYLINDER, TWO WHEEL DRIVE TRACTORS (05) - STEERING
3
5
17
20
2
10
19
12
4
15
21
21
22
6
24
31
1
2
13
32
14
11
8
27
10
23
14
23
30
15
21
26
16
7
29
25
12
9
18
28
FIT
1:1
100%

Артикул

Название

Примечание

Количество

K207771

CYLINDER

ASSEMBLY steering, Includes: Ref. 1 - 10

1шт.

1

K948602

TUBE

CASE steering cylinder

1шт.

2

K207730

SLEEVE

2шт.

3

K205660

ROD

PISTON AND ROD

1шт.

4

K261929

SEAL KIT

KIT seal, steering cylinder, order components, Includes: Ref. 5 - 10

1шт.

5

K628886

O-RING

2-3/8 inch, 60 mm ID

2шт.

6

K24302

RING, SNAP

RING snap, 2-3/4 inch, 70 mm internal

2шт.

7

K628133

SEAL

oil, 1-1/8 inch, 29 mm ID

2шт.

8

K623458

WIPER SEAL

SEAL wiper, 1-1/8 inch, 29 mm ID

2шт.

9

K628886

O-RING

2-3/8 inch, 60 mm ID

1шт.

10

K628064

WASHER,60.33mm ID x 69.85mm OD x 1.83mm Thk

RING back-up, 2-3/8 inch, 60 mm ID

2шт.

11

K948584

FORK

anchor

1шт.

12

K948604

PIN

PEG ball

2шт.

13

K945890

SHIM

0.002 inch, 0.05 mm

1шт.

13

K945891

SHIM

0.005 inch, 0.13 mm

1шт.

13

K955215

SHIM,.010" Thk

(0.25 mm) .010" Thk

1шт.

13

K955216

SHIM,.020" Thk

(0.51 mm) .020" Thk

1шт.

14

K623660

RING,21.97mm ID x 29.23mm OD x 3.63mm Thk

sealing, 7/8 inch, 22 mm ID

2шт.

15

K616717

SCREW

5/16 inch UNF

4шт.

16

K948621

VALVE

relief, 1/8 inch BSP

1шт.

17

219-1

LUBE NIPPLE,1/8" - 27 NPTF

FITTING grease, straight, 1/8 PT x 21/32 inch

1шт.

18

K626095

FITTING

UNION, 3/4 inch UNF

2шт.

19

K948565

WASHER

spacing, 0.185 inch, 4.70 mm

1шт.

19

K948566

WASHER

spacing, 0.189 inch, 4.80 mm

1шт.

19

K948567

WASHER

spacing, 0.195 inch, 5.00 mm

1шт.

19

K948643

WASHER

spacing, 0.201 inch, 5.10 mm

1шт.

20

K948540

LINK

pivot, Includes: Ref. 21

1шт.

21

K628741

BUSHING

link

4шт.

22

238-6114

O-RING,0.103" Thk x 0.612" ID, -114, Cl 6, 90 Duro

2шт.

23

238-5016

O-RING,0.07" Thk x 0.614" ID, -16, Cl 5, 75 Duro

-016, 70 Duro, .614" ID x .070" Thk

4шт.

24

K948542

PIVOT PIN

PIN pivot

1шт.

25

K690732

SPRING

PIN, 3/16 x 1-3/4 inch

1шт.

26

K948543

PIN

pivot

1шт.

27

413-510

BOLT,Hex, 5/16" - 18 x 5/8", Gr 5

- hex, 5/16 NC x 5/8 inch

1шт.

28

K19481

SPRING WASHER

WASHER lock, 5/16 inch, order 492-11031

1шт.

29

K626921

WASHER

5/8 inch, 16 mm, special

2шт.

30

25-198

SLOTTED NUT,1/2"-20, G5, Thk

NUT, 1/2 inch UNF

1шт.

31

K19537

PIN

cotter, 1/8 x 1-1/8 inch, order 32-822

1шт.

32

K205429

BUSHING

SPACER pivot pin

1шт.

Выбрано товаров: 39