Запчасти Case IH 1494 (5-136) - FRONT AXLE, MFD TRACTORS, PRIOR TO P.I.N. 11518001 (05) - STEERING

Схема запчастей Case IH 1494 - (5-136) - FRONT AXLE, MFD TRACTORS, PRIOR TO P.I.N. 11518001 (05) - STEERING
42
33
14
8
34
20
15
37
13
11
16
39
17
32
1
18
19
2
17
39
9
19
20
33
44
17
7
35
30
5
10
32
2
3
6
30
32
38
18
40
4
45
41
38
40
43
22
36
31
46
12
FIT
1:1
100%

Артикул

Название

Примечание

Количество

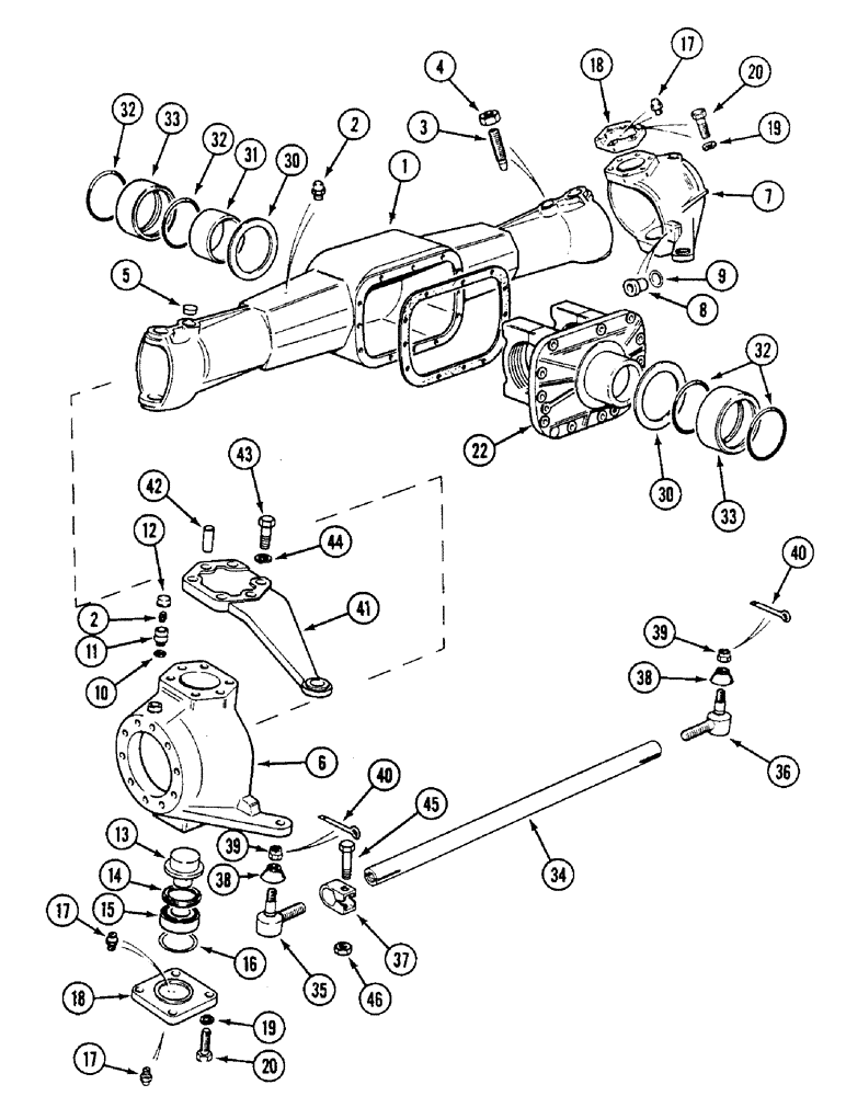
1

K965230

AXLE

HOUSING axle, Carraro 102177

1шт.

2

1966149C1

BREATHER

axle housing, Carraro 104988

3шт.

3

K965232

BOLT,M10 x 1.25 x 35mm, Cl 10.9

SCREW bearing locating

4шт.

4

825-1414

NUT,M14, Cl 8

hex, 14 mm

4шт.

5

K260135

PLUG

axle housing, Carraro 107811

4шт.

6

K262021

HOUSING

stub axle, left hand, Carraro 118087

1шт.

7

K262020

HOUSING

stub axle, right hand, Carraro 118086

1шт.

8

K260775

STOP

axle, Carraro 11034

2шт.

9

K965261

SHIM

1.0 mm, Carraro 101035

1шт.

9

K965261

SHIM

1.0 mm, Carraro 101035

1шт.

10

3051337R1

SEALING RING,M18 x 24mm OD x 1.5mm Thk

Carraro 23268 M18 x 24 x 1.5

2шт.

11

K260137

BLEEDER

RETAINER breather, Carraro 107610

2шт.

12

K956999

PLUG

COVER

2шт.

13

K965239

PIN

bearing, Carraro 96851

2шт.

14

K965240

BEARING COVER

SEAL bearing, Carraro 88987

2шт.

15

905845R91

TAPERED BEARING,25mm ID x 62mm OD x 25.25mm W

CONE AND CUP ASSEMBLY

2шт.

16

K965243

SHIM,0.1mm Thk

(Carraro 91179) 0.1mm Thk

1шт.

16

K965244

SHIM,0.3mm Thk

(Carraro 91180) 0.3mm Thk

1шт.

16

K965245

SHIM,0.5mm Thk

(Carraro 91181) 0.5mm Thk

1шт.

17

321204

LUBE NIPPLE,M6 x 1.0 x 16mm OAL

NIPPLE, LUBE, , Carraro 24210 M6 x 1, 16mm lg

4шт.

18

K965242

COVER

bearing, Carraro 88721

3шт.

19

892-11014

LOCK WASHER,14.5mm ID x 24.1mm OD x 4.5mm Thk

WASHER - lock, 14 mm

12шт.

20

D150214

BOLT,Lock, Hex, M14 x 2 x 35mm, Cl 10.9

BOLT, special, Carraro 20967

12шт.

22

K965258

DIFFERENTIAL

HOUSING differential, See Figure 5-140

1шт.

30

K965264

WASHER

thrust, Carraro 83352

2шт.

31

K965266

BUSHING

SLEEVE bushing, Carraro 101565/1

1шт.

32

K965267

O-RING,0.07" Thk x 4.489" ID

RING sealing, Carraro 28103

4шт.

33

K965265

BUSHING

steel, Carraro 101575/1

2шт.

34

K205148

ROD

track, Carraro 114853

1шт.

35

K260250

BALL JOINT

ROD END track, left hand, Carraro 88759

1шт.

36

K260254

BALL JOINT

ROD END track, right hand, Carraro 87031

1шт.

37

N8904

CLAMP

track rod, Carraro 114840

2шт.

38

N260256

COVER rubber, Carraro 43962

2шт.

39

K956938

SLOTTED NUT

hex, Carraro 22357

2шт.

40

733-4032

COTTER PIN,M4 x 32

PIN, SPLIT (COTTER), (Carraro 25575) M4 x 32

2шт.

41

K260767

LEVER

ARM steering, Carraro 112038

1шт.

42

K965275

PIN

DOWEL locating, Carraro 93818

2шт.

43

N7552

BOLT,M14 x 50mm

BOLT steering lever, Carraro 21240

4шт.

44

892-11014

LOCK WASHER,14.5mm ID x 24.1mm OD x 4.5mm Thk

WASHER - lock, 14 mm

4шт.

45

N8905

BOLT

M16

2шт.

46

K260157

NUT

self-locking M16, 16, Carraro 22440

2шт.

Выбрано товаров: 0