Запчасти Case IH 1494 (5-140) - FRONT AXLE DIFFERENTIAL HOUSING, MFD TRACTORS, PRIOR TO P.I.N. 11518001 (05) - STEERING

Схема запчастей Case IH 1494 - (5-140) - FRONT AXLE DIFFERENTIAL HOUSING, MFD TRACTORS, PRIOR TO P.I.N. 11518001 (05) - STEERING
4
17
20
5
10
8
3
23
19
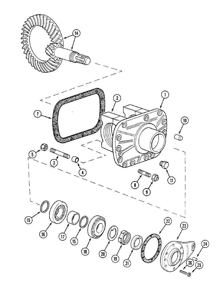
1
24
18
16
14
15
11
25
26
22
15
9
21
7
2
FIT
1:1
100%

Артикул

Название

Примечание

Количество

1

K965258

DIFFERENTIAL

HOUSING differential, Carraro 101426/2, Includes: Ref. 2 - 5

1шт.

2

NSS

NOT SOLD SEPARAT

CAP differential bearing

2шт.

3

K965257

STUD

M14, Carraro 95319

4шт.

4

1966136C1

BUSHING,15mm ID x 18mm OD x 12mm L

ring

4шт.

5

905873R1

NUT,M14 x 1.5, G8

NUT self-locking, M14

4шт.

7

K965251

GASKET

axle housing, Carraro 101989

1шт.

8

1966562C1

STUD

M12 x 50 mm

9шт.

9

905834R1

THIN NUT,M12 x 1.25, Thin

Hex M12 x 1.25, Thin

9шт.

10

1966138C1

DOWEL

PIN dowel, axle housing, Carraro 87660

1шт.

11

K965253

STUD

PLUG differential housing, Carraro 92269

2шт.

14

K261012

GEAR, BEVEL

SPIRAL GEAR AND PINION, 8/35 ratio, Carraro 65397

1шт.

15

K965280

SHIM,2.50mm Thk

(Carraro 98427) 2.50mm Thk

1шт.

15

K965282

SHIM,2.60mm Thk

(Carraro 98426) 2.60mm Thk

1шт.

15

K965284

SHIM,40.1mm ID x 50mm OD x 2.7mm Thk

(Carraro 98425) 2.70mm Thk

1шт.

15

K965286

SHIM,2.85mm Thk

(Carraro 98424) 2.80mm Thk

1шт.

15

K965288

SHIM,2.90mm Thk

(Carraro 98244) 2.90mm Thk

1шт.

15

K965290

SPACER

SHIM, 3.0 mm, Carraro 98239

1шт.

15

K965292

SHIM,3.10mm Thk

(Carraro 98240) 3.10mm Thk

1шт.

15

K965293

SHIM,3.15mm Thk

(Carraro 100163) 3.15mm Thk

1шт.

15

K965294

SHIM,3.20mm Thk

(Carraro 98241) 3.20mm Thk

1шт.

15

K965295

SHIM,3.25mm Thk

(Carraro 100164) 3.25mm Thk

1шт.

15

K965296

SHIM,3.30mm Thk

(Carraro 98242) 3.30mm Thk

1шт.

15

K965298

SHIM,3.40mm Thk

(Carraro 98243) 3.40mm Thk

1шт.

16

K965357

BEARING

pinion, Carraro 27406

1шт.

17

1349058C1

SPACER

order also washer 1349059C1

1шт.

18

1964249C1

TAPERED BEARING,40 mm ID x 90 mm OD x 25.25 mm

BEARING, Carraro 27337

1шт.

19

K261014

RING NUT,M40 x 1.5

RING nut

1шт.

20

K261065

LOCK WASHER

special

1шт.

21

K965361

OIL SEAL,35mm ID x 55mm OD x 10mm Thk

oil, Carraro 25372, prior to axle DB14/1440

1шт.

21

N8895

OIL SEAL

oil, Carraro 118674, axle DB14/1440 and after

1шт.

22

K965364

GASKET

Carraro 96932

1шт.

23

REF

INSTRUCTION

FLANGE, prior to axle DB14/1440, order K262148 and 1967604C1

1шт.

23

K262148

LEVER

FLANGE housing, Carraro 118402, axle DB14/1440 and after

1шт.

24

K260163

PIN

DOWEL locating, Carraro 79582

1шт.

25

K262032

X

NUT, M8, Carraro 22407

6шт.

26

K262031

STUD

M8, Carraro 111321

6шт.

Выбрано товаров: 36