Запчасти Case IH 1494 (5-146) - FRONT AXLE HALF-SHAFTS, MFD TRACTORS, PRIOR TO P.I.N. 11518001 (05) - STEERING

Схема запчастей Case IH 1494 - (5-146) - FRONT AXLE HALF-SHAFTS, MFD TRACTORS, PRIOR TO P.I.N. 11518001 (05) - STEERING
17
10
6
14
16
6
6
5
6
16
8
15
3
1
4
6
3
13
6
17
2
15
11
9
7
FIT
1:1
100%

Артикул

Название

Примечание

Количество

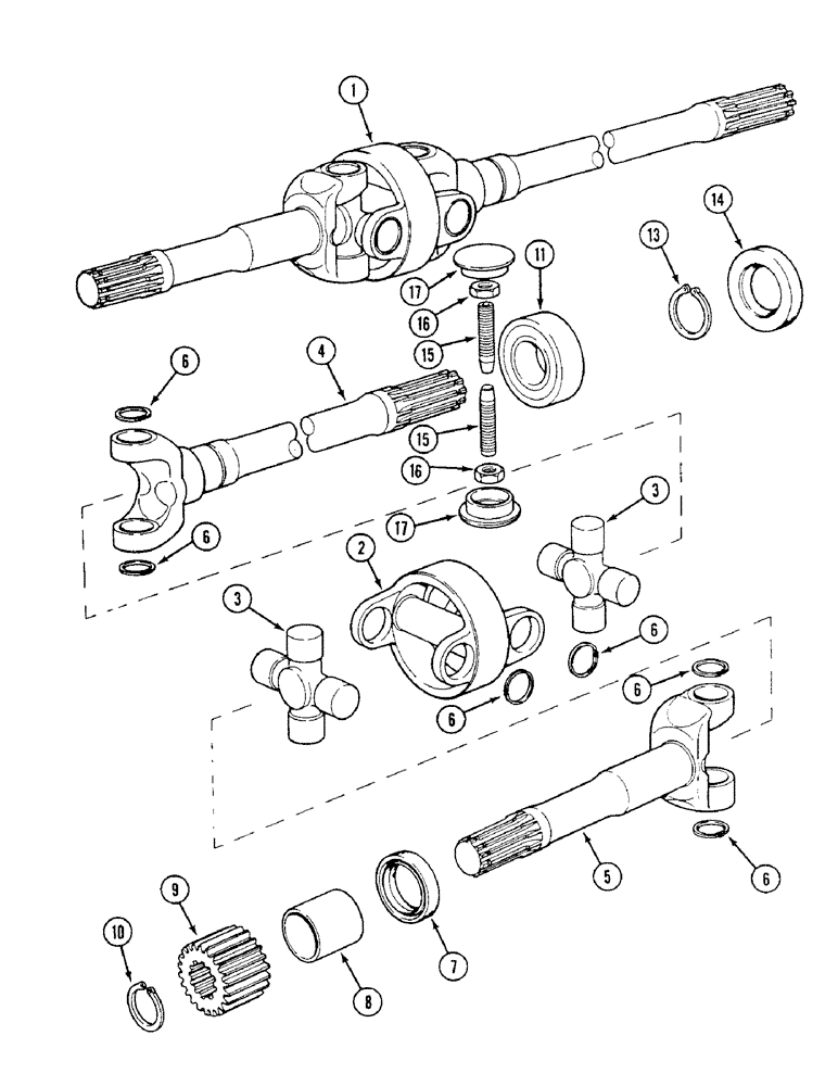
1

K965328

SHAFT

HALF-SHAFT ASSEMBLY, Carraro 102176, Includes: Ref. 2 - 6

1шт.

2

K965332

HOUSING

joint, Carraro 96868

1шт.

2

K260190

JOINT

HOUSING joint, vegetable special

1шт.

3

K965331

SPIDER

UNIVERSAL JOINT axle shaft, Carraro 96867

2шт.

4

K965329

DRIVE

HALF-SHAFT long, Carraro 102406

1шт.

5

K965330

SHAFT

WASHER, special, Carraro 96869

1шт.

6

K965336

RING, SNAP

RING snap, Carraro 40181

8шт.

7

N8892

SLEEVE

SEAL oil, prior to axle DB14/1440, order also N8897 sleeve

2шт.

7

N8897

OIL SEAL

SEAL oil, Carraro 118675, axle DB14/1440 and after

2шт.

8

K965322

BUSHING

shaft, Carraro 88674

2шт.

9

K965312

GEAR

drive, Carraro 88558

2шт.

10

800-1135

SNAP RING,M35, Ext

2шт.

11

K965333

BALL BEARING,40mm ID x 80mm OD x 23mm W

BEARING shaft, Carraro 26024

2шт.

13

800-1140

SNAP RING,M40, Ext

Carraro 24795 M40, Ext

2шт.

14

K965335

OIL SEAL,40mm ID x 72mm OD x 10mm Thk

oil, Carraro 25193

2шт.

15

K965232

BOLT,M10 x 1.25 x 35mm, Cl 10.9

SCREW bearing locating, Carraro 95952

4шт.

16

825-1414

NUT,M14, Cl 8

hex, 14 mm

4шт.

17

K260135

PLUG

axle housing, Carraro 107811

4шт.

Выбрано товаров: 18