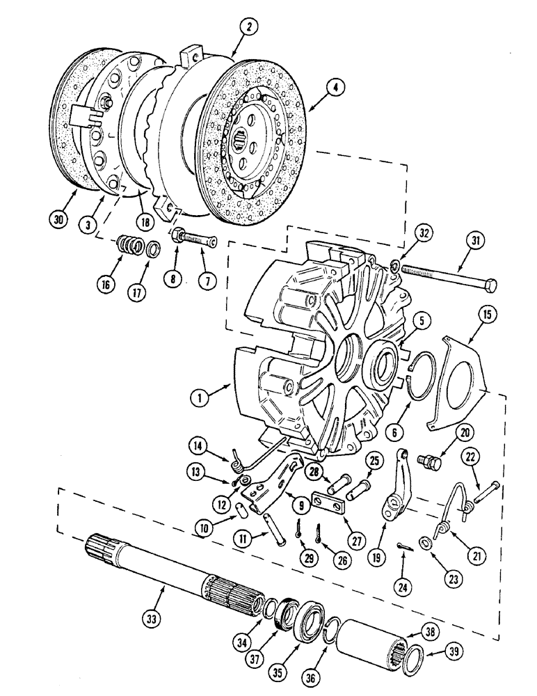
Запчасти Case IH 1494 (6-164) - INDEPENDENT CLUTCH UNIT (06) - POWER TRAIN

Схема запчастей Case IH 1494 - (6-164) - INDEPENDENT CLUTCH UNIT (06) - POWER TRAIN
8
14
1
39
22
20
12
27
30
36
33
15
34
11
17
28
6
23
37
21
25
16
29
4
9
2
19
26
18
3
35
38
32
31
13
24
10
7
5
FIT
1:1
100%

Артикул

Название

Примечание

Количество

1539023C1

CLUTCH

ASSEMBLY, 2 WD, Laycock 87367-14, Includes: Ref. 1 - 29

1шт.

1539023C1R

REMAN-CLUTCH PLATE

Remanufactured, CLUTCH PLATE, N.A. Only

1шт.

1539023C1C

CORE-CLUTCH PLATE

Return Number, Clutch Assembly, N.A. Only

1шт.

K956051

CLUTCH ASSEMBLY

MFD, Laycock 87367-11, Includes: Ref. 1 - 29

1шт.

1

NSS

NOT SOLD SEPARAT

COVER

1шт.

2

K955007

PLATE, THRUST

PLATE pressure, transmission, Includes: facings

1шт.

3

NSS

NOT SOLD SEPARAT

PLATE pressure, PTO, Includes: facings

1шт.

4

1539027C1

CLUTCH DISC

PLATE driven, 12 inch, 305 mm, transmission, 2WD, Includes: facings

1шт.

K965867

FACING

S steel backed, Mintex H19, and rivets

1шт.

4

1539039C1

CLUTCH DISC

PLATE drive, 12 inch, 305 mm, transmission, MFD, Includes: facings

1шт.

K260115

FACING

S, Durasint S214, and 42 rivets

1шт.

5

554553R91

BALL BEARING,45mm ID x 75mm OD x 16mm W

1шт.

6

800-2175

SNAP RING,M75, Int

RING snap, clutch cover

1шт.

7

K947045

BOLT

SCREW adjusting, set of three

1шт.

8

K947042

NUT

lock, adjusting screw

3шт.

9

K206748

LEVER

release, transmission, set of three

1шт.

10

K947046

ROLLER

release lever

3шт.

11

K947044

PIN

pivot, roller

3шт.

12

K947036

WASHER

pivot pin

3шт.

13

K947035

COTTER PIN

PIN cotter

3шт.

14

K206749

SPRING

transmission lever

3шт.

15

K206750

PLATE

transmission release lever

1шт.

16

K951917

SPRING

thrust, pink

12шт.

17

1539029C1

WASHER

WASHER insulating

24шт.

18

K952509

BELLEVILLE SPRING

SPRING thrust, Belleville

1шт.

19

K947057

LEVER

release, PTO

3шт.

20

K963626

LOCK NUT,M10 x 1.25 x 30mm, Cl 10.9

SCREW adjusting, with locknut

3шт.

21

K947037

SPRING

PTO

3шт.

22

K947058

PIVOT PIN

PIN pivot, PTO lever

3шт.

23

K947036

WASHER

pivot pin

6шт.

24

K947035

COTTER PIN

PIN cotter

3шт.

25

K947060

PIN

pivot, PTO lever

3шт.

26

432-68

COTTER PIN,3/32" x 1/2"

PIN, SPLIT (COTTER), 3/32" x 1/2"

3шт.

27

K947059

LINK

set of three

1шт.

28

K947041

PIN

pivot, PTO pressure plate

3шт.

29

432-68

COTTER PIN,3/32" x 1/2"

PIN, SPLIT (COTTER), 3/32" x 1/2"

3шт.

30

1539018C1

CLUTCH DISC

PLATE driven, 12 inch, 305 mm, PTO, Includes: facings

1шт.

30

1539018C1R

REMAN-CLUTCH DISC

1494 Diesel, N.A. Only

1шт.

30

1539018C1C

CORE-CLUTCH DISC

For N.A. Only

1шт.

1539047C1

FACING, CLUTCH

FACINGS, F30C and rivets

1шт.

31

413-668

BOLT,Hex, 3/8" - 16 x 4-1/4", Gr 5

hex, 3/8 NC x 4-1/4 inch

6шт.

32

492-11038

LOCK WASHER,3/8"

6шт.

33

K202072

SHAFT

clutch drive, Synchromesh without creeper gear

1шт.

33

K395003

SHAFT

clutch drive, Synchromesh with creeper gear

1шт.

33

K202083

SHAFT

clutch drive, power shift

1шт.

34

K623490

SEAL

oil, 1-7/8 inch, 48 mm

1шт.

35

G10418

BEARING, BALL

BEARING ball, Synchromesh

1шт.

36

100-11250

SNAP RING,#250, Ext

Ring, Snap, (Synchromesh) #250, Ext

1шт.

37

K623483

OIL SEAL

oil, 50 x 70 x 10 mm

1шт.

38

K202061

COUPLING, BREAK AWAY

COUPLING shaft, Synchromesh

1шт.

39

K902106

SHIM,.032" Thk

(0.813 mm) .032" Thk

1шт.

Выбрано товаров: 51