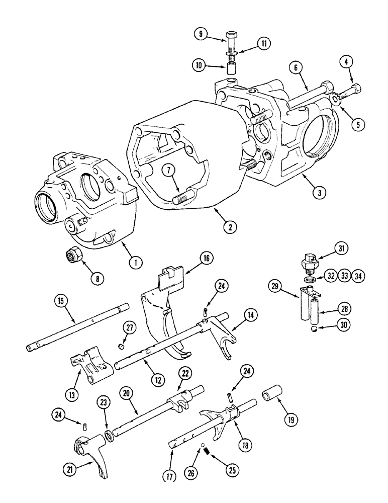
Запчасти Case IH 1494 (6-172) - GEARBOX HOUSING AND SELECTOR MECHANISM, SYNCHROMESH TRACTORS, PRIOR TO P.I.N. 11194089 (06) - POWER TRAIN

Схема запчастей Case IH 1494 - (6-172) - GEARBOX HOUSING AND SELECTOR MECHANISM, SYNCHROMESH TRACTORS, PRIOR TO P.I.N. 11194089 (06) - POWER TRAIN
10
24
29
14
1
17
8
25
33
28
5
20
34
31
11
2
23
6
30
32
19
12
13
15
16
21
26
4
27
22
9
7
24
3
18
24
FIT
1:1
100%

Артикул

Название

Примечание

Количество

1

K917726

PLATE

end, front

1шт.

2

K949893

BUSHING

SPACER

1шт.

3

K200516

PLATE

end, rear, with bearing caps, Includes: Ref. 4 & 5

1шт.

4

K601242

BOLT

5/8 UNC x 3-3/4 inch

4шт.

5

K626389

BEARING WASHER

WASHER tab, end plate bolt

4шт.

6

K940990

STUD

BOLT, 5/8 UNC x 14-1/4 inch

2шт.

7

K940991

STUD

5/8 UNCH x 14 1/4 inch

2шт.

8

K607331

NUT

self locking, 5/8 inch UNC

4шт.

9

K601306

BOLT

5/8 inch UNC, special

2шт.

10

K920656

BUSHING

BUSHING bolt

2шт.

11

K626239

SHIM,.010" Thk

(0.254 mm) .010" Thk

1шт.

12

K949895

SELECTOR

ROD selector, first and reverse

1шт.

13

K954125

SELECTOR

JAW selector, first and reverse

1шт.

14

K942472

SELECTOR

FORK selector, first and reverse

1шт.

15

K207164

SELECTOR

ROD selector, second and third

1шт.

16

K206543

FORK

selector, second and third

1шт.

17

K949898

SELECTOR

ROD selector, high-low range

1шт.

18

K950260

SELECTOR

FORK selector, high/low

1шт.

19

K953526

BUSHING

SLEEVE selector, high-low range

1шт.

20

K949897

SELECTOR

ROD selector, slow and normal range

1шт.

21

K928567

SELECTOR

FORK selector, slow and normal

1шт.

22

K950259

SELECTOR

JAW selector, slow and normal

1шт.

23

K953530

BUSHING

SPACER, slow and normal range

1шт.

24

K623887

PIN,5.21mm OD x 25.4mm L

roll, 3/16 x 1 inch

7шт.

25

K13507

SPRING

4шт.

26

211-1012

BALL,3/8" Dia

chrome alloy steel, 3/8 inch, grade 24

4шт.

27

K30430

LOCKING DEVICE

LOCK gear

1шт.

28

K945208

PLUNGER

1шт.

29

K945204

PLUNGER

AND PLATE

1шт.

30

211-1012

BALL,3/8" Dia

chrome alloy steel, 3/8 inch, grade 24

2шт.

31

K262714

SWITCH

safety, starter

1шт.

32

K626895

SHIM,.002" Thk

(0.05 mm) .002" Thk

1шт.

33

K626858

SHIM,.005" Thk

(0.13 mm) .005" Thk

1шт.

34

K626894

SHIM,.010" Thk

(0.25 mm) .010" Thk

1шт.

Выбрано товаров: 34