Запчасти Case IH 1594 (6-178) - RANGE SHIFT LEVER - POWER SHIFT, TRACTORS WITHOUT CAB (06) - POWER TRAIN

Схема запчастей Case IH 1594 - (6-178) - RANGE SHIFT LEVER - POWER SHIFT, TRACTORS WITHOUT CAB (06) - POWER TRAIN
15
2
22
7
10
12
5
23
8
18
27
3
21
19
24
17
16
4
25
29
26
11
13
14
6
20
28
1
9
FIT
1:1
100%

Артикул

Название

Примечание

Количество

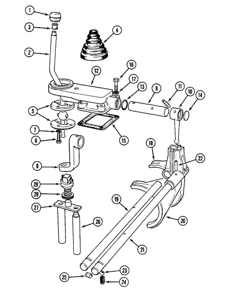
1

K200553

KNOB

- lever

1шт.

2

K206925

LEVER

- gear

1шт.

3

K628472

RING

- retaining, Serial Range: knob-lever

1шт.

4

K950494

RUBBER

COVER - gear lever

1шт.

5

K200162

SPACER

HOUSING - ball

2шт.

6

K966404

SCREW

BOLT - 1/4 x 1-1/8 inch

4шт.

7

492-11025

LOCK WASHER,1/4"

WASHER, LOCK, 1/4"

4шт.

8

K200161

LEVER

ARM - selector shaft

1шт.

9

K200160

SHAFT

- selector

1шт.

10

K202079

SELECTOR

LEVER - selector

1шт.

11

617938R1

PIN,5/16" x 1 3/8", Coiled

2шт.

12

K200159

GEAR

HOUSING - selector shaft

1шт.

13

K623630

SEAL

- oil, 7/8 inch (22 mm) ID

1шт.

14

41-16

PLUG,Exp, 1"

- expansion, housing

1шт.

15

K950543

GASKET,0.2mm Thk

- housing

1шт.

16

K600205

BOLT

- 5/16 UNC x 1-1/2 inch

4шт.

17

K19481

SPRING WASHER

WASHER - lock, 5/16 inch

4шт.

18

K917217

SELECTOR

FORK - selector, first and third range

1шт.

19

K917216

SELECTOR

ROD - selector, first and third range

1шт.

20

K917219

SELECTOR

FORK - selector, second and reverse range

1шт.

21

K917218

SELECTOR

ROD - selector, second and reverse range

1шт.

22

K623887

PIN,5.21mm OD x 25.4mm L

- roll, 3/16 x 1 inch

2шт.

23

211-1012

BALL,3/8" Dia

- chrome alloy steel, 3/8 inch, grade 24

4шт.

24

K13507

SPRING

- gear detent

2шт.

25

K30430

LOCKING DEVICE

LOCK - gear

2шт.

26

K945208

PLUNGER

- switch

1шт.

27

K945204

PLUNGER

AND PLATE - switch

1шт.

28

K626895

SHIM,.002" Thk

(0.05 mm) .002" Thk

1шт.

28

K626858

SHIM,.005" Thk

(0.13 mm) .005" Thk

1шт.

28

K626894

SHIM,.010" Thk

(0.25 mm) .010" Thk

1шт.

29

K262714

SWITCH

- safety starter

1шт.

Выбрано товаров: 31