Запчасти Case IH 1594 (6-204) - MFD ENGAGEMENT LEVER, TRACTORS WITH CAB (06) - POWER TRAIN

Схема запчастей Case IH 1594 - (6-204) - MFD ENGAGEMENT LEVER, TRACTORS WITH CAB (06) - POWER TRAIN
12
15
25
19
16
3
2
1
5
20
6
17
24
9
7
10
11
13
22
14
8
23
4
18
21
FIT
1:1
100%

Артикул

Название

Примечание

Количество

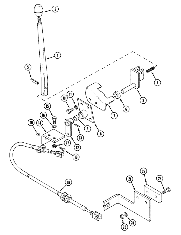
1

K207104

LEVER

- MFD selector

1шт.

2

K950493

KNOB

- selector lever

1шт.

3

K207163

BLOCK

SPINDLE - selector lever

1шт.

4

K13507

SPRING

- selector lever

1шт.

5

K623894

PIN

- roll, 5/16 x 1-1/4 inch, Order 138-155

1шт.

6

K207191

BUSHING

SPACER - spindle

1шт.

7

K207585

PLATE

GATE - selector lever

1шт.

8

K303119

PLATE

BRACKET - spindle

1шт.

9

K628759

BUSHING

- bracket

2шт.

10

614-8020

BOLT,Hex, M8 x 1.25 x 20mm

- hex, full threads, M8 x 20 mm

3шт.

11

892-11008

LOCK WASHER,8mm ID

WASHER, LOCK, M8

3шт.

12

K952260

LEVER

- operating

1шт.

13

438-11214

LOCK PIN,4.76mm OD x 22.23mm L, Slotted

Pin, 3/16" x 7/8", Slotted

1шт.

14

K207336

BRACKET

- cable support, upper

1шт.

15

K602845

BOLT,Hex Hd, 5/16"-18 x 3/4"

BOLT - 5/16 UNC x 3/4 inch

2шт.

16

K19481

SPRING WASHER

WASHER - lock, 5/16 inch

2шт.

17

425-105

NUT,5/16"-18, G5

- hex, 5/16 inch UNC

2шт.

18

K307987

CABLE

- inner and outer

1шт.

19

K613988

SCREW

- No. 10 UNF x 3/4 inch

2шт.

20

K617299

LOCK NUT

- self-locking, No. 10 UNF

2шт.

21

K207583

BRACKET

- cable support, lower

1шт.

22

K207349

BLOCK

SPACER - cable bracket

1шт.

23

K650645

BOLT

- M8 x 35 mm

2шт.

24

892-11008

LOCK WASHER,8mm ID

WASHER, LOCK, M8

2шт.

25

825-1408

NUT,M8, Cl 8

2шт.

Выбрано товаров: 25