Запчасти Case IH 1594 (6-212) - FINAL DRIVE HOUSING AND COVERS (06) - POWER TRAIN

Схема запчастей Case IH 1594 - (6-212) - FINAL DRIVE HOUSING AND COVERS (06) - POWER TRAIN
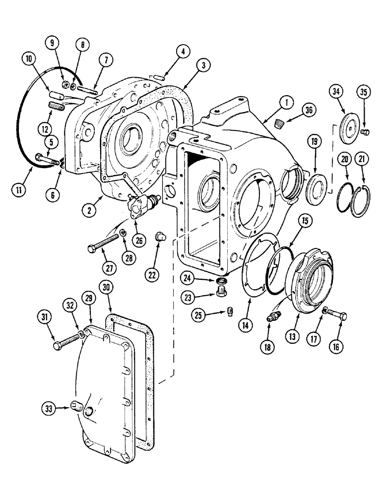
34
1
14
4
33
3
23
16
8
13
22
32
10
11
15
17
25
36
24
30
20
9
6
12
2
18
27
7
29
21
31
19
35
26
28
5
FIT
1:1
100%

Артикул

Название

Примечание

Количество

1

K950147

HOUSING

- right-hand, standard clearance

1шт.

1

K311821

HOUSING

- right-hand, high clearance

1шт.

1

K950146

HOUSING

- left-hand, standard clearance

1шт.

1

K311820

HOUSING

- left-hand, high clearance (North America only)

1шт.

2

K956401

BUSHING

HOUSING - brake, right-hand, standard clearance

1шт.

2

K311818

HOUSING

- brake, right-hand, high clearance (North America only)

1шт.

2

K956400

BUSHING

HOUSING - brake, left-hand, standard clearance

1шт.

2

K311817

HOUSING

- brake, left-hand, high clearance (North America only)

1шт.

3

K940834

GASKET,0.25mm Thk

- housing

2шт.

4

K900105

PIN

DOWEL - 5/8 x 1-7/16 inch (16 x 48 mm)

4шт.

5

K600810

BOLT

- 1/2 UNC x 2-1/2 inch, Order 413-840

22шт.

5

K600818

BOLT (SPREADER)

BOLT - 1/2 UNC x 4 inch, Order 413-864

4шт.

6

K19484

LOCK WASHER

WASHER - lock, 1/2 inch, Order 492-11050

26шт.

7

K608427

STUD

- 1/2 UNC x 2-7/8 inch

2шт.

7

K608430

STUD

- 1/2 UNC x 4-1/16 inch (Without cab)

13шт.

7

K608429

STUD

- 1/2 UNC x 4-5/8 inch (Without cab)

2шт.

7

K600909

BOLT

- 1/2 UNC x 1-3/4 inch (Grade V)

4шт.

7

K608511

STUD

BOLT - 1/2 UNC x 2-11/16 inch (With cab)

18шт.

8

K19484

LOCK WASHER

WASHER - lock, 1/2 inch

20шт.

9

425-108

NUT,1/2" - 13, Gr 5

NUT, , Hex 1/2"-13, G5

20шт.

10

K900105

PIN

DOWEL - 5/8 x 1-7/16 inch (16 x25 mm)

4шт.

11

K628855

O-RING,3mm Thk x 244mm ID, 75 Duro

- 9-5/8 inch ID

2шт.

12

K947891

BREATHER

PLUG - breather, 3/8 inch UNF

2шт.

13

K945535

HOUSING

- oil seal, righ-hand

1шт.

13

K945536

HOUSING

- oil seal, left-hand

1шт.

14

K940849

SHIM

- 0.003 inch (0.07 mm)

1шт.

14

K940848

SHIM,0.13mm Thk

- 0.005 inch (0.12 mm)

1шт.

14

K940847

SHIM,0.38mm Thk

- 0.015 inch (0.38 mm)

1шт.

14

K940846

SHIM

- 0.030 inch (0.76 mm)

1шт.

15

238-5256

O-RING,0.139" Thk x 5.734" ID, -256, Cl 5, 75 Duro

2шт.

16

413-724

BOLT,Hex, 7/16" - 14 x 1-1/2", Gr 5

- hex, 7/16 NC x 1-1/2 inch

12шт.

17

492-11044

LOCK WASHER,7/16"

WASHER, LOCK, 7/16"

12шт.

18

219-8

LUBE NIPPLE,1/4" - 28 NPTF

NIPPLE, LUBE, , straight, taper 1/4"-28 NPT x .54" lg

2шт.

19

K929889

PLATE

COVER - end, standard clearance

2шт.

20

K623703

O-RING,3.1mm Thk x 94.45mm ID

- 95 mm ID

2шт.

21

R30570

SNAP RING,3.75", Int, #375

Ring, Snap, brg 3.75", Int, #375

2шт.

22

353-11

PLUG,Cap, .610" OD

- tapered, 5/8 inch OD

6шт.

23

K623849

PLUG

- oil drain, 1/2 inch BSP

2шт.

24

K15143

WASHER

- sealing, 7/8 inch (22 mm)

2шт.

25

K623758

PLUG

- taper, 1/4 inch BSP

2шт.

26

K200219

CYLINDER

(SLAVE CYLINDER - brake (Girling 73067050)

2шт.

27

K600205

BOLT

- 5/16 UNC x 1-1/2 inch, Order 413-524

4шт.

28

K19481

SPRING WASHER

WASHER - lock, 5/16 inch

4шт.

29

K929061

COVER

- housing

2шт.

30

K929062

GASKET

- cover

2шт.

31

413-618

BOLT,Hex, 3/8" - 16 x 1-1/8", Gr 5

24шт.

32

492-11038

LOCK WASHER,3/8"

24шт.

33

K12362

PLUG

- taper, 1 inch BSP

2шт.

34

K311819

COVER

- end, high clearance

2шт.

35

K623752

PLUG

- end cover, 1/8 inch BSP (High clearance)

2шт.

36

K14596

PLUG

- taper, high clearance, 1/2 inch BSP

2шт.

Выбрано товаров: 51