Запчасти Case IH 1594 (8-262) - SINGLE HYDRAULIC PUMP (08) - HYDRAULICS

Схема запчастей Case IH 1594 - (8-262) - SINGLE HYDRAULIC PUMP (08) - HYDRAULICS
23
24
27
13
7
17
26
18
11
1
14
15
5
3
21
22
12
16
9
16
2
10
4
8
6
25
17
19
20
FIT
1:1
100%

Артикул

Название

Примечание

Количество

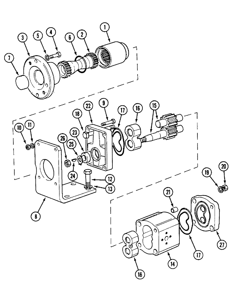
1

K944947

COUPLING, BREAK AWAY

COUPLING - pump

1шт.

2

K200464

SHAFT

DRIVE SHAFT -, Serial Range: engine-pump

1шт.

3

K200465

SPLINED COUPLING

COUPLING - crankshaft pulley

1шт.

4

88206

BOLT,Hex, 3/8" - 16 x 1", Gr 5

4шт.

5

492-11038

LOCK WASHER,3/8"

4шт.

6

K262773

O-RING

- 1-3/8 inch

2шт.

7

K627581

BUSHING

SPACER - rubber, 7/16 inch (11 mm) Thick

1шт.

7

K627582

BUSHING

SPACER - rubber, 9/16 inch (14 mm) Thick

1шт.

7

K627583

BUSHING

SPACER - rubber, 5/8 inch (16 mm) Thick

1шт.

8

K949984

SUPPORT

BRACKET - support

1шт.

9

K600006

BOLT

- 1/4 UNC x 1-1/2 inch

2шт.

9

K600007

BOLT

- 1/4 UNC x 5/8 inch

2шт.

10

K607000

NUT

- 1/4 inch UNC

4шт.

11

492-11025

LOCK WASHER,1/4"

WASHER, LOCK, 1/4"

4шт.

12

413-822

BOLT,Hex, 1/2" - 13 x 1-3/8", Gr 5

- hex, 1/2 NC x 1-3/8 inch

4шт.

13

K19484

LOCK WASHER

WASHER - lock, 1/2 inch

4шт.

K949605

PUMP

ASSEMBLY - single (Sundstrand A40/18529), Includes: Ref. 14 - 27

1шт.

14

NSS

NOT SOLD SEPARAT

BODY - pump

1шт.

15

K964522

GEAR

ROTOR - pump (Set)

1шт.

16

K964840

BEARING

ASSEMBLY - rotor

2шт.

17

K964831

SEAL

SEAL KIT - pump

1шт.

18

K964521

BOLT

- 3/8 inch UNF

4шт.

19

492-11038

LOCK WASHER,3/8"

4шт.

20

K964837

NUT

- 3/8 inch UNF

4шт.

21

K964920

PIN

DOWEL - ring

4шт.

22

K962100

PLATE

FLANGE - pump

1шт.

23

K962106

OIL SEAL,16.13mm ID x 28.83mm OD x 7.92mm Thk

- oil

1шт.

24

K622386

KEY

- Woddruff

1шт.

25

K626380

WASHER

- tab, gear, 7/16 inch

1шт.

26

425-157

JAM NUT,Jam, 7/16"-20, G5

1шт.

27

K962112

COVER

- pump

1шт.

Выбрано товаров: 31