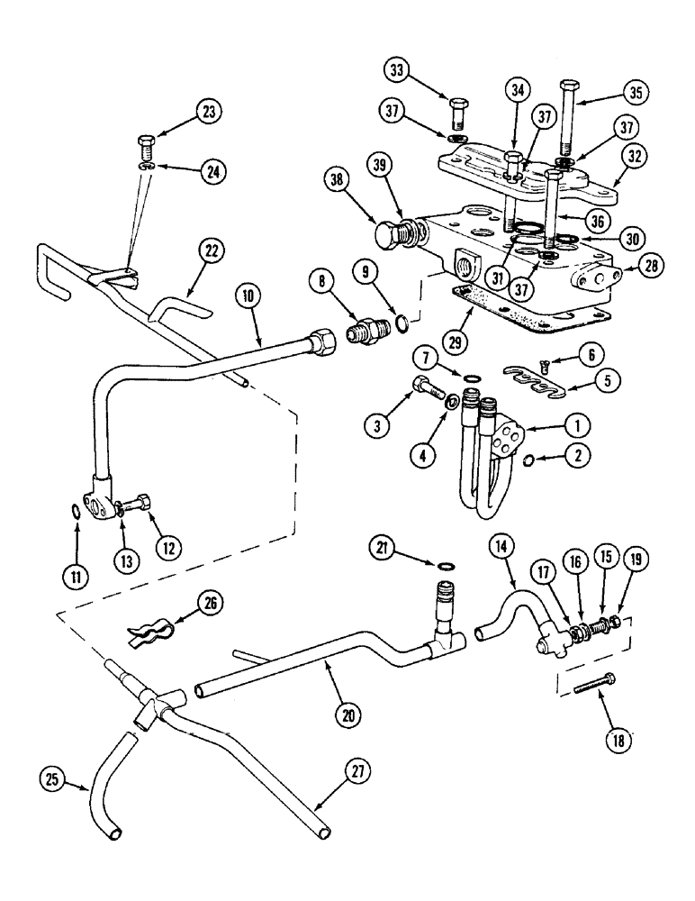
Запчасти Case IH 1594 (8-270) - REAR AXLE HYDRAULIC TUBES (08) - HYDRAULICS

Схема запчастей Case IH 1594 - (8-270) - REAR AXLE HYDRAULIC TUBES (08) - HYDRAULICS
27
1
3
36
11
37
24
7
39
20
8
15
21
6
12
16
22
37
18
14
33
28
37
35
5
26
13
34
30
23
38
4
37
29
2
19
32
25
31
17
9
10
FIT
1:1
100%

Артикул

Название

Примечание

Количество

1

K952224

PIPE

TUBE - control valve

1шт.

2

K625408

O-RING

- 7/16 inch (11 mm) ID

2шт.

3

K600405

BOLT

- 3/8 UNC x 1-5/8 inch

2шт.

4

492-11038

LOCK WASHER,3/8"

2шт.

5

K915344

WASHER

PLATE - locating

1шт.

6

K604094

SCREW

- 1/4 unc x 5/8 inch slotted

2шт.

7

K625405

O-RING,0.549" ID x 0.103" Width

- 9/16 inch (14 mm) ID

2шт.

8

K626026

FITTING

UNION - 7/8 inch UNF

1шт.

9

237-6010

O-RING,0.097" Thk x 0.755" ID, -910, Cl 6, 90 Duro

10-1, 90 Duro, .755" ID x .097" Thk

1шт.

10

K929843

PIPE

TUBE - ram cylinder

1шт.

11

238-6115

O-RING,0.103" Thk x 0.674" ID, -115, Cl 6, 90 Duro

1шт.

12

K602806

BOLT

- 5/16 UNC x 1-1/8 inch

2шт.

13

K19481

SPRING WASHER

WASHER - lock, 5/16 inch

2шт.

14

K915339

TUBE

- control, Serial Range: valve-Tee

1шт.

15

K912269

BUSHING

- 1/2 - 5/16 inch UNC

1шт.

16

K626577

WASHER

- sealing, 1/2 inch (13 mm)

1шт.

17

425-148

JAM NUT,Jam, 1/2"-13, G5

- hex, jam, 1/2 inch NC

1шт.

18

K600363

BOLT

- 5/16 UNC x 2-1/2 inch

1шт.

19

K607081

LOCK NUT

NUT - lock, 5/16 inch UNC

1шт.

20

K916891

PIPE

TUBE - distribution block to cross piece

1шт.

21

K625405

O-RING,0.549" ID x 0.103" Width

- 9/16 inch (14 mm) ID

1шт.

22

K203177

PIPE,19.437, 3.125" L

TUBE - gearbox lubrication (Synchromesh)

1шт.

22

K942372

PIPE

TUBE - gearbox lubrication (Power shift)

1шт.

23

413-48

BOLT,Hex, 1/4" - 20 x 1/2", Gr 5

- hex, 1/4 NC x 1/2 inch

1шт.

24

492-11025

LOCK WASHER,1/4"

WASHER, LOCK, 1/4"

1шт.

25

K913785

PIPE,0.5" OD

TUBE - lubrication, ram cylinder

1шт.

26

K625009

SPRING

CLIP - retaining

1шт.

27

K950514

PIPE

TUBE - PTO lubrication

1шт.

28

K957148

BLOCK

- distribution (Tractor with single pump)

1шт.

28

REF

INSTRUCTION

VALVE ASSEMBLY - combining, See Figure 8-274 and 8-276

1шт.

29

K917387

GASKET

- block

1шт.

30

238-6115

O-RING,0.103" Thk x 0.674" ID, -115, Cl 6, 90 Duro

5шт.

31

K623588

O-RING,2.69mm Thk x 29.97mm ID, 75 Duro

- 1-3/16 inch (30 mm) ID

1шт.

32

K919242

COVER

PLATE - cover, valve

1шт.

33

88206

BOLT,Hex, 3/8" - 16 x 1", Gr 5

2шт.

34

413-644

BOLT,Hex, 3/8" - 16 x 2-3/4", Gr 5

1шт.

35

K600416

BOLT

- 3/8 UNC x 3 inch

2шт.

36

K600418

BOLT

- 3/8 UNC x 3-1/2 inch

1шт.

37

492-11044

LOCK WASHER,7/16"

WASHER, LOCK, 7/16"

6шт.

38

K619528

PLUG

- oil return port, 7/8 inch UNF

1шт.

39

K30085

GASKET

WASHER - sealing, 7/8 inch (22 mm)

1шт.

Выбрано товаров: 41