Запчасти Case IH 1594 (8-276) - COMBINING VALVE, TRACTORS WITHOUT CAB (08) - HYDRAULICS

Схема запчастей Case IH 1594 - (8-276) - COMBINING VALVE, TRACTORS WITHOUT CAB (08) - HYDRAULICS
20
23
16
13
10
1
20
24
8
7
18
15
12
9
22
21
5
8
2
4
11
6
17
3
12
14
19
FIT
1:1
100%

Артикул

Название

Примечание

Количество

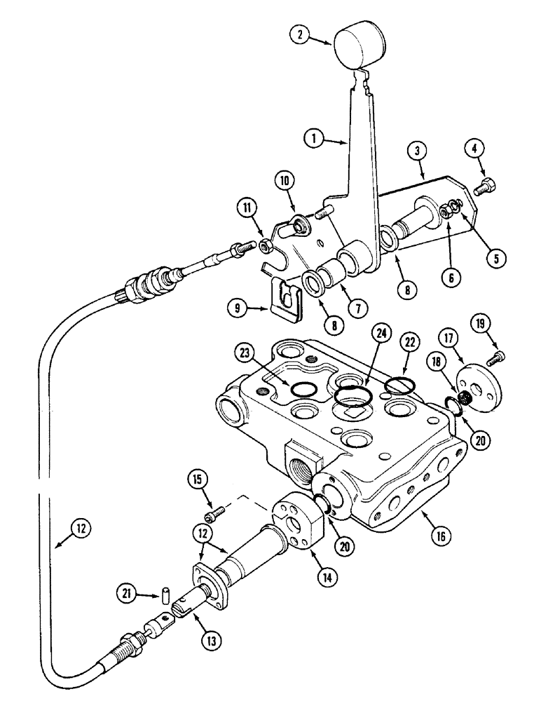
1

K306693

LEVER

- hand

1шт.

2

K306268

KNOB

- control lever

1шт.

3

K306101

BRACKET

- support, hand lever

1шт.

4

614-6012

BOLT,Hex, M6 x 1 x 12mm, Cl 8.8, Full Thd

2шт.

5

892-11006

LOCK WASHER,M6

WASHER, LOCK, M6

2шт.

6

825-13412

NUT,M12 x 1.25, Cl 8

- cable, M12

2шт.

7

K655430

BUSHING

- lever

2шт.

8

K655810

BUSHING

SPACER - shaft

2шт.

9

K659108

CLIP

- retaining

1шт.

10

K628327

BALL

JOINT - cable, 1/4 inch UNC

1шт.

11

425-114

NUT,1/4"-28, G5

1шт.

12

K306296

CABLE

ASSEMBLY - control

1шт.

13

K203441

SPOOL

EXTENSION - spool

1шт.

14

K206703

CAP

- end

1шт.

15

K616488

SCREW

- 1/4 UNF x 7/8 inch

2шт.

16

K206704

VALVE

ASSEMBLY - combining, Includes: Ref. 17 - 20

1шт.

17

K202852

CAP

ASSEMBLY - end

1шт.

18

K915393

FOAM

PAD - breather

1шт.

19

K616485

SCREW

- No. 10 UNF x 1/2 inch

2шт.

20

K625405

O-RING,0.549" ID x 0.103" Width

- 9/16 inch (14 mm) ID

2шт.

21

K207303

PIN

- cable

1шт.

25

238-5210

O-RING,0.139" Thk x 0.734" ID, -210, Cl 5, 75 Duro

2шт.

26

238-6115

O-RING,0.103" Thk x 0.674" ID, -115, Cl 6, 90 Duro

3шт.

27

K623588

O-RING,2.69mm Thk x 29.97mm ID, 75 Duro

- 1-3/16 inch (30 mm) ID

1шт.

Выбрано товаров: 24