Запчасти Case IH 1594 (8-280) - DUMP VALVE (08) - HYDRAULICS

Схема запчастей Case IH 1594 - (8-280) - DUMP VALVE (08) - HYDRAULICS
26
30
9
33
31
37
17
14
4
6
3
36
25
1
27
35
12
16
11
19
20
13
15
21
29
5
32
34
10
2
24
8
28
22
18
23
7
FIT
1:1
100%

Артикул

Название

Примечание

Количество

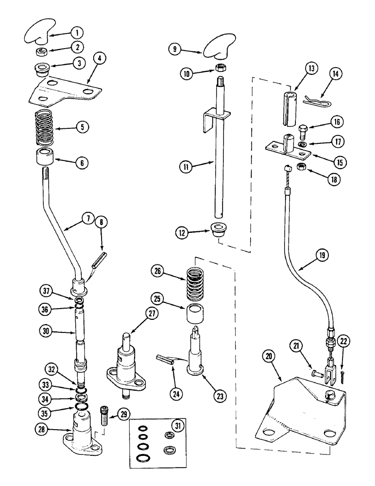
1

K955948

KNOB

- dump control

1шт.

2

280136

NUT,3/8"-16, G8

1шт.

3

K306665

BUSHING

- plastic (Without cab)

1шт.

4

K301423

BRACKET

- return spring (Without cab)

1шт.

5

K11034

SPRING

- locating, center (Without cab)

1шт.

6

K951940

CAP

- extension

1шт.

7

K202762

ROD

- control (Without cab)

1шт.

8

138-317

LOCK PIN,1/8" x 5/8", Slotted

PIN, 1/8" x 5/8", Slotted

1шт.

9

K955948

KNOB

- dump control

1шт.

10

9635082

NUT,5/16" - 18, Gr 5

- 5/16 inch UNC

1шт.

11

K306336

ROD

- control (With cab)

1шт.

12

K659210

BUSHING

- plastic (With cab)

1шт.

13

K306321

CONNECTOR, ELEC

CONNECTOR -, Serial Range: rod-cable

1шт.

14

K624874

SPRING

CLIP - spring, 3/4 inch

1шт.

15

K306386

BRACKET

- cable support

1шт.

16

614-6012

BOLT,Hex, M6 x 1 x 12mm, Cl 8.8, Full Thd

2шт.

17

892-11006

LOCK WASHER,M6

WASHER, LOCK, M6

2шт.

18

15896221

NUT,Hex, M6, 5.20mm High, Cl 10

Order 825-1406 M6, Cl 10

2шт.

19

K206222

BOWDEN CONTROL

CABLE ASSEMBLY - control

1шт.

20

K951941

BRACKET

- Cable, Order k206221 and K206222

1шт.

21

K625959

PIN

- 3/16 x 5/8 inch (5 x 16 mm)

1шт.

22

K623605

PIN

- cotter, 1/16 x 1/2 inch, Order 432-48

1шт.

23

K951939

VALVE

EXTENSION - dump valve

1шт.

24

138-317

LOCK PIN,1/8" x 5/8", Slotted

PIN, 1/8" x 5/8", Slotted

1шт.

25

K951940

CAP

- extension

1шт.

26

K625062

SPRING

- return

1шт.

27

K964867

VALVE

ASSEMBLY - dump, Includes: Ref. 28 - 37

1шт.

28

K944535

VALVE

BODY - valve

1шт.

29

61-512

HEX SOC SCREW,5/16"-18 x 3/4"

- 5/16 x 3/4 inch

2шт.

30

K944536

PLUNGER

- valve

1шт.

31

REF

INSTRUCTION

KIT - seal, Order components, Includes: Ref. 32 - 37

1шт.

32

K625411

SEALING RING

RING - seal, 1/4 inch (6 mm) ID

1шт.

33

K625408

O-RING

- 7/16 inch (11 mm) ID

1шт.

34

K628059

RING,Split, 11.11mm ID x 15.88mm OD x 1.47mm Thk

- back-up, 5/8 inch (16 mm) ID

1шт.

35

238-5018

O-RING,0.07" Thk x 0.739" ID, -18, Cl 5, 75 Duro

-018, 70 Duro, .739" ID x .070" Thk

1шт.

36

K625400

O-RING,0.07" Thk x 0.239" ID

- 1/4 inch (6 mm) ID

1шт.

37

K628060

RING,Split, 6.35mm ID x 9.53mm OD x 1.47mm Thk

- back-up, 3/8 inch (6 mm) OD

1шт.

Выбрано товаров: 37