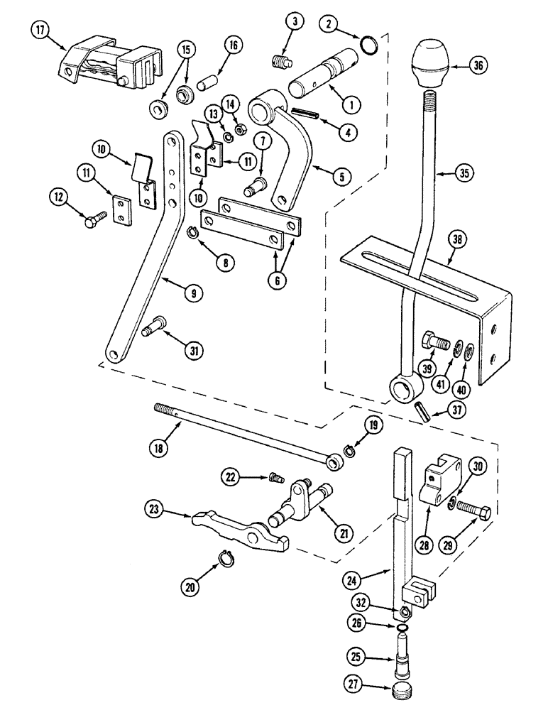
Запчасти Case IH 1594 (8-282) - CONTROL MECHANISM (08) - HYDRAULICS

Схема запчастей Case IH 1594 - (8-282) - CONTROL MECHANISM (08) - HYDRAULICS
38
23
30
9
3
22
20
11
25
21
2
13
39
27
40
10
14
15
8
5
24
7
31
12
1
29
26
32
41
37
19
10
16
28
35
17
4
6
18
11
36
FIT
1:1
100%

Артикул

Название

Примечание

Количество

1

K204958

SHAFT

- sensing control

1шт.

2

238-6014

O-RING,0.07" Thk x 0.489" ID, -14, Cl 6, 90 Duro

1шт.

3

K602750

SCREW

- retaining, slotted, 1/4 inch UNC

1шт.

4

438-11216

LOCK PIN,3/16" x 1", Slotted

PIN - cotter, 3/16 25 mm

1шт.

5

K956290

ARM

- control lever

1шт.

6

K956293

LINK

- arm to connecting rod

2шт.

7

K952809

PIN

- clevis, 5/16 x 9/16 inch (8 x 14 mm)

2шт.

8

K621585

RING, SNAP

RING - snap, 1/4 inch

2шт.

9

K952834

ROD

- connecting

1шт.

10

K952823

SPRING

- detent

2шт.

11

K952824

CLAMP

PLATE - detent spring

2шт.

12

K613988

SCREW

- No. 10 UNF x 3/4 inch

2шт.

13

K19488

SPRING WASHER

- lock, 3/16 inch

2шт.

14

225-14210

NUT,#10-32

2шт.

15

K952820

SPOOL

BOBBIN - detent

2шт.

16

K952821

PIN

- 5/16 x 3/4 inch (8 x 19 mm)

1шт.

17

K956273

GUIDE

- detent

1шт.

18

K909585

ROD

- connecting

1шт.

19

K621562

RING, SNAP

RING - snap, 3/8 inch (10 mm) external

1шт.

20

K11302

RING, SNAP

RING - snap, 1/2 inch (13 mm) external

1шт.

21

K207308

ROCKER LEVER

SHAFT - rocker

1шт.

22

K602750

SCREW

- retaining, slotted, 1/4 inch UNC

1шт.

23

K200678

ROCKER LEVER

LEVER - rocker

1шт.

24

K956294

ROD

- push

1шт.

25

K956297

GUIDE

PIN - guide

1шт.

26

238-6011

O-RING,0.07" Thk x 0.301" ID, -11, Cl 6, 90 Duro

1шт.

27

K606409

SCREW

PLUG - 3/4 inch

1шт.

28

K956298

GUIDE

BRACKET - guide

1шт.

29

K612807

SCREW

BOLT - 5/16 UNC x 1-1/4 inch

2шт.

30

K19481

SPRING WASHER

WASHER - lock, 5/16 inch

2шт.

31

K952810

PIN

- clevis, 1/4 x 1 inch (6 to 25 m)

1шт.

32

K621585

RING, SNAP

RING - snap, 1/4 inch

1шт.

35

K206178

LEVER ASSY.

LEVER - hand, sensing control (Without cab) without folding ROPS

1шт.

35

K210403

LEVER - hand, sensing control without cab with folding ROPS

1шт.

36

K950493

KNOB

- selector lever (Without cab)

1шт.

37

K623718

PIN

- roll, 3/16 x 1 inch (5 x 25 mm), Order 432-48

1шт.

38

K306433

BRACKET

GATE - hand lever (Without cab)

1шт.

39

614-8016

BOLT,Hex, M8 x 1.25 x 16mm, Cl 8.8, Full Thd

- hex, full threads, 8 - 1.25 x 16 mm

2шт.

40

895-11008

WASHER,9mm ID x 16mm OD x 1.6mm Thk

- flat, 9 x 17 x 1.6 mm

2шт.

41

892-11008

LOCK WASHER,8mm ID

WASHER, LOCK, M8

2шт.

Выбрано товаров: 40