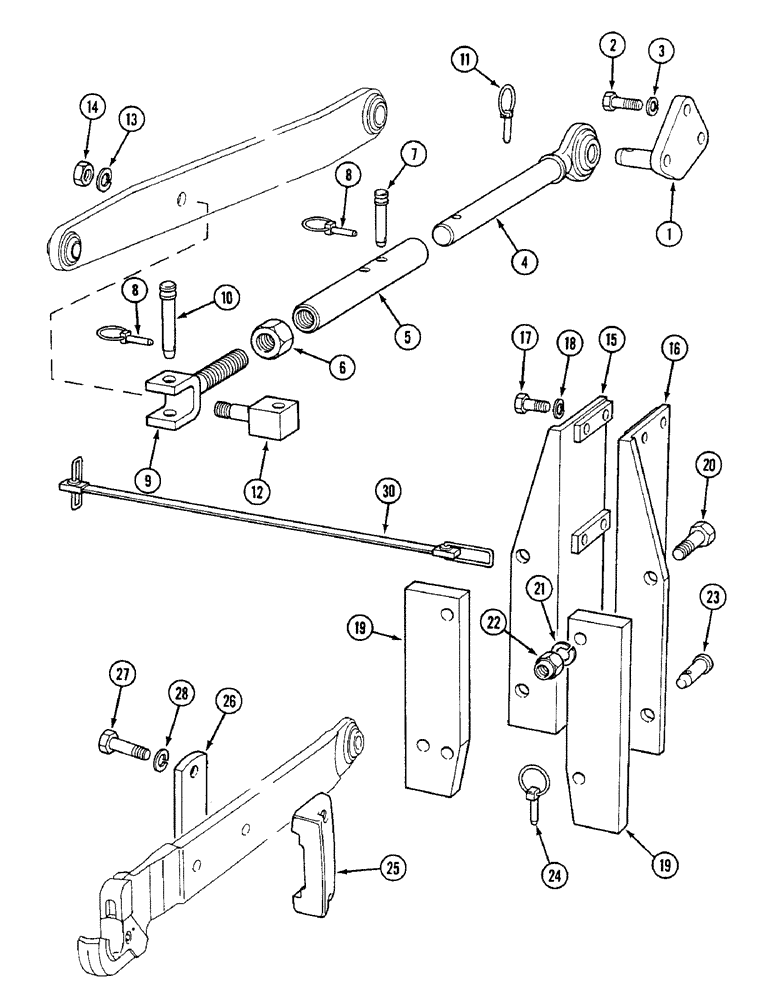
Запчасти Case IH 1594 (9-330) - LINKAGE STABILIZERS AND SWAY BLOCKS (09) - CHASSIS/ATTACHMENTS

Схема запчастей Case IH 1594 - (9-330) - LINKAGE STABILIZERS AND SWAY BLOCKS (09) - CHASSIS/ATTACHMENTS
7
6
24
26
30
17
21
8
27
14
20
23
2
16
5
8
4
19
22
9
12
10
15
18
1
13
19
28
11
25
3
FIT
1:1
100%

Артикул

Название

Примечание

Количество

UK4650

STABILIZER

ASSEMBLY - linkage, Includes: Ref. 1 - 14

1шт.

1

K204407

BRACKET

- support, left-hand

1шт.

1

K204406

BRACKET

- support, right-hand

1шт.

2

K601355

BOLT

- 5/8 UNC x 1-7/8 inch, Order 413-1028

6шт.

3

492-11062

BEARING WASHER,5/8"

WASHER, LOCK, 5/8"

6шт.

4

K949766

BALL JOINT

HOUSING - ball

2шт.

5

K206000

TURNBUCKLE

- stabilizer bar

2шт.

6

K19448

LOCK NUT

- lock, 1-1/4 inch BSF

2шт.

7

K949770

LOCK PIN

PIN - locking

2шт.

8

K210316

LINCH PIN

PIN ASSEMBLY - linch (Replaces K66408)

4шт.

9

K949772

FORK

END - stabilizer bar

2шт.

10

K912936

PIN

- link

2шт.

11

1328218C1

LINCH PIN,11mm OD

- quick attachable

2шт.

12

K201238

BRACKET

ANCHOR - lower link, 7/8 inch UNC

2шт.

13

K11713

WASHER

- lock, 7/8 inch, Order 492-11088

2шт.

14

K607008

NUT

- 7/8 inch UNC, Order 425-1014

2шт.

UK5551

BLOCK

SWAY BLOCK ATTACHMENT - lower link, Includes: Ref. 15 - 28

1шт.

15

K206697

BRACKET

- support, left-hand

1шт.

16

K206698

BRACKET

- support, right-hand

1шт.

17

K603312

SCREW

BOLT - 5/8 UNC x 1-1/4 inch, Order 413-1036

8шт.

18

492-11062

BEARING WASHER,5/8"

WASHER, LOCK, 5/8"

8шт.

19

K206159

BLOCK

- sway

2шт.

20

413-1244

BOLT,Hex, 3/4" - 10 x 2-3/4", Gr 5

- hex, 3/4 NC x 2-3/4 inch

2шт.

21

K19476

WASHER

- 3/4 inch (19 mm)

2шт.

22

K607307

NUT

- lock, 3/4 inch UNC

2шт.

23

K206150

PIN

- sway block

2шт.

24

K210316

LINCH PIN

PIN ASSEMBLY - linch (Replaces K66408)

2шт.

25

K206160

PAD

BUFFER - lower link

2шт.

26

K206161

PAD

STRAP - buffer

2шт.

27

413-1036

BOLT,Hex, 5/8" - 11 x 2-1/4", Gr 5

- hex, 5/8 NC x 2-1/4 inch

4шт.

28

492-11062

BEARING WASHER,5/8"

WASHER, LOCK, 5/8"

4шт.

UK4689

LOWER LINK RESTRAINT ASSEMLBY - standard lower links, Includes: Ref. 30

1шт.

30

K311716

RETAINER

RESTRAINT - lower links, use without check chains

1шт.

Выбрано товаров: 33