Запчасти Case IH 1594 (9-332) - TOP LINK, STANDARD AND JEFFES TYPE (09) - CHASSIS/ATTACHMENTS

Схема запчастей Case IH 1594 - (9-332) - TOP LINK, STANDARD AND JEFFES TYPE (09) - CHASSIS/ATTACHMENTS
7
9
22
23
19
1
11
20
16
6
21
3
2
24
8
14
15
26
2
1
10
5
17
4
25
6
12
27
13
18
FIT
1:1
100%

Артикул

Название

Примечание

Количество

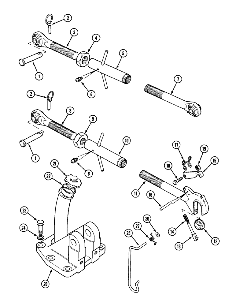
1

K625980

HITCH PIN

PIN - anchor, top link

1шт.

2

1328218C1

LINCH PIN,11mm OD

- quick attachable

1шт.

REF

INSTRUCTION

LINK ASSEMBLY - top, standard type, Order components, Includes: Ref. 3 - 7

1шт.

3

K205954

HOUSING

- ball, tractor end

1шт.

4

K19448

LOCK NUT

- lock, 1-1/4 inch BSF

1шт.

5

K920800

TURNBUCKLE

BUCKLE - turn

1шт.

6

219-8

LUBE NIPPLE,1/4" - 28 NPTF

NIPPLE, LUBE, , straight, taper 1/4"-28 NPT x .54" lg

1шт.

7

K201825

LINK

SCREW AND HOUSING - implement end

1шт.

REF

INSTRUCTION

LINK ASSEMBLY - top, Jeffes type, Order components, Includes: Ref. 8 - 19

1шт.

8

K205954

HOUSING

- ball, tractor end

1шт.

9

K19448

LOCK NUT

- lock, 1-1/4 inch BSF

1шт.

10

K920800

TURNBUCKLE

BUCKLE - turn

1шт.

11

K201785

HOOK

ASSEMBLY - ball, implement end, Includes: Ref. 12 - 19

1шт.

12

K210453

BALL

- top hitch

1шт.

13

K210788

PIN - ball retaining

1шт.

14

K201789

SPRING

- retaining pin

1шт.

15

K201790

LEVER

- release

1шт.

16

K201791

PIN

- roll, 5/32 x 3/4 inch

1шт.

17

K201792

SPRING

- release lever

2шт.

18

K201793

BOLT

- 5/16 x 1-3/8 inch Whitworth

1шт.

19

K201731

NUT

- self locking, 5/16 inch Whitworth

1шт.

20

K206882

PIPE

HOUSING - top link anchor

1шт.

21

K948427

CAP

- filler

1шт.

22

K623556

O-RING,0.139" Thk x 1.859" ID, -225, Cl 5, 75 Duro

- sealing

1шт.

23

K600909

BOLT

- 1/2 UNC x 1-3/4 inch (Grade V)

6шт.

24

K19484

LOCK WASHER

WASHER - lock, 1/2 inch

6шт.

25

K303358

LATCH

HOOK - top link stowage (With cab)

1шт.

26

K692198

WASHER

- hook retaining

1шт.

27

K658401

SPRING

- hook

1шт.

Выбрано товаров: 29