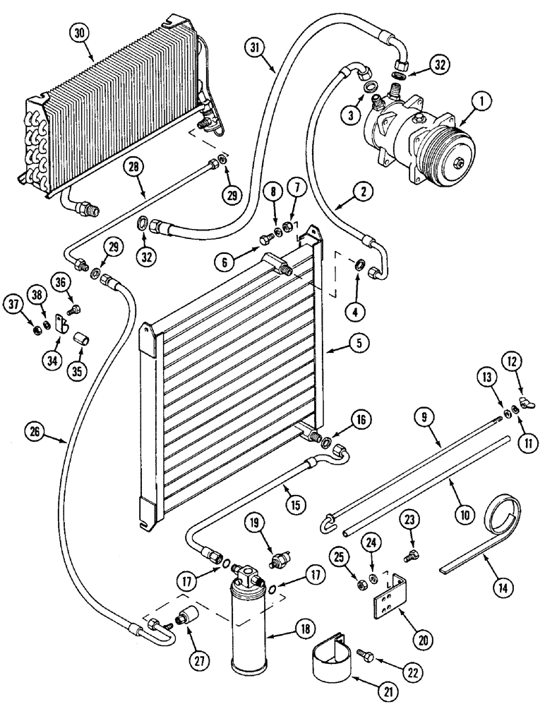
Запчасти Case IH 1594 (9-424) - AIR CONDITIONING SYSTEM, TRACTORS WITH CAB (09) - CHASSIS/ATTACHMENTS

Схема запчастей Case IH 1594 - (9-424) - AIR CONDITIONING SYSTEM, TRACTORS WITH CAB (09) - CHASSIS/ATTACHMENTS
26
21
35
16
20
24
22
17
3
1
17
23
2
32
9
12
32
29
27
31
37
11
25
6
18
7
5
28
10
19
34
4
38
14
15
8
29
36
30
13
FIT
1:1
100%

Артикул

Название

Примечание

Количество

1

K307237

COMPRESSOR

ASSEMBLY, See Figure 9-426

1шт.

60-2921T94R

REMAN-A/C COMPRESSOR

1594 CASE DIESEL TRACTOR (1/83-12/87), Reman for New P/N K307237

1шт.

60-2921T94C

CORE-A/C COMPRESSOR

Return Number

1шт.

2

K207869

HOSE

-, Serial Range: compressor-condenser

1шт.

3

222-994

GASKET,1/2 Tube, Fl, Copper

WASHER - copper, hose to compressor

1шт.

4

222-993

GASKET,3/8 Tube, Fl, Copper

Hose to condenser 3/8 Tube, Fl, Copper

1шт.

5

K307013

CONDENSER

1шт.

6

614-8014

BOLT,Hex, M8 x 1.25 x 14mm, Cl 8.8, Full Thd

- hex, full threads, 8 - 1.25 x 14 mm

2шт.

7

K652107

NUT

- self locking, M8

2шт.

8

895-11008

WASHER,9mm ID x 16mm OD x 1.6mm Thk

- flat, 9 x 17 x 1.6 mm

2шт.

9

K307542

ROD

- M6 x 540 mm

1шт.

10

K307544

TUBE

SPACER - rod

1шт.

11

892-11006

LOCK WASHER,M6

WASHER, LOCK, M6

1шт.

12

E44806

NUT

- wing, M6

1шт.

13

K651811

WASHER

- 6 mm

1шт.

14

K777030

FOAM

STRIP - sealing, 8 x 15 mm

1шт.

15

K207873

HOSE

-, Serial Range: condenser-rider

1шт.

16

222-993

GASKET,3/8 Tube, Fl, Copper

Hose to condenser 3/8 Tube, Fl, Copper

1шт.

17

A61198

O-RING,0.07" Thk x 0.301" ID, -11

- hoses to drier

2шт.

18

A76312

RECEIVER-DRYER

DRIER, Includes: Ref. 19

1шт.

19

A47717

SWITCH

- low pressure

1шт.

20

K308498

BRACKET

- drier

1шт.

21

K308499

CLIP

- drier

1шт.

22

614-8025

BOLT,Hex, M8 x 1.25 x 25mm, Cl 8.8, Full Thd

- hex, full threads, 8 - 1.25 x 25 mm

2шт.

23

614-8020

BOLT,Hex, M8 x 1.25 x 20mm

- hex, full threads, 8 - 1.25 x 20 mm

2шт.

24

895-11008

WASHER,9mm ID x 16mm OD x 1.6mm Thk

- flat, 9 x 17 x 1.6 mm

4шт.

25

825-1408

NUT,M8, Cl 8

4шт.

26

K207868

HOSE

-, Serial Range: drier-tube

1шт.

27

A65779

SWITCH

- high pressure

1шт.

28

K207864

PIPE,0.37" OD x 17.94, 3" L

TUBE - hose to evaporator

1шт.

29

222-993

GASKET,3/8 Tube, Fl, Copper

Hose to condenser 3/8 Tube, Fl, Copper

2шт.

30

K308478

RADIATOR

EVAPORATOR - air conditioning, See Figure 9-428

1шт.

31

K207865

HOSE

-, Serial Range: evaporator-compressor

1шт.

32

222-995

SEALING WASHER,15.88mm ID

WASHER - copper, hose to evaporator and compressor

2шт.

34

K657017

CLIP

- hose

1шт.

35

K946125

TUBE

SLEEVE - nylon

1шт.

36

614-8014

BOLT,Hex, M8 x 1.25 x 14mm, Cl 8.8, Full Thd

- hex, full threads, 8 - 1.25 x 14 mm

1шт.

37

825-1408

NUT,M8, Cl 8

1шт.

38

892-11008

LOCK WASHER,8mm ID

WASHER, LOCK, M8

1шт.

Выбрано товаров: 39