Запчасти Case IH 1594 (2-26) - OIL PUMP, TUBES AND FILTER (02) - ENGINE

Схема запчастей Case IH 1594 - (2-26) - OIL PUMP, TUBES AND FILTER (02) - ENGINE
5
19
11
7
27
37
38
28
4
31
26
42
23
34
13
15
1
40
10
14
17
6
41
3
32
24
18
9
21
39
12
1
29
35
2
33
20
25
30
36
16
22
8
FIT
1:1
100%

Артикул

Название

Примечание

Количество

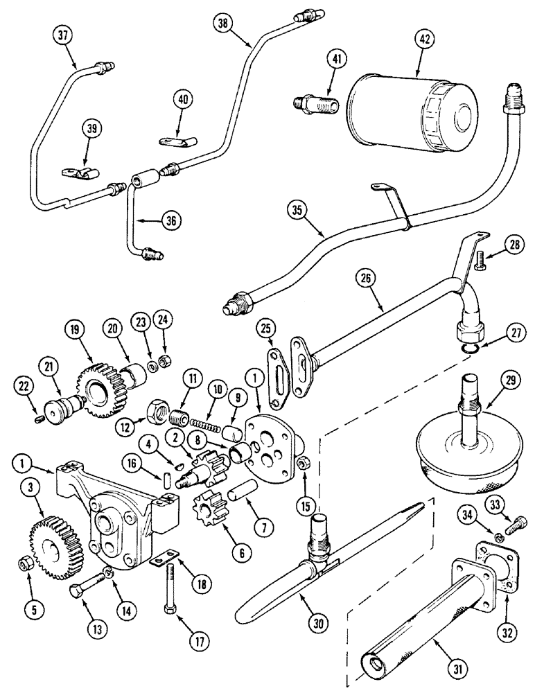
1

K207464

PUMP

ASSEMBLY - engine oil, Includes: Ref. 2 - 15

1шт.

2

K208529

ROTOR

- pump drive

1шт.

3

K947641

GEAR

- drive, 34 teeth

1шт.

4

K19604

KEY

- Woodruff No. 405

1шт.

5

K617303

LOCK NUT

- self-locking, 7/16 inch UNF

1шт.

6

K208530

ROTOR

- driven

1шт.

7

K206624

SHAFT

- driven rotor

1шт.

8

K628762

BUSHING

- body

2шт.

9

K953008

PLUNGER

- flat seat

1шт.

10

K625167

SPRING

- non-return valve

1шт.

11

K206942

SCREW,7/8" - 14 x 3/4"

- adjusting, 7/8 inch UNF

1шт.

12

K617028

NUT

- lock, 7/8 inch UNF

1шт.

13

K600371

BOLT

- 5/16 UNC x 1-13/16 inch

2шт.

13

K600220

BOLT

- 5/16 UNC x 3-3/4 inch

2шт.

14

K19481

SPRING WASHER

WASHER - lock, 5/16 inch

4шт.

15

9635082

NUT,5/16" - 18, Gr 5

- 5/16 inch UNC

4шт.

16

37-1410

DOWEL,1/4" x 5/8"

PIN - hardened dowel, 3/8 x 3/4 inch

2шт.

17

413-536

BOLT,Hex, 5/16" - 18 x 2-1/4", Gr 5

- hex, 5/16 NC x 2-1/4 inch

4шт.

18

K917544

WASHER

- tab, pump bolt

2шт.

19

K204672

GEAR

ASSEMBLY - idler, 29 teeth, Includes: Ref. 20

1шт.

20

K628742

BUSHING

- idler gear

1шт.

21

K204674

SHAFT

- idler gear

1шт.

22

K606000

SCREW,1/4" - 20 x 1/4"

PLUG - 1/4 inch UNC, Order 176-500

1шт.

23

495-21044

WASHER,3/8"

(flat, 7/16 x 1 x 5/64 inch) 3/8"

1шт.

24

131-1326

JAM NUT,Jam, 3/8"-24

NUT - hex, jam, self-locking, 3/8 inch UNF

1шт.

25

K918832

GASKET

- inlet tube

1шт.

26

K206603

PIPE,0.754" OD x 10.531, 3.094" L

TUBE - pump inlet

1шт.

27

238-5210

O-RING,0.139" Thk x 0.734" ID, -210, Cl 5, 75 Duro

1шт.

28

K602803

BOLT

- 5/16 UNC x 3/4 inch

1шт.

29

K202597

FILTER

SCREEN - filter (Two-wheel drive)

1шт.

30

K203516

PIPE,0.629 - 0.754" OD

TUBE - filter screen (MFD)

1шт.

31

K200939

FILTER

SCREEN - filter (MFD)

1шт.

32

K200943

GASKET

- screen (MFD)

1шт.

33

413-514

BOLT,Hex, 5/16" - 18 x 7/8", Gr 5

4шт.

34

K19481

SPRING WASHER

WASHER - lock, 5/16 inch

4шт.

35

K206631

PIPE

TUBE - pump to cylinder block

1шт.

36

K950199

HYD TUBE,0.25" OD x 3.625, 1.406" L

TUBE - valve gear lubrication

1шт.

37

K950197

HYD TUBE,0.25" OD x 14, 6.937" L

TUBE - lubrication, front head

1шт.

38

K950195

HYD TUBE,0.25" OD x 14, 6.937" L

TUBE - lubrication, rear head

1шт.

39

K621712

CLIP

- double

1шт.

40

K621713

CLIP

- single

1шт.

41

K200007

FITTING

CONNECTOR - oil filter

1шт.

42

K200037

FILTER

- oil (Replaces K955687)

1шт.

Выбрано товаров: 43