Запчасти Case IH 1594 (3-44) - FUEL TANKS, TRACTORS WITHOUT CAB (03) - FUEL SYSTEM

Схема запчастей Case IH 1594 - (3-44) - FUEL TANKS, TRACTORS WITHOUT CAB (03) - FUEL SYSTEM
21
7
31
14
38
15
36
29
2
4
1
16
3
37
3
30
27
30
18
6
28
34
10
17
13
14
32
35
5
22
12
25
11
15
19
23
8
33
26
4
9
24
20
FIT
1:1
100%

Артикул

Название

Примечание

Количество

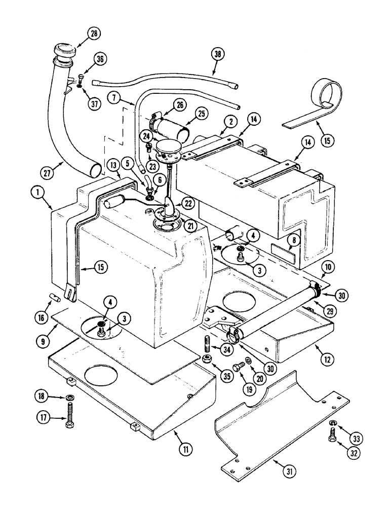
1

K207881

TANK

FUEL TANK - left-hand (Replaces K207652)

1шт.

2

K207882

TANK

FUEL TANK - right-hand (Replaces K207683)

1шт.

2a

K210454

FUEL TANK

- right hand Top fill, (Requires Re-work to filler neck)

1шт.

3

K19591

PLUG

- 1/8 BSP

2шт.

4

K19504

WASHER,9.92mm ID x 14.29mm OD x 2mm Thk

- sealing

2шт.

5

K204027

BREATHER

PLUG - breather, left-hand tank

1шт.

6

K19501

WASHER

WASHER - sealing

1шт.

7

K307365

BREATHER

PIPE - tank, breather, Order also K657015 Clamp

1шт.

8

K957393

PACKING

PAD - rubber, 5 x 1-3/4 x 1/8 inch, Serial Range: tank-frame

3шт.

9

K202713

MAT

PAD - rubber, left tank

1шт.

10

K202714

MAT

PAD - rubber, right tank

1шт.

11

K204565

BRACKET

- support, left-hand tank

1шт.

12

K204564

BRACKET

- support, right-hand tank

1шт.

13

K307266

TANK

STRAP - left-hand tank

2шт.

14

K308489

TANK

STRAP - right-hand tank

2шт.

15

K628233

ADHESIVE

STRIP - packing, 40 x 5 x 570 mm

1шт.

16

K951539

TRUNNION

PIN - tank strap, 1/4 inch UNC

4шт.

17

113-75

BOLT,Hex, 1/4" - 20 x 3", Gr 5, Full Thd

- hex, full threads, 1/4 NC x 3 inch

4шт.

18

K626662

WASHER

- 1/4 inch

4шт.

19

614-8020

BOLT,Hex, M8 x 1.25 x 20mm

- hex, full threads, 8 - 1.25 x 20 mm

4шт.

20

895-11008

WASHER,9mm ID x 16mm OD x 1.6mm Thk

- flat, 9 x 17 x 1.6 mm

4шт.

21

K946159

GASKET

- tank unit

1шт.

22

K262724

TRANSMITTER

TANK UNIT - fuel gauge (Replaces K301062)

1шт.

23

K614965

SCREW

- No. 10 UNF x 5/8 inch

5шт.

24

K304807

COVER

PLUG - tank unit

1шт.

25

K202572

HOSE

- 2-1/4 x 5-1/2 inch (57 x 140 mm)

1шт.

26

214-1444

HOSE CLAMP,58.6mm - 82.5mm

CLAMP, HOSE, , Adj. #44, 2.31/3.25 Type F Worm

2шт.

27

K206819

HOSE

PIPE - filler

1шт.

28

K304590

CAP

- filler (Replaces K901983)

1шт.

29

K203515

FUEL HOSE

HOSE - 1-3/8 x 20-1/4 inch (35 x 514 mm)

1шт.

29

K207884

PIPE

- tank balance

1шт.

30

214-1428

HOSE CLAMP,#28, 1.31" - 2.25", Type F Worm

CLAMP, HOSE, , Adjustable #28, 1.31/2.25 Type F Worm

2шт.

31

K308507

GUARD

- connecting hose (Replaces K207885)

1шт.

32

K603140

SCREW

BOLT - 1/2 UNC x 1-1/8 inch

6шт.

33

K626345

LOCK WASHER

WASHER - lock, 1/2 inch

6шт.

34

K608610

STUD

- 5/8 UNC x 2-1/2 inch

6шт.

35

K607306

NUT

- self-locking, 5/8 inch UNC

6шт.

36

K602736

SCREW

BOLT - 1/4 UNC x 7/8 inch

1шт.

37

492-11025

LOCK WASHER,1/4"

WASHER, LOCK, 1/4"

1шт.

38

K206566

PIPE

- breather

1шт.

Выбрано товаров: 40