Запчасти Case IH 1594 (5-098) - STEERING COLUMN AND VALVE, TRACTORS WITHOUT CAB (05) - STEERING

Схема запчастей Case IH 1594 - (5-098) - STEERING COLUMN AND VALVE, TRACTORS WITHOUT CAB (05) - STEERING
3
6
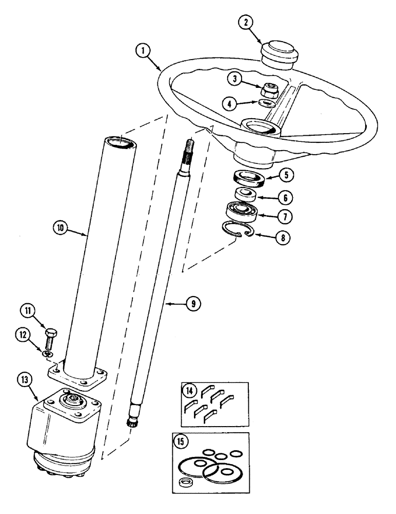
1
2
14
9
15
7
10
12
8
4
11
13
5
FIT
1:1
100%

Артикул

Название

Примечание

Количество

1

K949446

HANDWHEEL

WHEEL - steering

1шт.

2

K262737

CAP

- hub, Order also K691285 Seal

1шт.

3

231-1448

NUT,1/2"-13, GB

- hex, self-locking, 1/2 inch NC

1шт.

4

K626686

WASHER

- flat, 1/2 inch (13 mm)

1шт.

5

K623479

WASHER

- felt, 1/2 inch (13 mm) ID

1шт.

6

K627103

BUSHING

SPACER - bearing

1шт.

7

465004R91

BEARING ASSY,0.6693" ID x 1.5748" OD x 0.4724"

- disc

1шт.

8

K11911

RING, SNAP

RING - snap, 1-5/8 inch (41 mm) internal

2шт.

9

K201585

SHAFT

- steering, 14-1/4 inch (362 mm)

1шт.

10

K201581

FLANGE

COLUMN - steering, 11-7/16 inch (291 mm)

1шт.

11

K600403

BOLT

- 3/8 UNC x 1-3/8 inch

4шт.

12

492-11038

LOCK WASHER,3/8"

4шт.

13

K207419

VALVE

ASSEMBLY - steering (Orbitrol OSPC-125-ON), Includes: Ref. 14 & 15

1шт.

14

1272809C1

PACKAGE

KIT - spring, set of four

1шт.

15

1500443C91

SEAL KIT

KIT - service

1шт.

Выбрано товаров: 15