Запчасти Case IH 1594 (5-106) - STEERING COLUMN AND VALVE, POWER STEERING, TRACTORS WITH CAB (05) - STEERING

Схема запчастей Case IH 1594 - (5-106) - STEERING COLUMN AND VALVE, POWER STEERING, TRACTORS WITH CAB (05) - STEERING
12
19
1
25
15
17
26
5
31
18
24
29
4
3
20
30
28
7
22
2
6
8
21
14
27
13
11
23
9
16
FIT
1:1
100%

Артикул

Название

Примечание

Количество

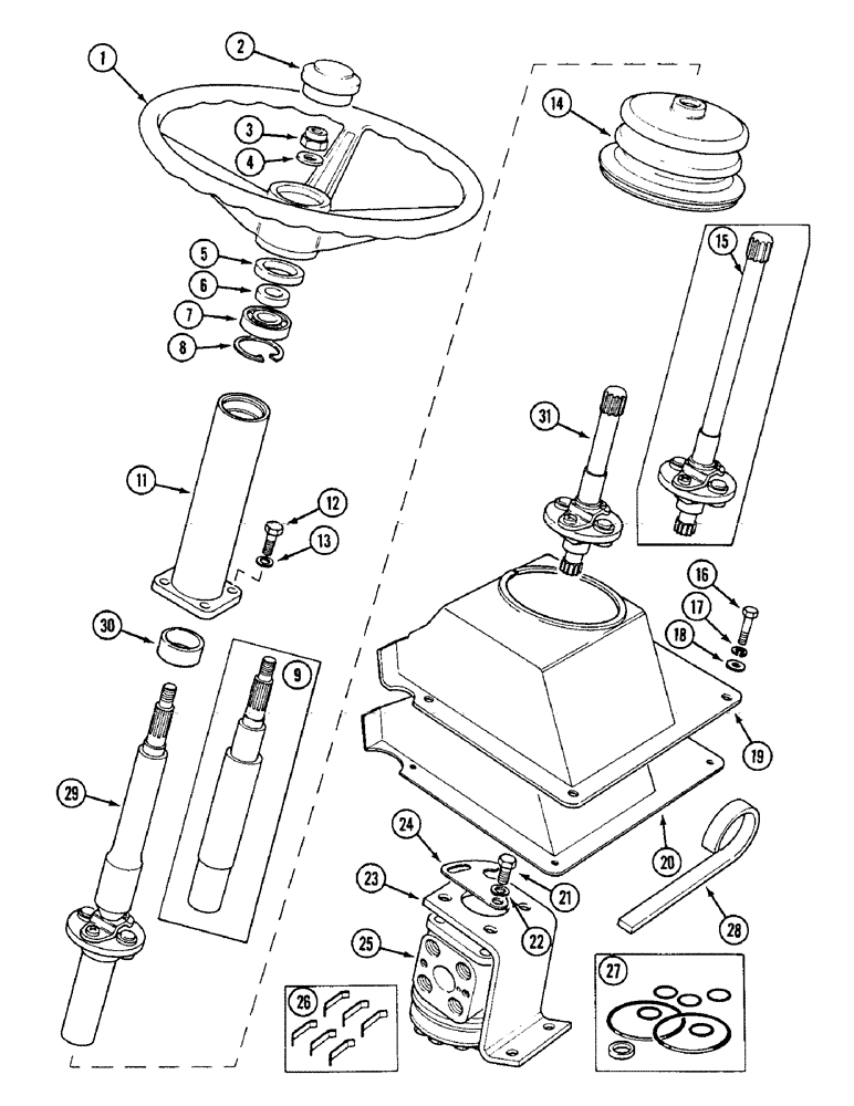
1

K949446

HANDWHEEL

WHEEL - steering

1шт.

2

K262737

CAP

- wheel, Order also K691285 Seal

1шт.

3

231-1448

NUT,1/2"-13, GB

- hex, self-locking, 1/2 inch NC

1шт.

4

K626686

WASHER

- flat, 1/2 inch (13 mm)

1шт.

5

K623479

WASHER

- felt, 1/2 inch (13 mm) ID

1шт.

6

K627103

BUSHING

SPACER - bearing

1шт.

7

465004R91

BEARING ASSY,0.6693" ID x 1.5748" OD x 0.4724"

- disc

1шт.

8

K11911

RING, SNAP

RING - snap, 1-5/8 inch (41 mm) internal

2шт.

9

K307289

SHAFT

- steering wheel

1шт.

11

K307276

FLANGE

COLUMN - steering

1шт.

12

513-2704

BOLT

- 10 x 22 mm

4шт.

13

892-11010

LOCK WASHER,M10

4шт.

14

K307333

BELLOWS

COVER - coupling

1шт.

15

REF

INSTRUCTION

COUPLING - (Prior to P.I.N. 11526146), Order K310452 and K310453

1шт.

16

K650814

BOLT

- M6 x 30 mm

4шт.

17

892-11006

LOCK WASHER,M6

WASHER, LOCK, M6

4шт.

18

K651903

WASHER

- special, 6 mm

3шт.

19

K307857

COVER

- insulating

1шт.

20

K307714

COVER

- steering valve

1шт.

21

413-614

BOLT,Hex, 3/8" - 16 x 7/8", Gr 5

6шт.

22

492-11038

LOCK WASHER,3/8"

6шт.

23

K307420

BRACKET

- steering, valve

1шт.

24

K307274

WASHER

PLATE - retaining

1шт.

25

K207419

VALVE

ASSEMBLY - steering, Includes: Ref. 26 & 27

1шт.

26

K964517

PLATE

SPRING - centering, set of six

1шт.

27

1500443C91

SEAL KIT

KIT - service

1шт.

28

K777030

FOAM

STRIP - sealing, 8 x 15 mm

1шт.

29

K310453

SHAFT

COUPLING AND SPINDLGE - upper (P.I.N. 11526146 and after)

1шт.

30

K655460

BUSHING

- column (P.I.N. 11526146 and after)

1шт.

31

K310452

COUPLING, BREAK AWAY

COUPLING AND SPINDLE - lower (P.I.N. 11526146 and after)

1шт.

Выбрано товаров: 30