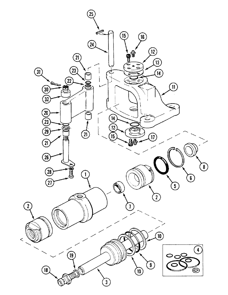
Запчасти Case IH 1594 (5-116) - TRANSVERSE STEERING CYLINDER, TWO-WHEEL DRIVE TRACTORS (05) - STEERING

Схема запчастей Case IH 1594 - (5-116) - TRANSVERSE STEERING CYLINDER, TWO-WHEEL DRIVE TRACTORS (05) - STEERING
8
16
15
31
26
17
14
13
32
12
11
21
27
3
28
10
9
24
5
12
29
30
19
10
2
18
15
22
23
4
7
1
14
21
2
21
6
23
20
25
FIT
1:1
100%

Артикул

Название

Примечание

Количество

K207771

CYLINDER

ASSEMBLY, Includes: Ref. 1 - 10

1шт.

1

K948602

TUBE

CASE - steering cylinder

1шт.

2

K207730

SLEEVE

2шт.

3

K205660

ROD

PISTON AND ROD

1шт.

4

REF

INSTRUCTION

SEAL PACK - steering cylinder, Order components, Includes: Ref. 5 - 10

1шт.

5

K628886

O-RING

- 2-3/8 inch (60 mm) ID

2шт.

6

K24302

RING, SNAP

RING - snap, 2-3/4 inch (70 mm) Internal

2шт.

7

K628133

SEAL

- oil, 1-1/8 inch (29 mm) ID

2шт.

8

K623458

WIPER SEAL

SEAL - wiper, 1-1/8 inch (29 mm) ID

2шт.

9

K628886

O-RING

- 2-3/8 inch (60 mm) ID

1шт.

10

K628064

WASHER,60.33mm ID x 69.85mm OD x 1.83mm Thk

RING - back-up, 2-3/8 inch (60 mm) ID

2шт.

11

K948584

FORK

- anchor

1шт.

12

K948604

PIN

PEG - ball

2шт.

13

K945890

SHIM

- 0.002 inch (0.05 mm)

1шт.

13

K945891

SHIM

- 0.005 inch (0.13 mm)

1шт.

13

K955215

SHIM,.010" Thk

(0.25 mm) .010" Thk

1шт.

13

K955216

SHIM,.020" Thk

(0.51 mm) .020" Thk

1шт.

14

K623660

RING,21.97mm ID x 29.23mm OD x 3.63mm Thk

- sealing, 7/8 inch (22 mm) ID

2шт.

15

K616717

SCREW

- 5/16 inch UNF

4шт.

16

K948621

VALVE

- relief, 1/8 inch BSP

1шт.

17

219-1

LUBE NIPPLE,1/8" - 27 NPTF

FITTING - grease, straight, 1/8 PT x 21/32 inch

1шт.

18

K626095

FITTING

UNION - 3/4 inch UNF

2шт.

19

K948565

WASHER

- spacing, 0.185 inch (4.70 mm)

1шт.

19

K948566

WASHER

- spacing, 0.189 inch (4.80 mm)

1шт.

19

K948567

WASHER

- spacing, 0.195 inch (5.00 mm)

1шт.

19

K948643

WASHER

- spacing, 0.201 inch (5.10 mm)

1шт.

20

K948540

LINK

- pivot, Includes: Ref. 21

1шт.

21

K628741

BUSHING

- link

4шт.

22

238-6114

O-RING,0.103" Thk x 0.612" ID, -114, Cl 6, 90 Duro

2шт.

23

238-5016

O-RING,0.07" Thk x 0.614" ID, -16, Cl 5, 75 Duro

-016, 70 Duro, .614" ID x .070" Thk

4шт.

24

K948542

PIVOT PIN

PIN - pivot

1шт.

25

K690732

SPRING

PIN - 3/16 x 1-3/4 inch

1шт.

26

K948543

PIN

- pivot

1шт.

27

413-510

BOLT,Hex, 5/16" - 18 x 5/8", Gr 5

- hex, 5/16 NC x 5/8 inch

1шт.

28

K19481

SPRING WASHER

WASHER - lock, 5/16 inch

1шт.

29

K626961

SHIM,.005" Thk

Idler shaft .005" Thk

2шт.

30

25-198

SLOTTED NUT,1/2"-20, G5, Thk

NUT - 1/2 inch

1шт.

31

K19537

PIN

- cotter, 1/8 x 1-1/8 inch

1шт.

32

K205429

BUSHING

SPACER - pivot pin

1шт.

Выбрано товаров: 39