Запчасти Case IH 1594 (5-136) - FRONT AXLE HALF- SHAFTS, MFD TRACTORS, PRIOR TO P.I.N. 11221501 (05) - STEERING

Схема запчастей Case IH 1594 - (5-136) - FRONT AXLE HALF- SHAFTS, MFD TRACTORS, PRIOR TO P.I.N. 11221501 (05) - STEERING
6
17
4
7
15
6
9
16
6
5
14
11
1
6
6
2
16
17
3
8
10
3
15
13
6
FIT
1:1
100%

Артикул

Название

Примечание

Количество

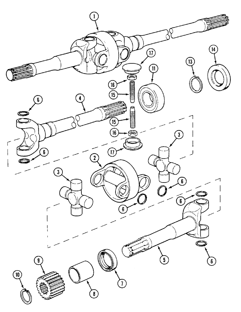
1

K261974

SHAFT

ASSEMBLY - half (Carraro 116838), Includes: Ref. 2 - 6

2шт.

2

K260190

JOINT

HOUSING - joint (Carraro 96866)

1шт.

3

K260189

JOINT

UNIVERSAL JOINT - axle shaft (Carraro 96861)

2шт.

4

K260191

SHAFT ASSY.

HALF SHAFT - long (Carraro 96880)

1шт.

5

K260192

SHAFT ASSY.

HALF SHAFT - short (Carraro 96881/1)

1шт.

6

K260188

RING, SNAP

RING - snap (Carraro 97534)

8шт.

7

N8897

OIL SEAL

SEAL - oil (Prior to axle DB15/2460), Order also N8892 Sleeve

2шт.

7

N8897

OIL SEAL

SEAL - oil (Carraro 118675) (Axle DB15/2460 and after)

2шт.

8

E43782

BUSHING

- short shaft

2шт.

9

K956915

GEAR WHEEL

GEAR - shaft

2шт.

10

800-1135

SNAP RING,M35, Ext

2шт.

11

K965333

BALL BEARING,40mm ID x 80mm OD x 23mm W

BEARING - shaft (Carraro 26024)

2шт.

13

800-1140

SNAP RING,M40, Ext

2шт.

14

K965335

OIL SEAL,40mm ID x 72mm OD x 10mm Thk

- oil (Carraro 25193)

2шт.

15

K965232

BOLT,M10 x 1.25 x 35mm, Cl 10.9

SCREW - bearing locating (Carraro 95952)

4шт.

16

825-1414

NUT,M14, Cl 8

- hex, 14 mm

4шт.

17

K260135

PLUG

- axle housing (Carraro 107811)

4шт.

Выбрано товаров: 0