Запчасти Case IH 1594 (6-152) - INDEPENDENT CLUTCH ASSEMBLY (06) - POWER TRAIN

Схема запчастей Case IH 1594 - (6-152) - INDEPENDENT CLUTCH ASSEMBLY (06) - POWER TRAIN
31
12
28
16
7
12
17
38
18
10
23
30
33
12
21
25
22
8
11
9
29
1
3
20
13
17
36
34
15
19
5
6
24
2
32
4
37
14
27
35
26
FIT
1:1
100%

Артикул

Название

Примечание

Количество

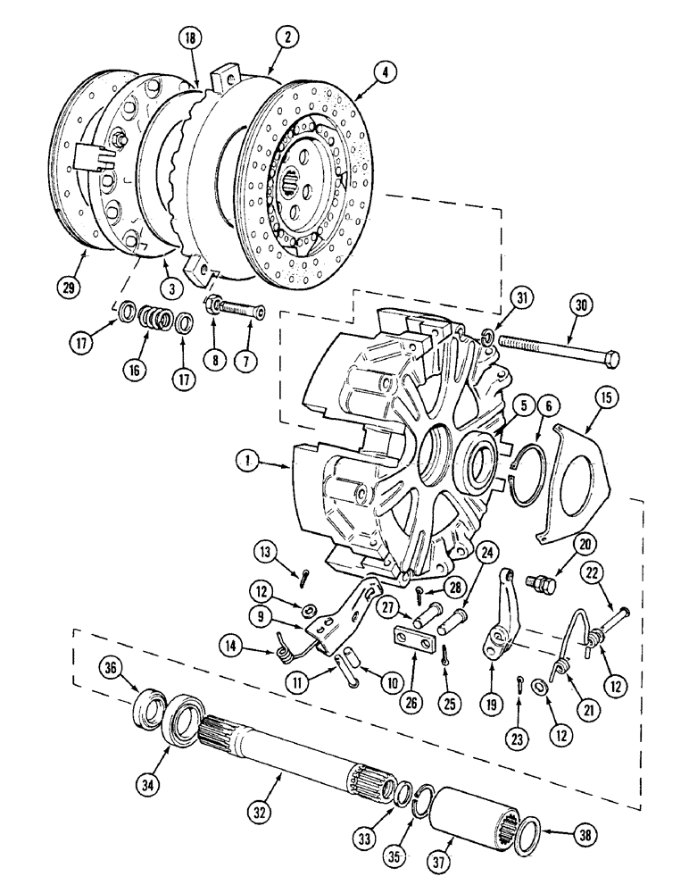
K202825

CLUTCH ASSEMBLY

- dual, Includes: Ref. 1 - 28

1шт.

K202825R

REMAN-CLUTCH PLATE

1594 CASE DIESEL TRACTOR, PLATE ASSEMBLY - driven, 12 inch PTO, (10 splines), Includes: facings (1/83-12/87)

1шт.

K202825C

CORE-CLUTCH PLATE

Return Number

1шт.

1

NSS

NOT SOLD SEPARAT

COVER - clutch

1шт.

2

K955007

PLATE, THRUST

PLATE - pressure, transmission

1шт.

3

NSS

NOT SOLD SEPARAT

PLATE - pressure, PTO

1шт.

4

1539056C1

CLUTCH DISC

PLATE ASSEMBLY - driven, 12 inch transmission, Includes: facings

1шт.

K260115

FACING

S - Durasint S214, and rivets

1шт.

5

554553R91

BALL BEARING,45mm ID x 75mm OD x 16mm W

- cover

1шт.

6

800-2175

SNAP RING,M75, Int

RING - snap, clutch cover

1шт.

7

K947045

BOLT

SCREW - adjusting, Set of three

1шт.

8

K947042

NUT

- lock, adjusting screw

3шт.

9

K206748

LEVER

- release transmission, Set of three

1шт.

10

K947046

ROLLER

- release lever

3шт.

11

K947044

PIN

- pivot, roller

3шт.

12

K947036

WASHER

- pivot pin

3шт.

13

K947035

COTTER PIN

PIN - cotter

3шт.

14

K206749

SPRING

- transmission lever

3шт.

15

K206750

PLATE

- transmission release lever

1шт.

16

K951917

SPRING

- thrust, pink

12шт.

17

1539029C1

WASHER

WASHER - insulating

24шт.

18

K952509

BELLEVILLE SPRING

SPRING - thrust, Belleville

1шт.

19

K947057

LEVER

- release

3шт.

20

K963626

LOCK NUT,M10 x 1.25 x 30mm, Cl 10.9

SCREW - adjusting, with locknut

3шт.

21

K947037

SPRING

- PTO

3шт.

22

K947058

PIVOT PIN

PIN - pivot, PTO lever

3шт.

12

K947036

WASHER

- pivot pin

6шт.

23

K947035

COTTER PIN

PIN - cotter

3шт.

24

K947060

PIN

- pivot, PTO lever

3шт.

25

432-68

COTTER PIN,3/32" x 1/2"

PIN, SPLIT (COTTER), 3/32" x 1/2"

3шт.

26

K947059

LINK

- PTO, Set of three

1шт.

27

K947041

PIN

- pivot, PTO pressure plate

3шт.

28

432-68

COTTER PIN,3/32" x 1/2"

PIN, SPLIT (COTTER), 3/32" x 1/2"

3шт.

29

1539028C1

CLUTCH DISC,301mm OD

PLATE ASSEMBLY - driven, 12 inch PTO, (10 splines), Includes: facings

1шт.

29

1539028C1R

REMAN-CLUTCH DISC

1594 Disesel

1шт.

29

1539028C1C

CORE-CLUTCH DISC

Return Number

1шт.

1539047C1

FACING, CLUTCH

FACINGS - F30C and rivets

1шт.

30

413-668

BOLT,Hex, 3/8" - 16 x 4-1/4", Gr 5

- hex, 3/8 NC x 4-1/4 inch

6шт.

31

492-11038

LOCK WASHER,3/8"

6шт.

32

K202057

SHAFT

DRIVESHAFT - clutch (Synchromesh) (17 & 10 splines)

1шт.

33

K623485

SEAL

- oil, 1-1/4 x 1-7/8 x 3/8 inch (32 x 48 x 10 mm)

1шт.

34

G10418

BEARING, BALL

BEARING - ball (Synchromesh)

1шт.

35

100-11250

SNAP RING,#250, Ext

Ring, Snap, (Synchromesh) #250, Ext

1шт.

36

K623483

OIL SEAL

- oil, 50 x 70 x 10 mm (Synchromesh)

1шт.

37

K202061

COUPLING, BREAK AWAY

COUPLING - shaft (Synchromesh)

1шт.

38

K902106

SHIM,.032" Thk

(0.813 mm) (Synchromesh) .032" Thk

1шт.

Выбрано товаров: 46