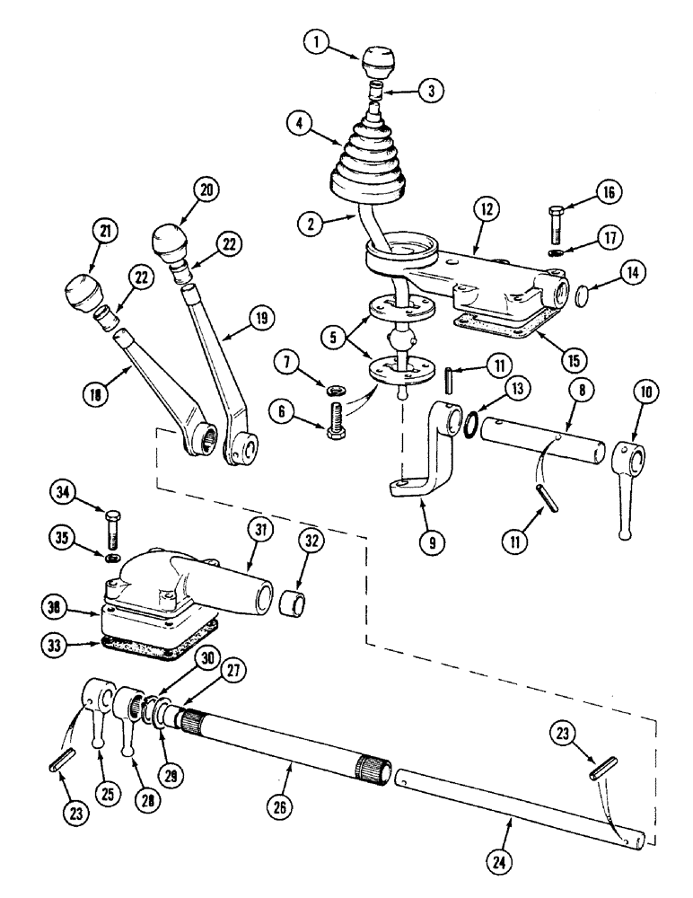
Запчасти Case IH 1594 (6-162) - GEAR SHIFT LEVERS - SYNCHROMESH, TRACTORS WITHOUT CAB (06) - POWER TRAIN

Схема запчастей Case IH 1594 - (6-162) - GEAR SHIFT LEVERS - SYNCHROMESH, TRACTORS WITHOUT CAB (06) - POWER TRAIN
19
23
10
8
26
4
9
17
12
34
33
24
14
6
13
25
16
21
11
30
20
32
22
36
31
23
11
22
7
35
29
28
2
1
5
18
3
27
15
FIT
1:1
100%

Артикул

Название

Примечание

Количество

1

K207409

BUTTON

KNOB - gear lever

1шт.

2

K206925

LEVER

Gear

1шт.

3

K628472

RING

Retaining, Serial Range: knob-lever

1шт.

4

K950494

RUBBER

COVER - gear lever

1шт.

5

K200162

SPACER

HOUSING - ball

2шт.

6

K966404

SCREW

BOLT - 1/4 x 1-1/8 inch

4шт.

7

492-11025

LOCK WASHER,1/4"

4шт.

8

K200160

SHAFT

Selector

1шт.

9

K200161

LEVER

ARM - selector shaft

1шт.

10

K202078

SELECTOR

LEVER

1шт.

11

617938R1

PIN,5/16" x 1 3/8", Coiled

(Replaces K633778)

2шт.

12

K200159

GEAR

HOUSING - selector shaft

1шт.

13

K623630

SEAL

Oil, 7/8 inch (22 mm) ID

1шт.

14

41-16

PLUG,Exp, 1"

Housing

1шт.

15

K950543

GASKET,0.2mm Thk

Housing

1шт.

16

K600205

BOLT

5/16 UNC x 1-1/2 inch

4шт.

17

K19481

SPRING WASHER

5/16 inch

4шт.

18

K202255

LEVER

SPARE PART Hand, high-low

1шт.

19

K202257

LEVER

Hand, slow-normal

1шт.

20

K207408

KNOB

Lever, slow-normal

1шт.

21

K206712

KNOB

Lever, high-low

1шт.

22

K628472

RING

Retaining, Serial Range: knob-lever

2шт.

23

38-31624

ROLL PIN,1/4" x 1 1/2", Coiled

2шт.

24

K200198

SHAFT

Selector, slow-normal

1шт.

25

K950370

SELECTOR

LEVER, slow-normal

1шт.

26

K200199

SHAFT

SPARE PART TUBE - selector, high-low

1шт.

27

K621303

BUSHING

, Serial Range: Shaft-tube

2шт.

28

K950371

SELECTOR

LEVER, high-low

1шт.

29

K950002

BUSHING

WASHER - 1 inch (25 mm)

1шт.

30

K11128

CIRCLIP

1 inch (25 mm) OD

1шт.

31

K950000

HOUSING

Gear change

1шт.

32

K628750

BUSHING

Housing

1шт.

33

K950543

GASKET,0.2mm Thk

Housing

2шт.

34

K600217

BOLT

5/16 UNC x 3 inch

4шт.

35

K19481

SPRING WASHER

5/16 inch

4шт.

36

K950754

BUSHING

SPACER - housing

1шт.

Выбрано товаров: 36