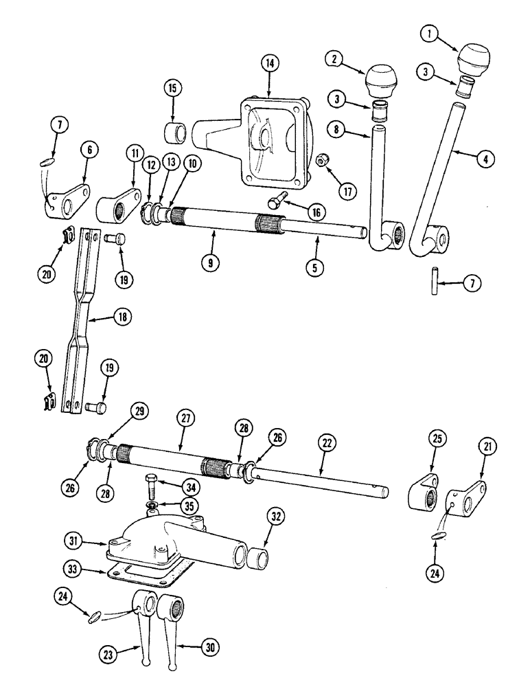
Запчасти Case IH 1594 (6-166) - RANGE SHIFT LEVERS - SYNCHROMESH, TRACTORS WITH CAB (06) - POWER TRAIN

Схема запчастей Case IH 1594 - (6-166) - RANGE SHIFT LEVERS - SYNCHROMESH, TRACTORS WITH CAB (06) - POWER TRAIN
31
3
17
16
34
12
2
7
28
29
20
30
9
19
19
35
5
8
14
25
23
4
21
28
20
7
24
27
15
13
32
3
24
22
26
18
1
11
10
26
33
6
FIT
1:1
100%

Артикул

Название

Примечание

Количество

1

K206712

KNOB

- lever, high-low

1шт.

2

K207408

KNOB

- lever, slow-normal

1шт.

3

K628472

RING

- retaining, Serial Range: knob-lever

2шт.

4

K204886

LEVER

- hand, high-low

1шт.

5

K204893

SHAFT

SPINDLE - lever

1шт.

6

L204881

LEVER - spindle

1шт.

7

K623726

PIN

- roll, 1/4 x 1-1/2 inch

2шт.

8

K204889

LEVER

- hand, slow-normal

1шт.

9

K204892

SHAFT

- hand lever

1шт.

10

K621303

BUSHING

-, Serial Range: shaft-tube

2шт.

11

K204880

LEVER

- actuating

1шт.

12

K11128

CIRCLIP

RING - snap, 1 inch (25 mm) OD

2шт.

13

K950002

BUSHING

WASHER - 1 inch (25 mm)

1шт.

14

K950000

HOUSING

- gear change

1шт.

15

K628750

BUSHING

- housing

1шт.

16

413-528

BOLT,Hex, 5/16" - 18 x 1-3/4", Gr 5

- hex, 5/16 NC x 1-3/4 inch

4шт.

17

131-39

NUT,1"-14

NUT - thin hex, self-locking, 1/4 inch

4шт.

18

K305576

ROD

- connecting

2шт.

19

K625934

PIN

- clevis, 3/8 x 3/4 inch

4шт.

20

K625041

CLIP

- retaining

4шт.

21

K204881

LEVER

- spindle

1шт.

22

K204893

SHAFT

SPINDLE - lever

1шт.

23

K206371

BRACKET

LEVER - selector, slow-normal

1шт.

24

K623726

PIN

- roll, 1/4 x 1-1/2 inch

2шт.

25

K204880

LEVER

- actuating

1шт.

26

K11128

CIRCLIP

RING - snap, 1 inch (25 mm) OD

2шт.

27

K204892

SHAFT

- hand lever

1шт.

28

K621303

BUSHING

-, Serial Range: shaft-tube

2шт.

29

K950002

BUSHING

WASHER - 1 inch (25 mm)

1шт.

30

K206370

BRACKET

LEVER - selector, high-low

1шт.

31

K950000

HOUSING

- gear change

1шт.

32

K628750

BUSHING

- housing

1шт.

33

K950543

GASKET,0.2mm Thk

- housing

1шт.

34

K600205

BOLT

- 5/16 UNC x 1-1/2 inch

4шт.

35

K19481

SPRING WASHER

WASHER - lock, 5/16 inch

4шт.

Выбрано товаров: 35