Запчасти Case IH 1594 (6-174) - GEARBOX HOUSING - FRONT, POWER SHIFT (06) - POWER TRAIN

Схема запчастей Case IH 1594 - (6-174) - GEARBOX HOUSING - FRONT, POWER SHIFT (06) - POWER TRAIN
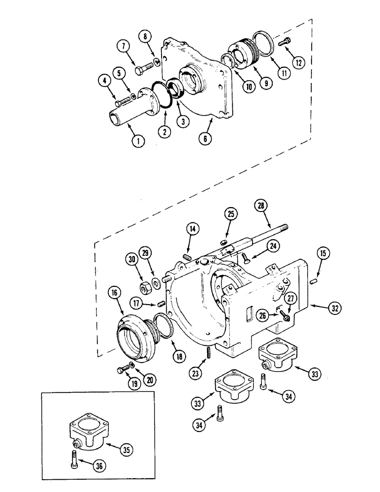
29
1
23
15
7
4
28
8
34
18
27
17
11
14
35
5
20
34
2
12
33
36
9
25
32
10
3
19
26
33
30
16
24
6
FIT
1:1
100%

Артикул

Название

Примечание

Количество

1

K200351

SUPPORT

SUPPORT - clutch release bearing

1шт.

2

238-5234

O-RING,0.139" Thk x 2.984" ID, -234, Cl 5, 75 Duro

O-RING, -234, 70 Duro, 2.984" ID x .139" Thk

2шт.

2

K623542

O-RING,0.21" Thk x 2.725" ID, -335, Cl 5, 75 Duro

O-RING - 2-3/4 ID x 1/8 inch wide

2шт.

3

K623415

SEAL

SEAL - oil, 46 x 65 x 10 mm

1шт.

4

413-416

BOLT,Hex, 1/4" - 20 x 1", Gr 5

BOLT - hex, 1/4 NC x 1 inch

4шт.

5

492-11025

LOCK WASHER,1/4"

WASHER, LOCK, 1/4"

4шт.

6

K954258

PLATE

PLATE - end, front

1шт.

7

K943635

STEP BOLT

BOLT - 5/16 UNC x 2 inch

2шт.

8

492-11038

LOCK WASHER,3/8"

LOCK WASHER, 3/8"

2шт.

9

K929301

SUPPORT

SLEEVE - support

1шт.

10

K908508

BUSHING

BUSHING

1шт.

11

K917796

RING, PISTON

RING - seal

2шт.

12

K606812

SCREW

SCREW - 1/4 inch UNC

4шт.

14

81-3315

SET SCREW,5/16"-18 x 5/16", Slotted

SCREW - 5/16 x 5/16 inch

1шт.

15

K622912

PIN

DOWEL - 3/8 x 7/8 inch

2шт.

16

K929300

HOUSING

HOUSING

1шт.

17

K606200

SCREW

SCREW - 1/4 UNC x 1/4 inch

1шт.

18

K917796

RING, PISTON

RING - seal

2шт.

19

413-618

BOLT,Hex, 3/8" - 16 x 1-1/8", Gr 5

BOLT, Hex, 3/8"-16 x 1 1/8", G5, Full Thd

4шт.

20

492-11038

LOCK WASHER,3/8"

LOCK WASHER, 3/8"

4шт.

23

K929459

SCREW

SPARE PART SCREW - locating, 5/16 UNF x 1-3/8 inch

2шт.

24

K929460

SCREW,5/16" - 24 x 1 3/8"

SCREW - locating, 5/16 UNF x 1-3/8 inch

4шт.

25

K617051

NUT

NUT - lock, 5/16 inch UNF

4шт.

26

K929458

SCREW

SCREW - locating, 3/8 UNF x 1-3/4 inch

1шт.

27

425-156

JAM NUT,Jam, 3/8"-24, G5

NUT - hex, jam, 3/8 inch NF

1шт.

28

K608410

STUD

STUD - 1/2 UNC x 17-5/8 inch

4шт.

29

K19484

LOCK WASHER

WASHER - lock, 1/2 inch

4шт.

30

K607004

NUT

NUT - hex, 1/2 inch UNC

4шт.

32

K262065

BUSHING

SPACER - two-wheel drive (Replaces K952310), Includes: Ref. 33 & 34

1шт.

32

K262049

HOUSING

SPACER - MFD (Replaces K957444), Includes: Ref. 33 & 34

1шт.

33

K262064

BRAKE

CYLINDER AND PISTON - brake band (P.I.N. 11219488 and after)

2шт.

34

K606841

SCREW

BOLT - 5/16 UNc x 1-3/4 inch (P.I.N. 11219488 and after)

8шт.

35

K965766

BRAKE

CYLINDER AND PISTON - brake band (Prior to P.I.N. 11219488)

2шт.

36

K606843

SCREW

BOLT - 5/16 UNC x 2 inch (Prior to P.I.N. 11219488)

8шт.

Выбрано товаров: 34