Запчасти Case IH 1594 (6-176) - GEARBOX HOUSING - REAR, POWER SHIFT (06) - POWER TRAIN

Схема запчастей Case IH 1594 - (6-176) - GEARBOX HOUSING - REAR, POWER SHIFT (06) - POWER TRAIN
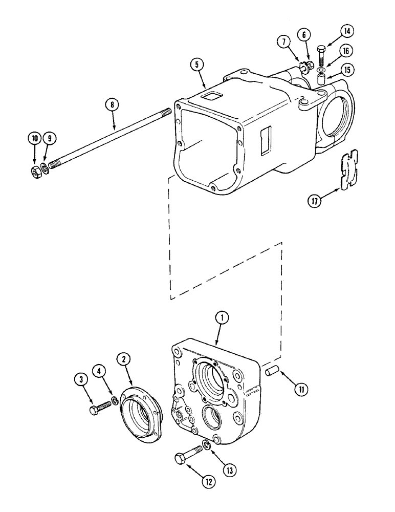
1
12
17
15
5
2
14
7
6
9
8
3
16
4
10
13
11
FIT
1:1
100%

Артикул

Название

Примечание

Количество

1

K940299

PLATE

- end, center (Two wheel drive)

1шт.

1

K952975

PLATE

- end, center (MFD)

1шт.

2

K955333

HOUSING, BEARING

HOUSING - center plate (Two wheel drive) (Replaces K928480)

1шт.

2

K955333

HOUSING, BEARING

HOUSING - center plate (MFD)

1шт.

3

413-618

BOLT,Hex, 3/8" - 16 x 1-1/8", Gr 5

6шт.

4

492-11038

LOCK WASHER,3/8"

6шт.

5

K200444

PLATE

HOUSING ASSEMBLY - range gearbox, with bearing caps, Includes: Ref. 6 & 7

1шт.

6

K601242

BOLT

- 5/8 UNC x 3-3/4 inch

4шт.

7

K626389

BEARING WASHER

WASHER - tab, end plate bolt

4шт.

8

K608410

STUD

- 1/2 UNC x 17-5/8 inch

4шт.

9

K19484

LOCK WASHER

WASHER - lock, 1/2 inch

4шт.

10

K607004

NUT

- hex, 1/2 inch UNC

4шт.

11

K622912

PIN

DOWEL - 3/8 x 7/8 inch

2шт.

12

413-652

BOLT,Hex, 3/8" - 16 x 3-1/4", Gr 5

- hex, 3/8 NC x 3-1/4 inch

1шт.

12

K600410

BOLT

- 3/8 UNC x 2-1/4 inch

1шт.

13

492-11038

LOCK WASHER,3/8"

1шт.

14

K601306

BOLT

- 5/8 inch UNC special

2шт.

15

K920656

BUSHING

BUSHING - bolt

2шт.

16

K626239

SHIM,.010" Thk

(0.254 mm) .010" Thk

1шт.

17

K947189

COVER

PLATE - cover

1шт.

Выбрано товаров: 20