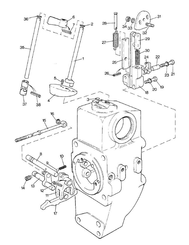
Запчасти Case IH 1690 (K08-1) - CONTROL MECHANISM (07) - HYDRAULICS

Схема запчастей Case IH 1690 - (K08-1) - CONTROL MECHANISM (07) - HYDRAULICS
3
38
10
18
37
29
20
1
8
32
12
30
5
25
7
31
16
14
19
15
22
36
33
24
11
17
6
4
26
27
23
9
34
28
21
35
13
2
FIT
1:1
100%

Артикул

Название

Примечание

Количество

1

K928280

ROD

- selector

1шт.

2

K24554

O-RING

- 3/8", ID

1шт.

3

K923237

SKID/SHOE

PAD - breather

1шт.

4

K928282

INDICATOR

PANEL - selector

1шт.

5

K614943

SCREW

- no. 10 UNF

2шт.

6

K947405

KNOB

POINTER - selector

1шт.

7

K623926

PIN - roll, 1/8 x 3/4"

1шт.

8

K913160

SELECTOR

SHAFT - selector

1шт.

9

K17063

BALL

- steel, 1/4"

1шт.

10

K24563

SPRING

- pressure

1шт.

11

K942417

SELECTOR

FORK - selector

1шт.

12

K623740

SPLIT PIN/SAFETY PIN

PIN - roll, 3/16 x 7/8"

1шт.

13

K913119

ROCKER LEVER

SHAFT - rocker

1шт.

14

K602750

SCREW

- retaining

1шт.

15

K909585

ROD

- connecting

1шт.

16

K621562

RING, SNAP

RING - snap, 3/8"

1шт.

17

K200678

ROCKER LEVER

LEVER - rocker

1шт.

18

K944541

GUIDE

BRACKET - guide

1шт.

19

K600206

BOLT

- 5/16 UNC x 1-5/8"

1шт.

20

K19481

SPRING WASHER

WASHER - lock, 5/16"

1шт.

21

K600361

BOLT

- 5/16 UNC x 1-7/8"

1шт.

22

K627019

BUSHING

- actuating lever bolt

1шт.

23

K626682

WASHER

- 5/16"

1шт.

24

K915033

LEVER

- actuating

1шт.

25

K928992

ROD

PUSH ROD - draught control

1шт.

26

K623973

SPRING

PIN - roll, 3/32 x 9/16"

1шт.

27

K624922

SPRING

- tension

1шт.

28

K913776

SPRING

ANCHOR - spring

1шт.

29

K928283

ROD

PUSH ROD - position control

1шт.

30

K625196

SPRING

- tension

1шт.

31

K916587

CAM

- push rod

1шт.

32

K608001

STUD

- 1/4 UNC x 1-1/16"

2шт.

33

K19470

WASHER

- 1/4"

2шт.

34

K607300

NUT

- 1/4 UNC

2шт.

35

K204329

ROD

EXTENSION - control rod

1шт.

36

K302482

GROMMET

- rod

1шт.

37

K204018

JOINT

- universal

1шт.

38

K690976

PIN

- roll, 1/8 x 1"

2шт.

Выбрано товаров: 0