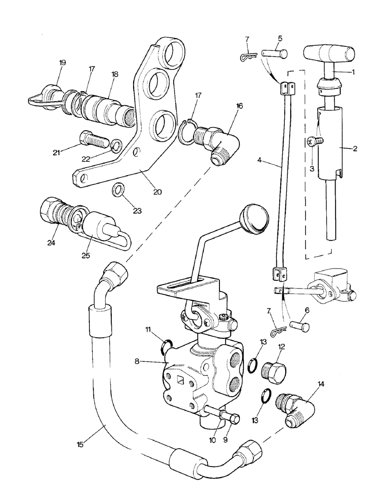
Запчасти Case IH 1690 (K24-1) - THREE WAY VALVE SYSTEM, HIGH PLATFORM, CAB, LOW PROFILE (07) - HYDRAULICS

Схема запчастей Case IH 1690 - (K24-1) - THREE WAY VALVE SYSTEM, HIGH PLATFORM, CAB, LOW PROFILE (07) - HYDRAULICS
13
16
12
22
13
18
6
4
3
19
20
21
15
9
5
7
1
14
17
8
2
25
7
10
17
24
11
23
FIT
1:1
100%

Артикул

Название

Примечание

Количество

UK5300

VALVE

CONTROLS - three-way valve (High Platform, Cab), Includes Ref. 1 - 6

1шт.

1

K202246

VALVE

LEVER - hand (High Platform, Cab)

1шт.

2

K202250

TUBE

- lever (High Platform, Cab)

1шт.

3

K605602

SCREW

- 1/4 UNC x 5/16" (High Platform, Cab)

2шт.

4

K202396

ROD

- connecting (High Platform, Cab)

1шт.

5

K625963

PIN

CLEVIS PIN - 1/4 x 1" (High Platform, Cab)

1шт.

6

K950865

CLIP

- spring, clevis pin (High Platform, Cab)

2шт.

UK4343

VALVE

UNIT - three way (Low Profile)

1шт.

UK4342

VALVE

UNIT - three way (High Platform, Cab)

1шт.

8

K203379

VALVE

- three way, See figure K25 (Low Profile)

1шт.

8

K202568

VALVE

- three way, See figure K25 (High Platform, Cab), Includes Ref. 9 - 23

1шт.

9

K600416

BOLT

- 3/8 UNC x 3"

4шт.

10

K19482

SPRING WASHER

WASHER - lock, 3/8"

4шт.

11

K24556

O-RING,0.734" ID x 1.012" OD x 0.139"

- 3/4" ID

1шт.

12

K948415

PLUG

- 3/4 UNF

1шт.

13

K623589

O-RING

- 5/8", ID

2шт.

14

K622114

FITTING

ELBOW - 3/4 UNF x 90 degree

1шт.

15

K204808

HOSE

PIPE - flexible, 3/4 - 7/8 UNF x 28"

1шт.

16

K622113

FITTING

ELBOW - 7/8 UNF x 90 degree

1шт.

17

K621510

SNAP RING,#150, Ext

Ring, Snap, #150, Ext

2шт.

18

K201770

COUPLING, BREAK AWAY

COUPLING - quick release, tractor half

1шт.

19

K950297

PLUG

DUST COVER - tractor coupling

1шт.

UK4345

BREAKER POINTS

BRACKET UNIT - mounting

1шт.

20

K202578

BRACKET

- coupling support

1шт.

21

K603141

SCREW

SETSCREW - bracket

2шт.

22

K626345

LOCK WASHER

WASHER - lock, 1/2"

2шт.

23

K626686

WASHER

- 1/2"

2шт.

24

K200646

COUPLING, BREAK AWAY

COUPLING QUICK RELEASE - implement half, Includes Ref. 25

1шт.

25

K200645

CAP

DUST COVER - implement coupling

1шт.

Выбрано товаров: 0