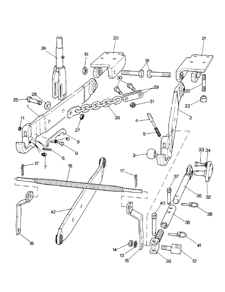
Запчасти Case IH 1690 (L03-1) - LOWER LINKS AND STABILIZERS (09) - IMPLEMENT LIFT

Схема запчастей Case IH 1690 - (L03-1) - LOWER LINKS AND STABILIZERS (09) - IMPLEMENT LIFT
11
24
35
22
40
3
36
41
37
17
18
9
8
38
32
15
26
39
14
21
31
6
17
13
27
20
12
28
19
2
16
25
1
23
29
33
15
4
10
34
42
30
7
5
FIT
1:1
100%

Артикул

Название

Примечание

Количество

1

K201692

LINK

LOWER LINK - left-hand, Jeffes Hook

1шт.

2

K201693

LINK

LOWER LINK - right-hand, Jeffes Hook, Includes Ref. 3 - 11

1шт.

3

K65663

BALL

- pivot

1шт.

4

K201723

PIN

- retaining

1шт.

5

K201724

SPRING

- tension

1шт.

6

K201725

PIN

- roll, 1/4 x 1-9/16"

1шт.

7

K201726

FITTING

GREASE FITTING - 1/4 BSF

1шт.

8

K201727

LEVER

RELEASE LEVER - left-hand link

1шт.

8

K201728

LEVER

RELEASE LEVER - right-hand link

1шт.

9

K201729

BOLT

- 5/16 Whit, special

1шт.

10

K201730

SPRING

WASHER - lock, 7/16"

1шт.

11

K201731

NUT

- 5/16 Whit, self locking

1шт.

12

K201238

BRACKET

ANCHOR - 7/8 UNC

2шт.

13

K11713

WASHER

- lock, 7/8"

2шт.

14

K607008

NUT

- 7/8 UNC

2шт.

15

K201797

BRACKET

- coupler

2шт.

16

K201796

COUPLING

COUPLER - adjustable

1шт.

17

K201794

SPRING

PIN - cotter

2шт.

18

K612065

BOLT

- 1-1/8 UNF x 5"

2шт.

19

K617595

LOCK NUT

- 1-1/8" UNF, self-locking

2шт.

20

K201526

BRACKET

HITCH BRACKET - left-hand

1шт.

21

K201529

BRACKET

HITCH BRACKET - right-hand

1шт.

22

K608703

STUD

- 3/4 UNC/UNF x 4"

8шт.

23

K617176

NUT

- 3/4 UNF, special

8шт.

24

K201549

FORK

ADJUSTING NUT - See page L2

2шт.

25

K201540

PIN

BOLT - 7/8 UNC, special

2шт.

26

K201541

DISC

COLLAR - link

2шт.

27

K607465

NUT

- 7/8 UNC, self-locking

2шт.

28

K201537

CHAIN (AG)

CHAIN - check

2шт.

29

K201539

PLATE

- connecting

4шт.

30

K601204

BOLT

- 5/8 UNC x 2"

4шт.

31

K607463

NUT

- 5/8 UNC, self-locking

4шт.

UK4604

LINKAGE

STABILIZER UNIT - linkage, Includes Ref. 32 - 41

1шт.

32

K949764

SUPPORT

BRACKET - left-hand

1шт.

32

K949765

SUPPORT

BRACKET - right-hand

1шт.

33

K603276

SCREW

BOLT - 5/8 UNC x 1-7/8"

6шт.

34

K19485

WASHER

- lock, 5/8"

6шт.

35

K949766

BALL JOINT

HOUSING - ball

2шт.

36

K201897

TURNBUCKLE

- stabilizer

2шт.

37

K949770

LOCK PIN

PIN - locking

2шт.

38

K66408

PIN

AND RING - linch

4шт.

39

K949772

FORK

SHAFT - yoke

2шт.

40

K912936

PIN

- link

2шт.

41

K920359

PIN

AND RING - linch

2шт.

42

K203144

LINK

LOWER LINKS - left and right-hand

2шт.

Выбрано товаров: 0