Запчасти Case IH 1690 (P02-1) - 4 POST PROTECTIVE FRAME, ELECTRICAL COMPONENTS (10) - OPERATORS PLATFORM/CAB

Схема запчастей Case IH 1690 - (P02-1) - 4 POST PROTECTIVE FRAME, ELECTRICAL COMPONENTS (10) - OPERATORS PLATFORM/CAB
8
6
10
1
1
11
5
1
4
1
7
3
14
12
1
13
2
9
1
FIT
1:1
100%

Артикул

Название

Примечание

Количество

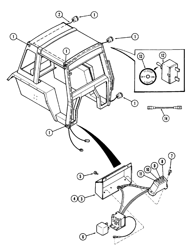
1

F64468

BUSHING

- terminal (Sims A-600-1848)

6шт.

2

A167353

HARNESS

- wiring open ROPS (Sims D-1700-1718)

1шт.

3

A167354

COVER

ASSEMBLY - welded fuse (Sims A-1300-1630)

1шт.

4

B17410

PAINT

- power white (Sims 600-1143)

1шт.

5

187-1088

SELF-TAP SCREW,Hex Wash Hd, #10 x 1/2"

SCREW - hex head self tap (#10 x 1/2) (Sims 18-02-04-72)

2шт.

6

A147176

RELAY

- plug-in module (Sims A-600-1874)

1шт.

7

187-331

SELF-TAP SCREW,Slotted Pan Hd, #10 x 3/4"

SCREW - pan head self tap (#10-16 x 3/4) (Sims 18-01-06-71)

3шт.

8

REF

INSTRUCTION

OPTIONAL WIPER - (Open circuit) (Sims Ref)

1шт.

9

A149800

FUSE,10 Amp

- 10 amp. rear floods (Sims A-600-1876)

1шт.

10

A149800

FUSE,10 Amp

- 10 amp LH floods (Sims A-600-1876)

1шт.

11

A149800

FUSE,10 Amp

- 10 amp RH floods (Sims A-600-1876)

1шт.

12

D67251

SWITCH

- toggle (Sims A-600-1936)

1шт.

13

A167355

DECAL - floodlamp (Sims A-600-1915)

1шт.

14

A167356

ELECTRICAL WIRE

WIRE - jumper (Sims A-1700-1760)

1шт.

Выбрано товаров: 0