Качественные детали и логистика
Оригинальные и аналоговые запчасти с доставкой по России, Казахстану и Беларуси
©2022 PartSell ООО "Система" ИНН 2463123282 ОГРН 1212400004838
Центральный офис: г. Красноярск, Академика Киренского, д.87, пом.4
Телефон: 8 (800) 777-65-74 Email: zakaz@partsell.ru
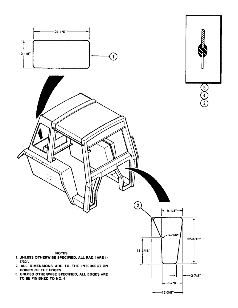
(P03-1) - 4 POST PROTECTIVE FRAME, GLASS
№
Артикул
Название
Примечание
Количество
1
REF
INSTRUCTION
GLASS - lower rear (Sims C-1100-0414J)
1шт.
2
GLASS - cowl (Sims C-1100-0414D)
2шт.
3
A42677
MOLDING
GASKET - lower rear glass (72") (Sims 944-0720)
4
GASKET - cowl glass (65") (Sims 944-0650)
5
- glass, 50' roll, Serial Range: (Cut-length)
Выбрано товаров: 0