Запчасти Case IH 1690 (P15-1) - CAB, PLENUM, BLOWER AND ELECTRICAL (10) - OPERATORS PLATFORM/CAB

Схема запчастей Case IH 1690 - (P15-1) - CAB, PLENUM, BLOWER AND ELECTRICAL (10) - OPERATORS PLATFORM/CAB
13
23
3
12
6
26
21
24
29
35
32
19
2
23
7
14
20
3
15
33
18
1
34
3
24
5
8
28
9
10
22
4
12
11
16
14
17
12
3
31
25
27
4
FIT
1:1
100%

Артикул

Название

Примечание

Количество

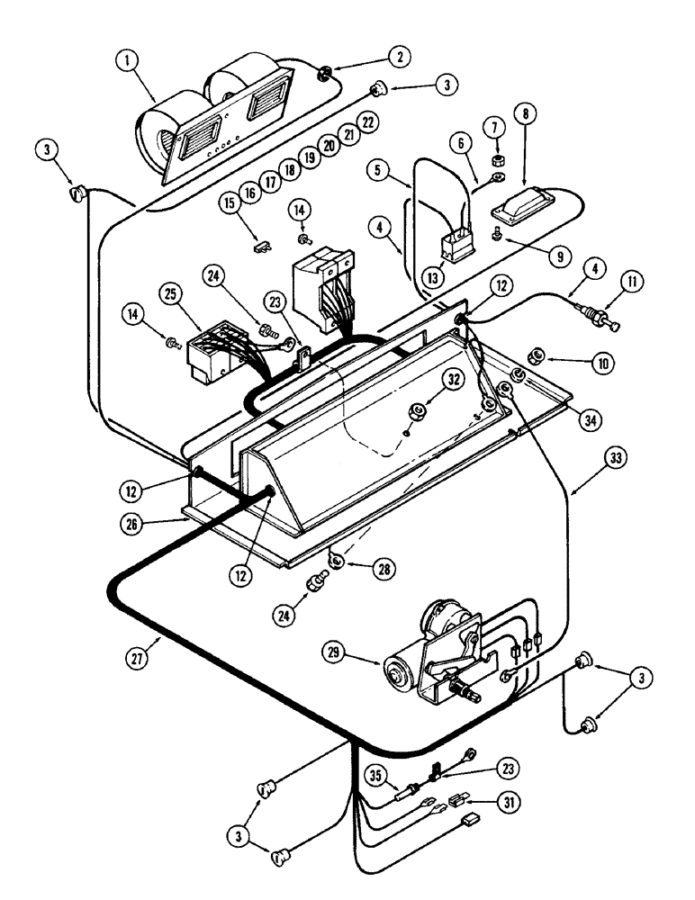
1

REF

INSTRUCTION

BLOWER AND CAPACITOR ASSEMBLY - (Sims A-1700-1705) (See figure P10)

1шт.

2

A167409

GROMMET

- (3/8" hole) (Sims 600-1083)

1шт.

3

F64668

BUSHING - terminal (Sims A-600-1848)

6шт.

4

F64127

ELECTRICAL WIRE

CABLE - dome light (door) (Sims A-1700-1698)

1шт.

5

A167410

CABLE

- ground dome light (Sims A-1700-1706)

1шт.

6

F64126

ELECTRICAL WIRE

CABLE - light switch (Sims A-1700-1697) Prior to serial number 17402-1

1шт.

Also include serial numbers 17408-1, 17412-1, 17413-1, 17417-1,17420-1 through 17423-1, 17425-1, 17427-1, 17430-1, 17433-1, 17439-1, 17443-1 through 17445-1, and 17450-1.

1шт.

7

129-15

NUT,#6-32

(Sims 60-311-43) Prior to S/N 17402-1 #6-32

1шт.

Also include serial numbers 17408-1, 17412-1, 17413-1, 17417-1,17420-1 through 17423-1, 17425-1, 17427-1, 17430-1, 17433-1, 17439-1, 17443-1 through 17445-1, and 17450-1.

1шт.

8

F89772

LAMP

- dome (See page P9-1) (Sims A-600-1823)

1шт.

9

182-46

SCREW,Sl Pan Hd, #6 - 32 x 1/2"

- pan head slot (#6-32 x 1/2") (Sims 14-32-04-66) Prior to serial number 17402-1

1шт.

Also include serial numbers 17408-1, 17412-1, 17413-1, 17417-1,17420-1 through 17423-1, 17425-1, 17427-1, 17430-1, 17433-1, 17439-1, 17443-1 through 17445-1, and 17450-1.

1шт.

10

7770

NUT,Hex, 1/4 - 20, Cl 5

1/4"-20, G5 (Sims 60-300-43)

1шт.

11

F63895

SWITCH

- dome light (See page P5-1) (Sims A-600-1800)

1шт.

12

A167411

GROMMET

- cut-diagonal (Sims A-600-1859)

3шт.

13

F64130

SWITCH

- dome light (See figure P9-1) (Sims A-600-1805)

1шт.

14

187-331

SELF-TAP SCREW,Slotted Pan Hd, #10 x 3/4"

SCREW - pan head self tap (#10-16 x 3/4") (Sims 18-01-06-71)

6шт.

15

A149802

FUSE

- 20 amp blower (Sims A-600-1878)

1шт.

16

A149801

FUSE,Lt Blue, 15 Amp

- 15 amp wiper (Sims A-600-1879)

1шт.

17

A149799

FUSE

- 7.5 amp lighter (Sims A-600-1880)

1шт.

18

A149799

FUSE

- 7.5 amp rear wiper (Sims A-600-1880)

1шт.

19

A149800

FUSE,10 Amp

- 10 amp RH floods (Sims A-600-1876)

1шт.

20

A149800

FUSE,10 Amp

- 10 amp LH floods (Sims A-600-1876)

1шт.

21

A149800

FUSE,10 Amp

- 10 amp rear floods (Sims A-600-1876)

1шт.

22

A149796

FUSE

- 3 amp dome light (Sims A-600-1877)

1шт.

23

515-2295

CLAMP,3/8", Insul, 5/16" Bolt

- closed insulated (Sims 600-1667)

2шт.

24

113-3

BOLT,Hex, 1/4" - 20 x 3/4", Gr 5

(Sims 25-20-06-06) Hex, 1/4"-20 x 3/4", G5, Full Thd

2шт.

25

A149811

RELAY

- plug-in module (Sims A-600-1874)

2шт.

26

A167412

AIR INTAKE TUBE

AIR DUCT ASSEMBLY (Sims D-1300-1607) Prior to serial number 17402-1

1шт.

Also include serial numbers 17408-1, 17412-1, 17413-1, 17417-1,17420-1 through 17423-1, 17425-1, 17427-1, 17430-1, 17433-1, 17439-1, 17443-1 through 17445-1, and 17450-1.

1шт.

26

REF

INSTRUCTION

AIR DUCT ASSEMBLY - (Sims D-1300-1706) Serial number 17402-1 and after (See figure P11)

1шт.

27

A167413

HARNESS - cab wiring (Sims D-1700-1685) Prior to serial number 16800-1

1шт.

27

A167414

HARNESS - cab wiring (Sims D-1700-1685A) Serial number 17402-1 through 16800-1

1шт.

Also include serial numbers 17408-1, 17412-1, 17413-1, 17417-1,17420-1 through 17423-1, 17425-1, 17427-1, 17430-1, 17433-1, 17439-1, 17443-1 through 17445-1, and 17450-1.

1шт.

27

A167415

HARNESS

- cab wiring (Sims D-1700-1685B) Serial number 16800-1 and after

1шт.

28

REF

INSTRUCTION

WIRE ASSEMBLY - ground lighter (Sims A-1700-1721)

1шт.

29

F98108

WIPER

MOTOR - wiper (See figure P19-1) (Sims C-1700-1709)

1шт.

31

A167416

ADAPTER - terminal (Sims A-600-1867)

1шт.

32

86625061

NUT,1/4"-20, GB

NUT - lock nylon insert (1/4-20) (Sims 60-300-40)

1шт.

33

A167417

CABLE

- ground duct (Sims A-1700-1722)

1шт.

34

192-19

LOCK WASHER,Helical Spring, 0.256" ID, CST, ZND

WASHER, LOCK, (Sims 60-200-95) 1/4"

1шт.

35

A167418

FUSE

- 30 amp Slo Blo (Sims A-600-1875) Prior to serial number 17402-1

1шт.

Also include serial numbers 17408-1, 17412-1, 17413-1, 17417-1,17420-1 through 17423-1, 17425-1, 17427-1, 17430-1, 17433-1, 17439-1, 17443-1 through 17445-1, and 17450-1.

1шт.

Выбрано товаров: 0