Запчасти Case IH 1690 (P16-1) - CAB, CONDENSER AND RECEIVER-DRIER (10) - OPERATORS PLATFORM/CAB

Схема запчастей Case IH 1690 - (P16-1) - CAB, CONDENSER AND RECEIVER-DRIER (10) - OPERATORS PLATFORM/CAB
16
29
32
13
25
31
8
19
17
17
14
34
2
11
20
6
4
23
5
15
21
33
21
16
17
7
3
8
12
27
28
14
22
30
9
24
6
1
10
18
FIT
1:1
100%

Артикул

Название

Примечание

Количество

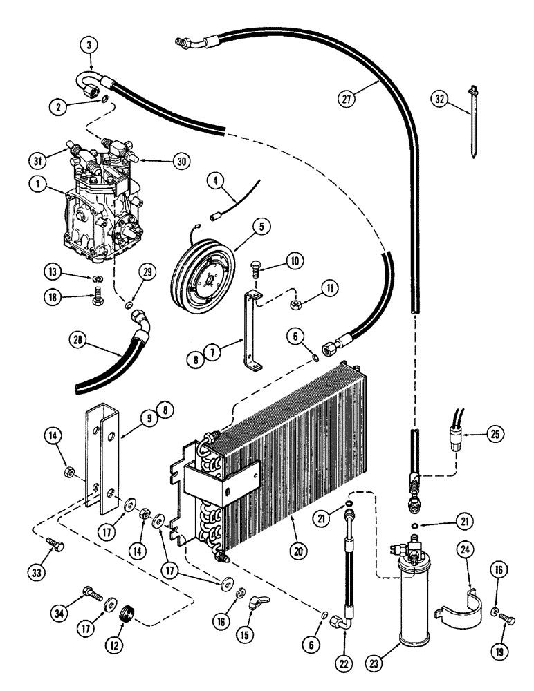
1

A141060

COMPRESSOR

COMPRESSOR - air conditioning (See figure P18-1) (Sims A-600-1778)

1шт.

417888C93

AIRCOND. COMPRESSOR

Compressor Assy., A/C

1шт.

1924004C2

REMAN-A/C COMPRESSOR

Reman For New P/N 417888C93

1шт.

1924005C1

CORE-A/C COMPRESSOR

Return Number

1шт.

2

A42921

GASKET

GASKET - 45 degree copper (1/2") (Sims A-600-1839)

1шт.

3

A145910

HOSE

HOSE - compressor to condenser (Sims A-600-1783)

1шт.

4

A61755

ELECTRICAL WIRE

WIRE WIRE - high presure SW to clutch (Sims A-1700-1708)

1шт.

5

A167419

CLUTCH

CLUTCH - compressor (Sims 600-1276)

1шт.

6

A42920

GASKET

GASKET - 45 degree copper (3/8) (Sims A-600-1775)

2шт.

7

A167420

BRACKET

BRACKET - condenser pivot (Sims B-1400-9739)

1шт.

8

B17459

SPARE PART

PAINT - black low gloss (Sims 600-1122)

1шт.

9

A167421

BRACKET

BRACKET - mtg. condenser (Sims A-1400-9740)

2шт.

10

113-169

BOLT,Hex, 1/4" - 20 x 1-1/4", Gr 5, Full Thd

BOLT, (Sims 25-20-10-06) Hex, 1/4"-20 x 1 1/4", G5, Full Thd

2шт.

11

7770

NUT,Hex, 1/4 - 20, Cl 5

NUT, 1/4"-20, G5 (Sims 60-300-43)

2шт.

12

122-106

GROMMET - (5/8" hole) (Sims 600-656)

4шт.

13

192-21

LOCK WASHER,3/8"

WASHER, LOCK, (Sims 60-202-95) 3/8"

4шт.

14

131-802

LOCK NUT,5/16"-18

NUT - lock steel () (Sims 60-301-39) 5/16"-18

8шт.

15

129-419

WING NUT,5/16"-18

NUT - wing () (Sims 60-301-42) 5/16"-18

2шт.

16

192-20

LOCK WASHER,Helical Spring, 0.318" ID, CST, ZND

WASHER, LOCK, (Sims 60-201-95) 5/16"

3шт.

17

195-521

WASHER,5/16", SAE

WASHER - flat (5/16") (Sims 60-101-96)

14шт.

18

113-209

BOLT,Hex, 3/8" - 16 x 1-1/2", Gr 5

BOLT, (Sims 38-16-12-06) Hex, 3/8"-16 x 1 1/2", G5

4шт.

19

113-102

BOLT,Hex, 5/16" - 18 x 3/4", Gr 5

BOLT, Hex, 5/16"-18 x 3/4", G5, Full Thd (Sims 31-18-06-06)

1шт.

20

A145899

COIL

CONDENSER - coil A/C (Sims A-600-1782)

1шт.

21

A61198

O-RING,0.07" Thk x 0.301" ID, -11

O-RING - drier (Sims A-600-1838)

2шт.

22

A145911

A/C HOSE

HOSE ASSEMBLY - condenser to drier (Sims A-600-1784)

1шт.

23

A76312

RECEIVER-DRYER

DRIER - receiver (Sims A-600-1777)

1шт.

24

A61193

CLAMP

CLAMP - receiver drier (Sims A-1400-9564)

1шт.

25

A47717

SWITCH

Switch, Low Pressure

1шт.

25

A65779

SWITCH

SWITCH - high pressure (Sims A-600-1776)

1шт.

26

A167422

BATTERY BOX

HOLD DOWN - condenser (Sims A-1400-9638)

1шт.

27

A145898

HOSE

HOSE - drier to cab (See figure P13-1) (Sims A-600-1781)

1шт.

28

F64305

HOSE

HOSE ASSEMBLY - A/C (See figure P13-1) (Sims A-600-1842)

1шт.

29

222-995

SEALING WASHER,15.88mm ID

GASKET - 45 degree copper (5/8") (Sims A-600-1849)

1шт.

30

A145699

VALVE

VALVE - rotolock (1/2") (Sims A-600-1780)

1шт.

31

A42937

VALVE

VALVE - rotolock (5/8") (Sims A-600-1772)

1шт.

32

L18331

CABLE TIE,375.9mm L, Nylon, Black

CABLE STRAP WIRE TIES - nylon (Sims 600-851)

5шт.

33

113-103

BOLT,Hex, 5/16" - 18 x 1", Gr 5

BOLT, (Sims 31-18-08-06) Hex, 5/16"-18 x 1", G5, Full Thd

6шт.

34

113-104

BOLT,Hex, 5/16" - 18 x 1-1/4", Gr 5

BOLT, (Sims 31-18-10-06) Hex, 5/16"-18 x 1 1/4", G5

2шт.

A162484

BELT

BELT - clutch pulley

1шт.

Выбрано товаров: 0