Запчасти Case IH 1690 (P19-1) - CAB, WINDSHIELD WIPER (10) - OPERATORS PLATFORM/CAB

Схема запчастей Case IH 1690 - (P19-1) - CAB, WINDSHIELD WIPER (10) - OPERATORS PLATFORM/CAB
16
25
11
19
26
1
14
28
8
27
15
21
3
17
12
13
10
2
9
6
20
4
5
7
FIT
1:1
100%

Артикул

Название

Примечание

Количество

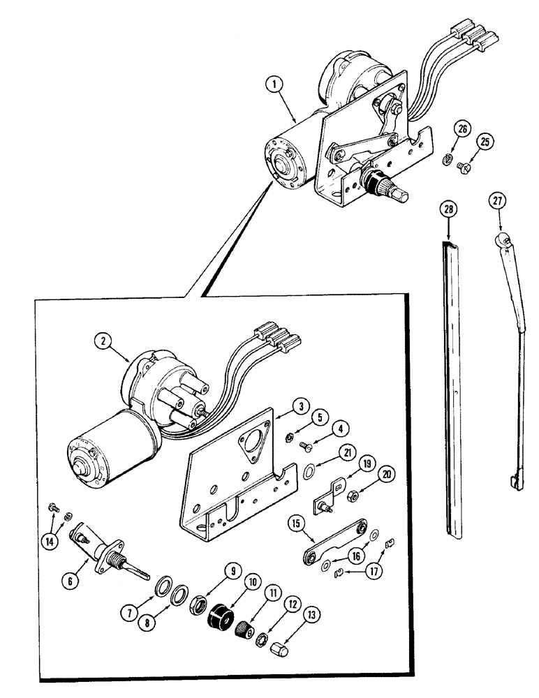
1

F96764

WIPER

ASSEMBLY - windshield, Includes Ref. 2 - 21

1шт.

2

NSS

NOT SOLD SEPARAT

MOTOR - wiper (Order F96764)

1шт.

3

NSS

NOT SOLD SEPARAT

BRACKET - (Order F96764)

1шт.

4

174-214

SCREW,Sl Rnd Hd, 1/4" - 28 x 5/8"

- 1/4 x 5/8" NF round head

3шт.

5

193-57

LOCK WASHER,Ext Tooth, 1/4"

WASHER, LOCK, Ext Tooth, 1/4"

3шт.

D71415

SHAFT

ASSEMBLY - wiper arm, Includes Ref. 6 - 13

1шт.

6

NSS

NOT SOLD SEPARAT

SHAFT AND PIVOT - wiper (Order D71415)

1шт.

7

D71417

SPECIAL WASHER

WASHER - fiber

1шт.

8

D71418

WASHER

- steel

1шт.

9

D71419

NUT

- shaft

1шт.

10

D71420

CAP

BOOT - rubber

1шт.

11

D71421

TOOL

DRIVER - knurled, wiper arm

1шт.

12

193-87

LOCK WASHER,Ext-Int Tooth, 1/2"

WASHER, LOCK, Ext-Int Tooth, 1/2"

1шт.

13

D71422

NUT

- arm fastener

1шт.

14

D71416

SCREW

- shaft assembly (#10-32 x 5/16" round head includes washer)

2шт.

15

D71427

LINK,85.85mm L

- motor to shaft pivot

1шт.

16

A22431

WASHER

- link clip

2шт.

17

D71414

CLIP

- link to drive arm and shaft

2шт.

19

F64210

LEVER

ARM - drive

1шт.

20

F44452

LOCK NUT

- lock, arm to motor shaft

1шт.

21

D71411

WASHER

- spring

1шт.

25

182-548

SCREW,Slotted Pan Hd, 1/4"-28 x 3/8"

- mounting, 1/4 x 3/8" NF pan head slotted

2шт.

26

192-19

LOCK WASHER,Helical Spring, 0.256" ID, CST, ZND

WASHER, LOCK, 1/4"

2шт.

27

F43789

ARM

- wiper blade, 18" (457.2 MM)

1шт.

28

L35261

BLADE

- wiper, 20" (508.0 MM)

1шт.

Выбрано товаров: 0