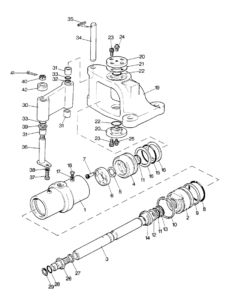
Запчасти Case IH 1690 (H09-1) - STEERING CYLINDER (13) - STEERING SYSTEM

Схема запчастей Case IH 1690 - (H09-1) - STEERING CYLINDER (13) - STEERING SYSTEM
27
37
24
11
31
33
15
1
2
12
8
30
23
19
22
3
16
40
41
6
36
21
14
31
18
20
4
10
9
7
35
23
32
17
11
31
26
20
22
33
39
5
25
13
16
42
29
28
34
38
FIT
1:1
100%

Артикул

Название

Примечание

Количество

K948609

CYLINDER

STEERING CYLINDER ASSEMBLY - steering, Includes Ref. 1 - 17

1шт.

1

K948602

TUBE

CASE - cylinder

1шт.

2

K945883

SLEEVE

- cylinder

2шт.

3

K948564

ROD

PISTON ROD - piston

1шт.

4

K945880

PISTON

- cylinder

1шт.

5

K945882

RING

SPLIT RING - halves

2шт.

6

K945881

PLATE

- locking

1шт.

7

K616504

SCREW

- 1/4 UNF x 1"

6шт.

K964943

SEAL KIT

PACK - seal, Includes Ref. 8 - 17

1шт.

8

K24683

O-RING,2.484" ID x 2.762" OD x 0.139"

- 2-1/2" ID

2шт.

9

K691234

SEAL,66.04mm ID x 70.1mm OD x 1.57mm Thk

LEATHER RING - 2-1/2" ID

2шт.

10

K691718

SNAP RING

RING - snap, 2-3/4"

2шт.

11

K15264

O-RING,1.109" ID x 1.387" OD x 0.139"

- 1-1/8" ID

3шт.

12

K628063

WASHER

BACK-UP RING - 1-1/8" ID

2шт.

13

K628123

RING

SEALING RING - 1-1/8" ID

2шт.

14

K623458

WIPER SEAL

- 1-1/8" ID

2шт.

15

K86503

O-RING,0.21" Thk x 2.35" ID, -332, Cl 5, 75 Duro

- 2-3/8" ID

1шт.

16

K628064

WASHER,60.33mm ID x 69.85mm OD x 1.83mm Thk

BACK-UP RING - 2-3/8" ID

2шт.

17

K626450

WASHER

COPPER WASHER - 3/16"

2шт.

18

K613980

SCREW

VENT SCREW - no. 10 UNF

2шт.

19

K948584

FORK

- pivot link

1шт.

20

K948604

PIN

PEG - ball

2шт.

21

K945890

SHIM

- 0.002"

1шт.

21

K945891

SHIM

- 0.005"

1шт.

21

K955215

SHIM,.010" Thk

1шт.

21

K955216

SHIM,.020" Thk

1шт.

22

K623660

RING,21.97mm ID x 29.23mm OD x 3.63mm Thk

SEALING RING - 7/8" ID

2шт.

23

K616717

SCREW

- 5/16 UNF, special

4шт.

24

K948621

VALVE

RELIEF VALVE - 1/8 BSP

1шт.

25

K12250

FITTING

GREASE FITTING - 1/8 BSP

1шт.

26

K626070

FITTING

UNION - 3/4 UNF, special

2шт.

27

K948565

WASHER

- 0.185" spacing

1шт.

27

K948566

WASHER

- 0.189" spacing

1шт.

27

K948567

WASHER

- 0.195" spacing

1шт.

27

K948643

WASHER

- 0.201" spacing

1шт.

28

K24555

O-RING,0.737" ID x 0.943" OD x 0.103"

- 3/4" ID

4шт.

29

K621476

RING, SNAP

RING - snap, 24 MM

2шт.

30

K948540

LINK

- pivot, Includes Ref. 31

1шт.

31

K628741

BUSHING

- pivot pin

4шт.

32

K24676

O-RING,0.103" Thk x 0.612" ID, -114, Cl 6, 90 Duro

- 5/8" ID

2шт.

33

K623540

O-RING,0.614" ID x 0.754" OD x 0.07"

- 19/32" ID

4шт.

34

K948542

PIVOT PIN

PIN - pivot

1шт.

35

K690732

SPRING

PIN - roll, 3/16 x 1-3/4"

1шт.

36

K948543

PIN

- pivot

1шт.

37

9627874

BOLT,Hex, 5/16" - 18 x 5/8", Gr 5, Full Thd

SETSCREW - 5/16 UNC x 5/8"

1шт.

38

K19481

SPRING WASHER

WASHER - lock, 5/16"

1шт.

39

K626921

WASHER

- 5/8", special

2шт.

40

231-2448

LOCK NUT,1/2"-20, GB

NUT - 1/2 UNF, special

1шт.

41

K19537

PIN

- cotter, 1/8 x 1-1/8"

1шт.

42

K205429

BUSHING

SPACER - pivot pin

1шт.

Выбрано товаров: 0