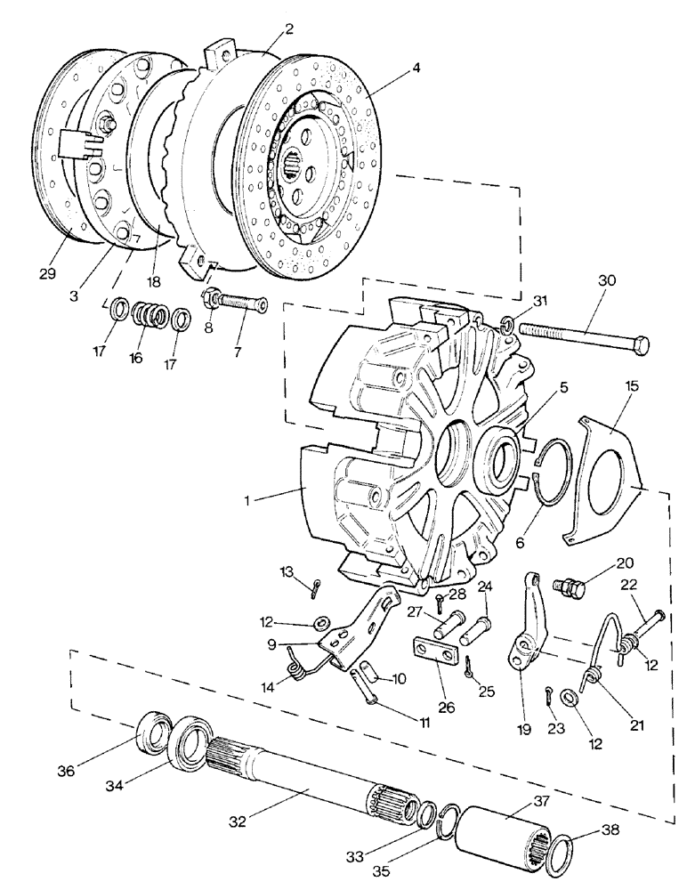
Запчасти Case IH 1690 (C01-1) - DUAL CLUTCH UNIT, POWER SHIFT, SYNCHROMESH (03.1) - CLUTCH

Схема запчастей Case IH 1690 - (C01-1) - DUAL CLUTCH UNIT, POWER SHIFT, SYNCHROMESH (03.1) - CLUTCH
8
6
37
16
17
25
15
2
13
26
30
23
28
11
12
33
19
27
24
10
32
3
29
5
35
7
36
17
14
38
34
31
4
18
22
9
12
12
20
1
21
FIT
1:1
100%

Артикул

Название

Примечание

Количество

K202825

CLUTCH ASSEMBLY

- Laycock 8764011, Includes Ref. 1 - 28

1шт.

K202825R

REMAN-CLUTCH PLATE

1690 CASE DIESEL TRACTOR, DRIVEN PLATE - 12", PTO (1/79-12/82)

1шт.

K202825C

CORE-CLUTCH PLATE

Return Number

1шт.

1

NSS

NOT SOLD SEPARAT

COVER - clutch

1шт.

2

K955007

PLATE, THRUST

PRESSURE PLATE - transmission

1шт.

3

K955006

PLATE

PRESSURE PLATE - PTO

1шт.

4

K202826

CLUTCH & DISC ASSY

DRIVEN PLATE - 12", transmission

1шт.

K260115

FACING

S - durasint, and rivets

1шт.

5

K89325

BALL BEARING,45mm ID x 75mm OD x 16mm W

BEARING - driveshaft

1шт.

6

K89326

RING, SNAP

RING - snap, clutch cover

1шт.

7

K964946

BOLT

ADJUSTING SCREW - set of three

1шт.

8

K947042

NUT

LOCKNUT - adjusting screw

3шт.

9

K206748

LEVER

RELEASE LEVER - transmission, set of three

1шт.

10

K947046

ROLLER

- release lever

3шт.

11

K947044

PIN

PIVOT PIN - roller

3шт.

12

K947036

WASHER

- pivot pin

9шт.

13

K947035

COTTER PIN

SPLIT PIN - pivot pin

3шт.

14

K947049

SPRING

ANTI-RATTLE SPRING - transmission lever

3шт.

15

K947050

RING

PLATE - transmission release levers

1шт.

16

K951917

SPRING

THRUST SPRING - pink

12шт.

17

K947039

DISC

WASHER - insulating

24шт.

18

K952509

BELLEVILLE SPRING

THRUST SPRING - belleville

1шт.

19

K964945

LEVER

RELEASE LEVER - PTO set of three (Replaces K964948)

1шт.

20

K963626

LOCK NUT,M10 x 1.25 x 30mm, Cl 10.9

ADJUSTING SCREW - and locknut

3шт.

21

K947037

SPRING

ANTI-RATTLE SPRING - PTO lever

3шт.

22

K947058

PIVOT PIN

- PTO lever

3шт.

23

K947035

COTTER PIN

SPLIT PIN - retaining

3шт.

24

K947060

PIN

PIVOT PIN - PTO lever

3шт.

25

K947038

PIN

SPLIT PIN - pivot pin

3шт.

26

K964947

DRAG LINK

LINK - PTO, set of three

1шт.

27

K947041

PIN

PIVOT PIN - PTO pressure plate

3шт.

28

K947038

PIN

SPLIT PIN - pivot pin

3шт.

29

K952378

CLUTCH & DISC ASSY

DRIVEN PLATE - 12", PTO

1шт.

29

1539028C1R

REMAN-CLUTCH DISC

Reman for new P/N K952378

1шт.

29

1539028C1C

CORE-CLUTCH DISC

Return Number

1шт.

K963633

FACING

S - F30C and rivets

1шт.

30

K600421

BOLT

- 3/8 UNC x 1/2"

6шт.

31

K19482

SPRING WASHER

WASHER - lock, 3/8"

6шт.

32

K202057

SHAFT

DRIVESHAFT - clutch (Synchromesh)

1шт.

32

K202092

CLUTCH

DRIVESHAFT - clutch (Power shift)

1шт.

33

K623485

SEAL

OIL SEAL - 1-1/4 x 1-7/8 x 3/8"

1шт.

34

K620199

BALL

BEARING - ball (Synchromesh)

1шт.

35

K621567

RING, SNAP

RING - snap, 2-3/8" (Synchromesh)

1шт.

36

K623483

OIL SEAL

OIL SEAL - 50 x 70 x 10 MM (Synchromesh)

1шт.

37

K202061

COUPLING, BREAK AWAY

COUPLING - sleeve (Synchromesh)

1шт.

38

K902106

SHIM,.032" Thk

(Synchromesh) .032" Thk

1шт.

Выбрано товаров: 0