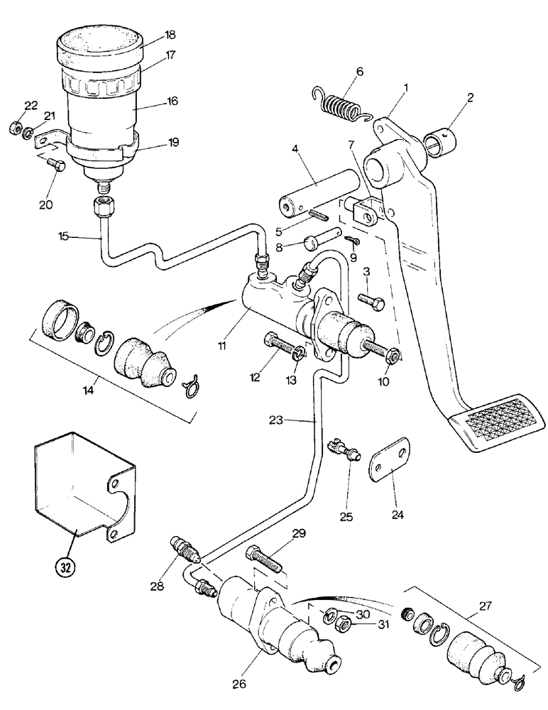
Запчасти Case IH 1690 (C02-1) - TRANSMISSION CLUTCH RELEASE MECHANISM, HYD. COMPONENTS LOW PROFILE MODEL PRIOR TO P.I.N. 11211216 (03.1) - CLUTCH

Схема запчастей Case IH 1690 - (C02-1) - TRANSMISSION CLUTCH RELEASE MECHANISM, HYD. COMPONENTS LOW PROFILE MODEL PRIOR TO P.I.N. 11211216 (03.1) - CLUTCH
27
14
18
1
26
29
13
15
4
22
8
31
12
23
16
10
32
21
9
28
11
25
17
7
6
24
5
3
30
2
19
20
FIT
1:1
100%

Артикул

Название

Примечание

Количество

1

K965775

CLUTCH

PEDAL - release mechanism, Includes Ref. 2

1шт.

2

K628764

BUSHING

- pivot

2шт.

3

K650805

SCREW

- pedal top, M8 x 20

1шт.

4

K202056

PIN

PIVOT PIN - clutch pedal

1шт.

5

K19552

GROOVED PIN,1/8" x 1 1/8", Type A

SPRING PIN - 1/8 x 1-1/8"

1шт.

6

K624969

SPRING

- pedal return

1шт.

7

K622205

FORK

END - 5/16 UNF

1шт.

8

K625954

PIN

CLEVIS PIN - 5/16 x 1-3/16"

1шт.

9

K623605

PIN

SPLIT PIN - 1/16 x 1/2"

1шт.

10

129-122

NUT,5/16"-24, G5

1шт.

11

K950544

CYLINDER,36.32mm Stroke

MASTER CYLINDER - brake

1шт.

12

K650643

BOLT

SETSCREW - M8 x 25

2шт.

13

K651848

WASHER

- lock, 8 MM

2шт.

14

K964572

SEAL KIT

SEAL KIT - master cylinder

1шт.

15

K301242

BRACKET

PIPE - reservoir to master cylinder

1шт.

16

K951526

RESERVOIR

- fluid, Includes Ref. 17 and 18

1шт.

17

K964488

CAP

FILLER CAP - reservoir

1шт.

18

K964813

COVER

- blue

1шт.

19

K200671

SPRING

CLIP - reservoir

1шт.

20

86625206

SCREW,Phillips Drive, Pan HD, #10 - 32 x 1/2"

SETSCREW - no. 10 UNF x 1/2"

2шт.

21

192-18

LOCK WASHER,Helical Spring, #10, 0.196" ID, CST, ZND

WASHER, LOCK, #10

2шт.

22

K617080

NUT

- no. 10 UNF

2шт.

23

K302156

PIPE

- master cylinder to slave cylinder

1шт.

24

K301449

BRACKET

- clutch and brake pipes

1шт.

25

K625015

CLIP

- pipe

1шт.

26

K950550

CYLINDER

SLAVE CYLINDER - brake, Includes Ref. 27 and 28

1шт.

27

K964576

SEAL KIT

SEAL KIT - slave cylinder

1шт.

28

K964534

SCREW,M12 x 1

BLEED SCREW - M12

1шт.

29

113-184

BOLT,Hex, 5/16" - 18 x 1-1/8", Gr 5

SETSCREW - 5/16 UNC x 1-1/8"

2шт.

30

192-20

LOCK WASHER,Helical Spring, 0.318" ID, CST, ZND

WASHER, LOCK, 5/16"

2шт.

31

9635082

NUT,5/16" - 18, Gr 5

2шт.

32

K202212

GUARD

SHIELD - heat, master cylinder

1шт.

Выбрано товаров: 0