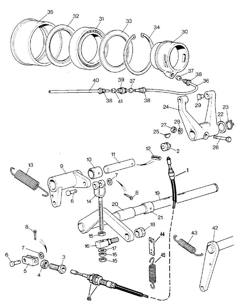
Запчасти Case IH 1690 (C06-1) - PTO CLUTCH RELEASE MECHANISM, HIGH PLATFORM, CAB, LOW PROFILE (03.1) - CLUTCH

Схема запчастей Case IH 1690 - (C06-1) - PTO CLUTCH RELEASE MECHANISM, HIGH PLATFORM, CAB, LOW PROFILE (03.1) - CLUTCH
41
32
7
35
27
1
2
30
9
38
14
15
26
6
17
46
15
44
45
8
10
18
31
25
36
23
15
28
37
37
11
34
16
3
22
38
24
7
42
21
43
33
4
19
8
40
6
5
38
12
13
39
29
20
FIT
1:1
100%

Артикул

Название

Примечание

Количество

1

K203335

CABLE

- inner and outer, (Order K204769) (Low Profile), Serial Range: -11211224

1шт.

1

K204769

CABLE,676.27mm L

- inner and outer, (Low Profile), Start Serial: 11211224

1шт.

1

K203393

CABLE

- inner and outer, (Order K204856) (High Platform, Cab), Serial Range: -11211224

1шт.

1

K204856

CABLE

- inner and outer, (High Platform, Cab), Start Serial: 11211224

1шт.

2

K955644

RETAINER

PIN - cable

1шт.

3

K204593

ADAPTER

ADJUSTER - cable, 5/8 UNC, Serial Range: -11211224

1шт.

4

425-1410

JAM NUT,Jam, 5/8"-11, G5

LOCKNUT - cable, 5/8 UNC

1шт.

5

K622207

FORK

- cable

1шт.

6

K69984

SPLIT PIN/SAFETY PIN

CLEVIS PIN - cable fork (Low Profile)

2шт.

6

K69984

SPLIT PIN/SAFETY PIN

CLEVIS PIN - cable fork (High Platform, Cab)

1шт.

7

K19472

WASHER

- 3/8" (Low Profile)

2шт.

K19472

WASHER

- 3/8" (High Platform, Cab)

1шт.

8

132-320

COTTER PIN,3/32" x 3/4"

PIN, SPLIT (COTTER), (High Platform, Cab) 3/32" x 3/4"

1шт.

8

132-320

COTTER PIN,3/32" x 3/4"

PIN, SPLIT (COTTER), (Low Profile) 3/32" x 3/4"

2шт.

9

K202353

BUZZER

LEVER - bellcrank (Low Profile)

1шт.

10

K628753

BUSHING

- bellcrank (Low Profile)

2шт.

11

K202364

PIN

- pivot (Low Profile)

1шт.

12

K19565

PIN - 3/16 x 1-5/8" (Low Profile)

1шт.

13

K624962

SPRING

- return, (Low Profile), Serial Range: -11212191

1шт.

14

K203453

ROD

- adjusting (Low Profile)

1шт.

15

87016560

JAM NUT,Jam, 3/8"-16, G5

LOCKNUT - 3/8 UNC (Low Profile)

3шт.

16

K201720

PIN

PIVOT PIN - 1/2 UNC (Low Profile)

1шт.

17

K19472

WASHER

- 3/8" (Low Profile)

1шт.

18

131-70

NUT,1/2"-13, GB

NUT - 1/2 UNC, self-locking (Low Profile)

1шт.

19

K204061

CLUTCH

CROSS SHAFT AND ARM - PTO (Low Profile)

1шт.

20

K627171

BUSHING

SPACER - shaft

1шт.

21

K628753

BUSHING

- main frame

4шт.

22

K626749

WASHER

BELLEVILLE WASHER - 1"

1шт.

23

K11128

CIRCLIP

RING - snap, 1", external

1шт.

24

K928940

FORK

- clutch

1шт.

25

126-22

WOODRUFF KEY,#13, 3/16" x 1"

(No. 608) #13, 3/16" x 1"

2шт.

26

129-233

BOLT - 3/8 UNC x 1-3/4"

1шт.

27

129-103

NUT,Hex, 3/8" - 16, Gr 5

NUT, 3/8"-16, G5

1шт.

28

192-21

LOCK WASHER,3/8"

WASHER, LOCK, 3/8"

1шт.

29

K84748

TRUNNION

PIN - clutch fork

2шт.

30

K200354

BEARING CARRIER

CARRIER - release bearing

1шт.

31

K19177

BALL BEARING,76.2mm ID x 114.3mm OD x 19.05mm W

BEARING - release

1шт.

32

K928741

RETAINER,76.33mm ID x 111.13mm OD x 0.79mm Thk

SHIELD - front

1шт.

33

K928742

RETAINER

SHIELD - rear

1шт.

34

K12777

RING, SNAP

RING - snap, 4-1/2", internal

1шт.

35

K928938

SLEEVE,104.78mm ID x 139.7mm OD x 55.56mm L

- thrust

1шт.

36

K926411

TUBE,0.187" OD x 2.625" L

- lube

1шт.

37

K622407

FERRULE

CONNECTOR - 1/4"

2шт.

38

K617956

NUT

CONNECTOR - tube

2шт.

39

K626045

FITTING

UNION - tube

1шт.

40

K926410

TUBE,0.122" ID x 0.187" OD

- lube, plastic

1шт.

41

K19588

FERRULE

CONNECTOR - 3/16"

1шт.

42

K204062

CLUTCH

CROSS SHAFT AND ARM - PTO (High Platform, Cab)

1шт.

43

K624954

SPRING

- return (High Platform, Cab)

1шт.

44

K204918

SHIM

ANCHOR - spring, (Low Profile), Start Serial: 11212191

1шт.

45

K624977

SPRING

- return, (Low Profile), Start Serial: 11212191

1шт.

46

K622810

NUT

LOCKNUT - 5/8" NF

2шт.

Выбрано товаров: 52