Запчасти Case IH 1690 (A01-1) - CYLINDER BLOCK ASSEMBLY (01) - ENGINE

Схема запчастей Case IH 1690 - (A01-1) - CYLINDER BLOCK ASSEMBLY (01) - ENGINE
20
24
13
3
35
22
7
12
10
2
17
1
8
26
24
25
34
14
14
21
23
24
1
15
36
19
11
6
9
4
5
24
37
16
18
FIT
1:1
100%

Артикул

Название

Примечание

Количество

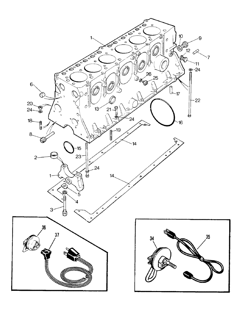
K965719

ENGINE

CYLINDER BLOCK ASSEMBLY - with crankshaft and pistons, Includes Ref. 1 - 13

1шт.

1

K965045

CRANKCASE

CYLINDER BLOCK ASSEMBLY - with bearing caps, Includes Ref. 2 - 13

1шт.

After S/N 11454182 Use: K261060 Block K206503 Housing Seal K957412 Camshaft

1шт.

2

K917318

RING

DOWEL - locating, 3/4 x 7/16"

14шт.

3

K917317

BOLT

- 5/8 UNF x 4" special

14шт.

4

K929557

WASHER

WASHER - mounting bolt, 5/8"

14шт.

5

K917376

WASHER

TABWASHER - intermediate caps

5шт.

5

K12994

BEARING WASHER

TABWASHER - front cap

2шт.

5

K200568

PLATE, LOCKING

TABWASHER - rear cap

1шт.

6

K621807

PIN

DOWEL - 5/16 x 1/2"

2шт.

7

K12258

PIN

DOWEL - 5/16 x 3/4"

2шт.

8

K916564

JET

OIL JET - engine block

1шт.

9

K609440

PLUG

- 5/8 UNC

1шт.

10

K626441

WASHER

- copper, 5/8"

1шт.

11

K19581

PLUG

- 1/4 BSP

1шт.

12

K19501

WASHER

WASHER - fiber, 1/2"

1шт.

13

K623797

PLUG

CORE PLUG - 1-3/4" ID

9шт.

K914788

CRANKSHAFT

- engine (See Figure A3-1)

1шт.

14

K201234

GASKET

- left-hand

1шт.

14

K201235

GASKET

- right-hand

1шт.

15

K201938

SEAL

- 1/4 x 7-5/8"

1шт.

16

K201866

RUBBER SEAL

- 1/4 x 11-3/4"

1шт.

17

K622903

PIN

DOWEL - 7/16 x 1-3/8"

2шт.

18

K608243

STUD

- 3/8 UNC x 2-1/2"

1шт.

19

K608243

STUD

- 3/8 UNC x 2-1/2", starter ground lead

1шт.

20

280136

NUT,3/8"-16, G8

2шт.

21

113-233

BOLT,Hex, 3/8" - 16 x 1-3/4", Gr 5

4шт.

22

K600527

BOLT

- 3/8 UNC x 11-1/2"

2шт.

23

K600470

BOLT

- 3/8 UNC x 9-1/2"

2шт.

24

192-21

LOCK WASHER,3/8"

WASHER, LOCK, 3/8"

20шт.

25

K903851

PRESSURE SWITCH

SWITCH - oil pressure, AC-Delco 7954181

1шт.

26

K626521

SEALING WASHER

WASHER - fiber, 3/8"

1шт.

K965963

ENGINE GASKET KIT

GASKET SET - cylinder block heater

1шт.

34

NSS

NOT SOLD SEPARAT

HEATER ASSEMBLY - cylinder block (Order ref. 36 and 37)

1шт.

35

A44814

ELECTRIC CABLE

CORD - cylinder block heater

1шт.

36

A48263

RESISTOR

HEATER ASSEMBLY - cylinder block (400 Watts)

1шт.

37

A48264

CABLE

CORD - cylinder block heater

1шт.

Выбрано товаров: 0