Запчасти Case IH 1690 (A06-1) - INJECTION PUMP, INJECTORS AND PIPES (01) - ENGINE

Схема запчастей Case IH 1690 - (A06-1) - INJECTION PUMP, INJECTORS AND PIPES (01) - ENGINE
4
28
23
37
34
15
26
33
27
9
24
36
31
20
39
10
3
5
22
1
12
14
8
25
18
17
38
19
7
21
16
30
35
13
6
32
11
2
29
FIT
1:1
100%

Артикул

Название

Примечание

Количество

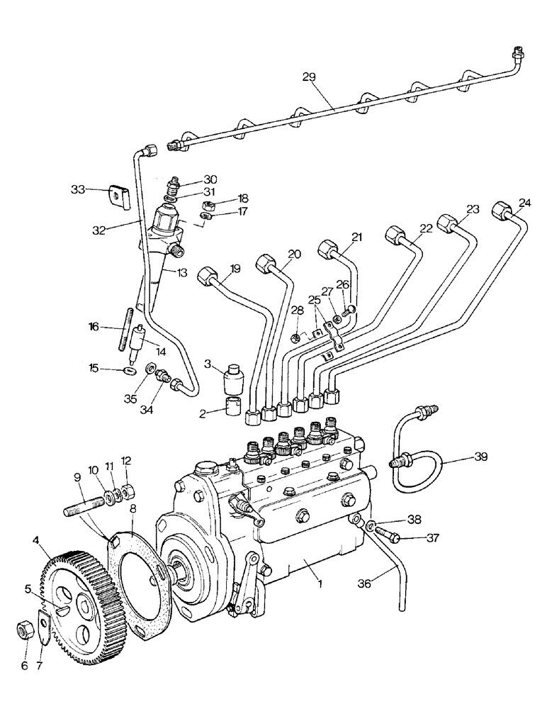
1

K950046

PUMP

INJECTION PUMP - fuel, CAV P5463

1шт.

2

K954858

SPRING

CLIP - maximum fuel adjuster

1шт.

3

K954859

COVER

- maximum fuel adjuster

1шт.

4

K948442

PINION

GEAR - 68 teeth

1шт.

5

425-158

JAM NUT,Jam, 1/2"-20, G5

KEY - Woodruff no. 505 (Replaces K11262)

1шт.

6

K622089

NUT

- 1/2 UNF

1шт.

7

K626429

WASHER

- tab

1шт.

8

K912485

GASKET

- pump to timing gear case

1шт.

9

K608137

STUD

- 5/16 UNC x 1-7/8", pump to timing gear case

3шт.

10

K626682

WASHER

- 5/16", pump to timing gear case

3шт.

11

K19481

SPRING WASHER

WASHER - lock, 5/16"

3шт.

12

9635082

NUT,5/16" - 18, Gr 5

- 5/16 UNC, pump to timing gear case

3шт.

K954826

INJECTOR ASSY.

INJECTOR - fuel (Lucas, see figure A12-1), Includes Ref. 13 and 14

6шт.

13

K954827

NOZZLE INJECTION

HOLDER - injector

1шт.

14

K942176

NOZZLE CAP

NOZZLE - injector

1шт.

15

K901092

WASHER

- copper, 10 MM

6шт.

16

K608107

STUD

- 5/16 UNC x 2-11/16", injectors to cylinder head

12шт.

17

K19481

SPRING WASHER

WASHER - lock, 5/16"

12шт.

18

9635082

NUT,5/16" - 18, Gr 5

- 5/16 UNC, injectors to cylinder head

12шт.

19

K953711

PIPE

FUEL PIPE - no. 1 cylinder

1шт.

20

K953712

PIPE

FUEL PIPE - no. 2 cylinder

1шт.

21

K953713

PIPE

FUEL PIPE - no. 3 cylinder

1шт.

22

K953714

PIPE

FUEL PIPE - no. 4 cylinder

1шт.

23

K953715

PIPE

FUEL PIPE - no. 5 cylinder

1шт.

24

K953716

PIPE

FUEL PIPE - no. 6 cylinder

1шт.

25

K14673

CLIP

- injector pipes

6шт.

26

K12217

SCREW,0.185" x 5/8"

- 2BA x 5/8"

6шт.

27

K626340

RING

SPRING WASHER - 3/16"

6шт.

28

K11109

NUT

- 2BA

6шт.

29

K950054

RETURN PIPE

LEAK OFF PIPE - injectors

1шт.

30

K620460

ADAPTER

- M8-1/8 BSP

6шт.

31

K36374

WASHER

- copper, 8 MM

6шт.

32

K950056

PIPE,0.187" OD x 10.875, 4.937" L

LEAK OFF PIPE - injection pump

1шт.

33

K621610

CLIP

-, Serial Range: pipe-manifold

1шт.

34

K626068

FITTING

ADAPTER - M8-1/8 BSP

1шт.

35

K15734

WASHER

ALUMINUM WASHER - 5/16"

1шт.

36

K208029

HOSE

PIPE - injection pump overflow (Replaces K915350)

1шт.

37

K921095

BANJO BOLT

BANJO BOLT - 5/16 UNF

1шт.

38

K36374

WASHER

- aluminum, 5/16"

2шт.

39

K950052

PIPE,0.25" OD x 3.937, 1.562" L

FUEL PIPE - filter to injection pump

1шт.

Выбрано товаров: 0