Запчасти Case IH 1690 (A10-1) - MANIFOLDS AND MUFFLER (01) - ENGINE

Схема запчастей Case IH 1690 - (A10-1) - MANIFOLDS AND MUFFLER (01) - ENGINE
18
6
20
21
24
3
13
14
23
2
4
19
9
8
22
5
15
7
25
1
12
10
16
17
11
18
FIT
1:1
100%

Артикул

Название

Примечание

Количество

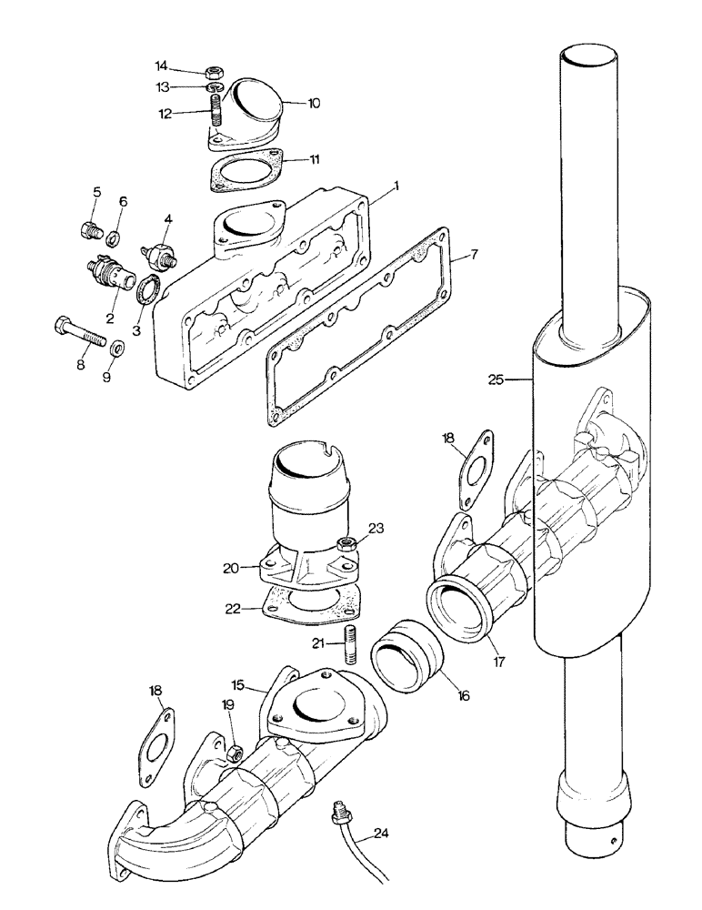
1

K947257

MANIFOLD

- air inlet

2шт.

2

K928523

GLOW PLUG

THERMOSTAT - (CAV 1854102)

2шт.

3

K626957

WASHER

FIBER WASHER - 7/8"

2шт.

4

K201313

SWITCH

VACUUM SWITCH - front manifold (Bosch 0344800004)

2шт.

Use 1983233C1 Switch. (Has two spade terminals. Add one earth wire to the second terminal.)

1шт.

5

K19591

PLUG

- 1/8 BSP

1шт.

6

K19504

WASHER,9.92mm ID x 14.29mm OD x 2mm Thk

FIBER WASHER - 3/8"

1шт.

7

K907911

GASKET

- manifold

2шт.

8

K600209

BOLT

- 5/16 UNC x 2"

9шт.

8

K600322

BOLT

- 5/16 UNC x 2-1/2"

4шт.

8

K600217

BOLT

- 5/16 UNC x 3"

3шт.

9

K626682

WASHER

- 5/16"

16шт.

10

K201861

FLANGE

- inlet

2шт.

11

K947258

GASKET

- flange

2шт.

12

K608102

STUD

- 5/16 UNC x 1-1/4"

4шт.

12

K608152

STUD

- 5/16 UNC x 2"

3шт.

13

K19481

SPRING WASHER

WASHER - lock, 5/16"

4шт.

14

9635082

NUT,5/16" - 18, Gr 5

- 5/16 UNC

4шт.

15

K917852

MANIFOLD

- exhaust, front

1шт.

16

K917855

SLEEVE

- connecting

1шт.

17

K917853

MANIFOLD

- exhaust, rear

1шт.

18

K907344

MANIFOLD GASKET

- manifold

6шт.

19

280136

NUT,3/8"-16, G8

12шт.

20

K200599

FLANGE

- exhaust

1шт.

21

K608201

STUD

- 3/8 UNC x 1-5/8"

3шт.

22

K912441

GASKET

- flange

1шт.

23

280136

NUT,3/8"-16, G8

3шт.

24

K917523

PIPE

- exhaust manifold drain

1шт.

25

K304708

MUFFLER

- exhaust (Replaces K203563)

1шт.

Выбрано товаров: 0