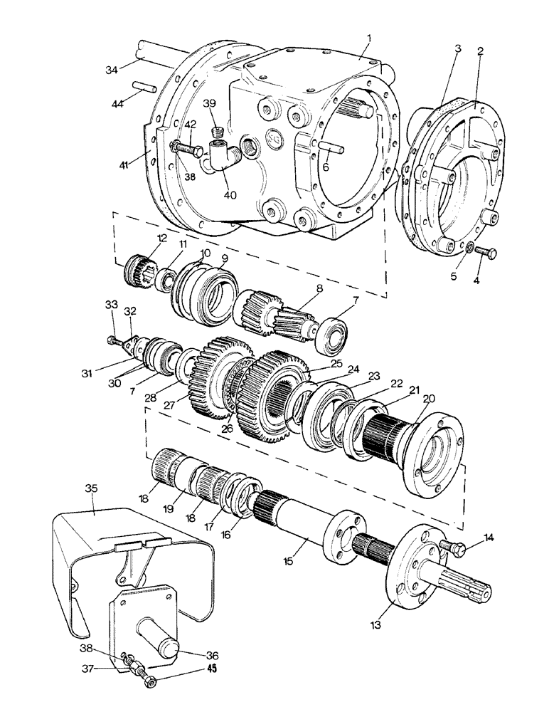
Запчасти Case IH 1690 (F02-1) - DUAL SPEED PTO UNIT, POWER SHIFT WITH DUAL SPEED PTO, SYNCHROMESH WITH DUAL SPEED PTO (01) - POWER TAKE OFF

Схема запчастей Case IH 1690 - (F02-1) - DUAL SPEED PTO UNIT, POWER SHIFT WITH DUAL SPEED PTO, SYNCHROMESH WITH DUAL SPEED PTO (01) - POWER TAKE OFF
39
11
33
7
12
35
30
34
36
18
19
13
6
17
28
31
5
4
32
15
37
23
8
42
14
21
10
3
7
25
16
22
38
1
38
24
44
41
9
20
18
40
26
2
27
45
FIT
1:1
100%

Артикул

Название

Примечание

Количество

1

K948229

CASE

- PTO

1шт.

2

K948300

HOUSING

COVER - end

1шт.

3

K948396

GASKET,0.25mm Thk

- cover

1шт.

4

9635884

BOLT,Hex, 5/16" - 18 1", Full Thd, Gr 5

SETSCREW - 5/16 UNC x 1"

13шт.

5

K19481

SPRING WASHER

WASHER - lock

13шт.

6

K30134

PIN

DOWEL - 1/2 x 1-5/16"

1шт.

7

K620046

BEARING

ROLLER BEARING - taper

2шт.

8

K948384

GEAR

INPUT SHAFT - 21/13 teeth

1шт.

9

K620150

ROLLER

BEARING - taper

1шт.

10

K627406

SHIM,.003" Thk

1шт.

10

K627407

SHIM,.005" Thk

1шт.

10

K627408

SHIM,.007" Thk

1шт.

10

K627409

SHIM,.010" Thk

1шт.

11

K19114

BEARING

- ball

1шт.

12

K952373

GEAR

SLIDING GEAR - dog clutch

1шт.

13

K948393

SHAFT

REVERSIBLE PTO SHAFT - 6/21 splines

1шт.

14

K948397

BOLT

- 1/2 UNF

4шт.

15

K948388

SHAFT

OUTPUT SHAFT - high speed

1шт.

16

K623464

OIL SEAL

OIL SEAL - 55 x 70 x 8 MM

1шт.

17

K948395

PLATE

- abutment

1шт.

18

K620146

NEEDLE BEARING

ROLLER BEARING - needle

2шт.

19

K948394

BUSHING

SPACER - bearing

1шт.

20

K948387

SHAFT

OUTPUT SHAFT - low speed

1шт.

21

K623452

SEAL,90mm ID x 110.28mm OD x 11.99mm Thk

OIL SEAL - 90 x 112 x 10 MM

1шт.

22

K948391

RING

WASHER - special

1шт.

23

K620145

TAPERED BEARING,75mm ID x 130mm OD x 33.25mm W

ROLLER BEARING - taper

1шт.

24

K948392

RING

SPLIT RING - halves

2шт.

25

K948385

GEAR

DRIVEN GEAR - low speed, 50 teeth

1шт.

26

K620147

THRUST BEARING

- needle

1шт.

27

K948386

GEAR

DRIVEN GEAR - high speed, 43 teeth

1шт.

28

K948389

WASHER

- special

1шт.

30

K88921

SHIM,.003" Thk

1шт.

30

K88922

SHIM,.005" Thk

1шт.

30

K88923

SHIM,.007" Thk

1шт.

30

K88924

SHIM,.010" Thk

1шт.

31

K948390

BEARING

RETAINER - bearing

1шт.

32

K626430

WASHER

TABWASHER - retainer bolt

1шт.

33

K602883

SCREW,5/16" - 18 x 3/4", Gr V

SETSCREW - 5/16 UNC x 3/4"

3шт.

34

K954296

SHAFT

CARDAN SHAFT - PTO drive (Synchromesh With Dual Speed PTO)

1шт.

34

K953610

SHAFT

CARDAN SHAFT - PTO drive (Power Shift With Dual Speed PTO)

1шт.

35

K948409

GUARD

- PTO shaft

1шт.

36

K955938

GUARD

COVER - PTO shaft

1шт.

37

K608325

STUD

SETSCREW - 7/16 UNC x 2-1/2" special

4шт.

38

K626344

WASHER, LOCK

WASHER - lock, 7/16"

16шт.

39

K12362

PLUG

- 1" BSP

1шт.

40

K622127

FITTING

ELBOW - 1" BSP (Synchromesh With Dual Speed PTO)

1шт.

41

K922591

GASKET

- PTO case

1шт.

42

K603006

SCREW

SETSCREW - 7/16 x 1-3/8"

12шт.

44

K61412

PIN

DOWEL - 7/16 x 1-1/4"

1шт.

45

280717

NUT,7/16"-14, G5

4шт.

Выбрано товаров: 50