Запчасти Case IH 1690 (B01-3) - RADIATOR AND FAN, P.I.N. 11212772 AND AFTER (02) - COOLING & FUEL SYSTEMS

Схема запчастей Case IH 1690 - (B01-3) - RADIATOR AND FAN, P.I.N. 11212772 AND AFTER (02) - COOLING & FUEL SYSTEMS
40
38
27
43
22
36
34
33
4
19
20
25
26
8
31
30
39
44
18
35
33
17
9
42
41
2
13
23
48
5
6
37
45
47
46
49
3
29
28
12
16
33
24
21
7
11
20
14
10
1
FIT
1:1
100%

Артикул

Название

Примечание

Количество

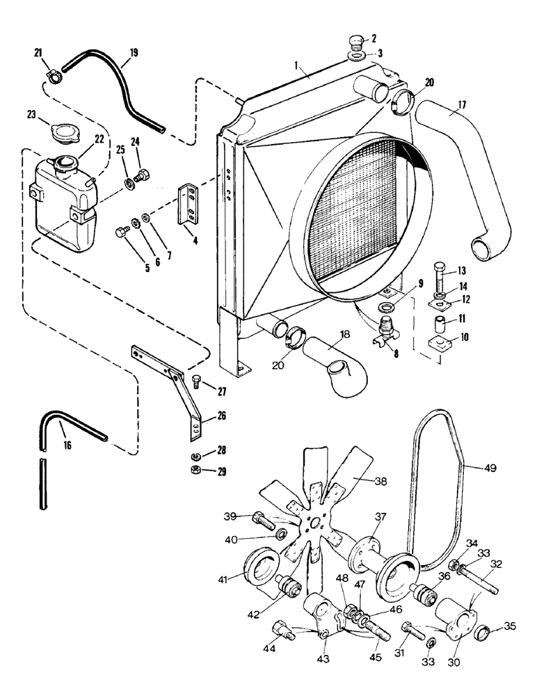
1

K304370

RADIATOR

- (Low profile)

1шт.

1

K304372

RADIATOR

- (High platform, cab) (And with air conditioning)

1шт.

1

K304371

RADIATOR

- tropical, Includes Ref. 2 and 3

1шт.

2

K965725

PLUG

- radiator filler

1шт.

3

K965726

WASHER

- filler plug

1шт.

4

K302962

BRACKET

- radiator upper

2шт.

5

K651225

BOLT

- M6 x 10

4шт.

6

193-57

LOCK WASHER,Ext Tooth, 1/4"

WASHER - lock, M6 external Shakeproof

4шт.

7

K651777

WASHER

- flat, M6

4шт.

8

K622060

PLUG, DRAIN

DRAIN TAP - 1/4 BSP

1шт.

9

K19501

WASHER

WASHER - fiber, 5/8"

1шт.

10

K921836

WEDGE

PACKING - spacer

4шт.

11

K908823

TUBE,0.562" OD x 0.875" L

SPACER - mounting, lower

2шт.

12

K921837

SHIM

PLATE - clamping

2шт.

13

113-233

BOLT,Hex, 3/8" - 16 x 1-3/4", Gr 5

2шт.

14

192-21

LOCK WASHER,3/8"

WASHER, LOCK, 3/8"

2шт.

16

K604338

HOSE - vent

1шт.

17

K201718

RADIATOR HOSE,2.00" ID x 10.38", SAE J20 R4 Class D1

Inlet 2.00" ID x 10.38", SAE J20 R4 Class D1

1шт.

18

K203619

RADIATOR HOSE,1.50" ID x 9.88", SAE J20 R4 Class D1

Outlet 1.50" ID x 9.88", SAE J20 R4 Class D1

1шт.

19

K205627

HOSE

- radiator overflow

1шт.

20

214-258

HOSE CLAMP,#28, 1.31" - 2.25", Type F Worm

2" #28, 1.31/2.25 Type F Worm

4шт.

21

K622023

CLAMP

- hose, 3/4"

2шт.

22

K300647

TANK

- radiator overflow

1шт.

23

K945362

CAP

- filler, 7 PSI

1шт.

24

K602846

SCREW,5/16" - 18 x 5/8", Gr S

SETSCREW - 5/16 UNC x 5/8"

2шт.

25

K626682

WASHER

- 5/16"

2шт.

26

K304337

BRACKET

- support, overflow tank

1шт.

27

113-206

BOLT,Hex, 3/8" - 16 x 3/4", Gr 5, Full Thd

2шт.

28

192-21

LOCK WASHER,3/8"

WASHER, LOCK, 3/8"

2шт.

29

129-103

NUT,Hex, 3/8" - 16, Gr 5

NUT, 3/8"-16, G5

2шт.

30

K200819

BEARING HOUSING

- fan

1шт.

31

113-103

BOLT,Hex, 5/16" - 18 x 1", Gr 5

SETSCREW - 5/16 UNC x 1"

2шт.

32

K608156

STUD

- 5/16 UNC x 4-1/2"

2шт.

33

192-20

LOCK WASHER,Helical Spring, 0.318" ID, CST, ZND

WASHER, LOCK, 5/16"

4шт.

34

9635082

NUT,5/16" - 18, Gr 5

2шт.

35

K623793

PLUG

CORE PLUG - 1-1/2"

1шт.

36

K620203

BALL BEARING,38.1mm OD x 75.75mm L

SHAFT AND BEARING - fan

1шт.

37

K202141

PULLEY

- fan

1шт.

38

K954916

FAN

- 17"

1шт.

39

113-221

BOLT,Hex, 3/8" - 16 x 7/8", Gr 5

SETSCREW - 3/8 UNC x 7/8"

4шт.

40

192-21

LOCK WASHER,3/8"

WASHER, LOCK, 3/8"

4шт.

41

K200981

PULLEY

- belt idler (Low profile)

1шт.

41

K206621

PULLEY

- belt idler (High platform, cab model)

1шт.

42

K620203

BALL BEARING,38.1mm OD x 75.75mm L

SHAFT AND BEARING - idler pulley

1шт.

43

K200830

BRACKET

SUPPORT BRACKET - idler pulley

1шт.

44

K955095

STEP BOLT

PIVOT BOLT - 3/8 UNC

1шт.

45

K608236

STUD

- 3/8 UNC x 1-1/2"

1шт.

46

K19472

WASHER

- 3/8"

1шт.

47

192-21

LOCK WASHER,3/8"

WASHER, LOCK, 3/8"

1шт.

48

129-103

NUT,Hex, 3/8" - 16, Gr 5

NUT, 3/8"-16, G5

1шт.

49

K949311

BELT

V-BELT, Fan drive

1шт.

Выбрано товаров: 0