Запчасти Case IH 1690 (B08-1) - ENGINE STOP CONTROL, HIGH PLATFORM, CAB, LOW PROFILE (02) - COOLING & FUEL SYSTEMS

Схема запчастей Case IH 1690 - (B08-1) - ENGINE STOP CONTROL, HIGH PLATFORM, CAB, LOW PROFILE (02) - COOLING & FUEL SYSTEMS
11
20
32
3
18
17
16
6
19
8
23
18
1
5
13
10
4
21
14
17
12
9
15
13
27
16
18
31
22
10
26
11
30
7
2
24
12
25
18
FIT
1:1
100%

Артикул

Название

Примечание

Количество

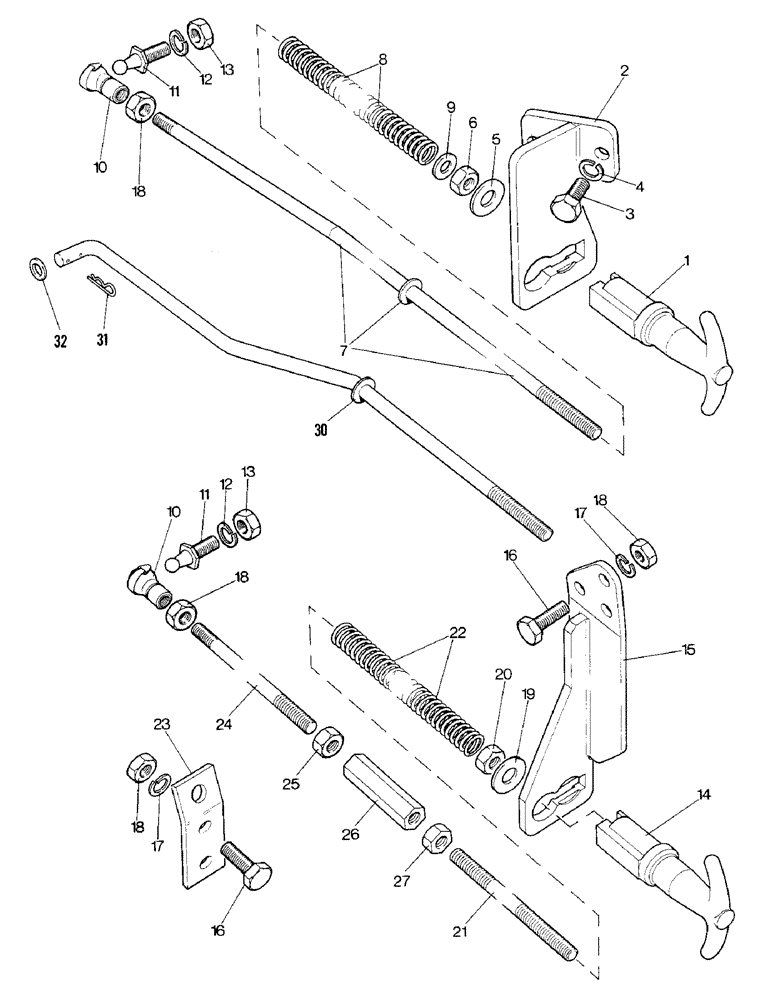
1

K202405

KNOB

- stop control (Low Profile)

1шт.

2

K202749

BRACKET

- stop control (Low Profile)

1шт.

3

K650328

BOLT

SETSCREW - M6 x 20 (Low Profile)

2шт.

4

K651847

WASHER, LOCK

WASHER - lock, 6 MM (Low Profile)

2шт.

5

K626661

WASHER

- 1/4", special (Low Profile)

1шт.

5

25-154

JAM NUT,Jam, 1/4"-28, G5

LOCKNUT - 1/4 UNF (Low Profile)

1шт.

7

K202755

ROD

- stop control, (Low Profile), Serial Range: -11211216

1шт.

8

K625260

SPRING

RETURN SPRING - control rod (Low Profile)

1шт.

9

K19470

WASHER

- 1/4" (Low Profile)

1шт.

10

K621903

BALL JOINT

SOCKET END - 1/4 UNF (Low Profile)

1шт.

11

K621904

BALL JOINT

BALL END - 1/4 UNF (Low Profile)

1шт.

12

192-19

LOCK WASHER,Helical Spring, 0.256" ID, CST, ZND

WASHER, LOCK, (Low Profile) 1/4"

1шт.

13

25-154

JAM NUT,Jam, 1/4"-28, G5

- 1/4 UNF (Low Profile)

2шт.

14

K202405

KNOB

- stop control (High Platform, Cab)

1шт.

15

K202538

BRACKET

- stop control (High Platform, Cab)

1шт.

16

K612703

SCREW

SETSCREW - 1/4 UNF x 1" (High Platform, Cab)

3шт.

17

192-19

LOCK WASHER,Helical Spring, 0.256" ID, CST, ZND

WASHER, LOCK, (High Platform, Cab) 1/4"

3шт.

18

129-121

NUT,1/4"-28, G5

(High Platform, Cab) 1/4"-28, G5

3шт.

19

K626661

WASHER

- 1/4", special (High Platform, Cab)

1шт.

20

25-154

JAM NUT,Jam, 1/4"-28, G5

LOCKNUT - 1/4 UNF (High Platform, Cab)

1шт.

21

K204022

STOP

ROD - knob to sleeve (High Platform Cab)

1шт.

22

K625260

SPRING

RETURN SPRING - pump rod (High Platform, Cab)

1шт.

23

K202406

GUIDE

- pump rod (High Platform, Cab)

1шт.

16

K612703

SCREW

SETSCREW - 1/4 UNF x 1" (High Platform, Cab)

2шт.

17

192-19

LOCK WASHER,Helical Spring, 0.256" ID, CST, ZND

WASHER, LOCK, (High Platform, Cab) 1/4"

2шт.

18

K616980

NUT

- 1/4 UNF (High Platform, Cab)

2шт.

10

K621903

BALL JOINT

SOCKET END - 1/4 UNF (High Platform, Cab)

1шт.

13

25-154

JAM NUT,Jam, 1/4"-28, G5

LOCKNUT - 1/4 UNF (High Platform, Cab)

1шт.

11

K621904

BALL JOINT

BALL END - 1/4 UNF (High Platform, Cab)

1шт.

12

192-19

LOCK WASHER,Helical Spring, 0.256" ID, CST, ZND

WASHER, LOCK, (High Platform, Cab) 1/4"

1шт.

18

129-121

NUT,1/4"-28, G5

(High Platform, Cab) 1/4"-28, G5

1шт.

24

K204036

STOP

ROD - sleeve to pump (High Platform, Cab)

1шт.

25

129-121

NUT,1/4"-28, G5

(High Platform, Cab) 1/4"-28, G5

1шт.

26

K949065

SLEEVE

ADJUSTING SLEEVE - 1/4 UNF (High Platform, Cab)

1шт.

27

K617593

NUT

- 1/4 UNF, left-hand (High Platform, Cab)

1шт.

30

K204666

STOP

ROD - stop control, (Low Profile), Serial Range: -11211226

1шт.

31

K950865

CLIP

- retaining (Low Profile)

2шт.

32

K19470

WASHER

- flat, 1/4" (Low Profile)

2шт.

Выбрано товаров: 0