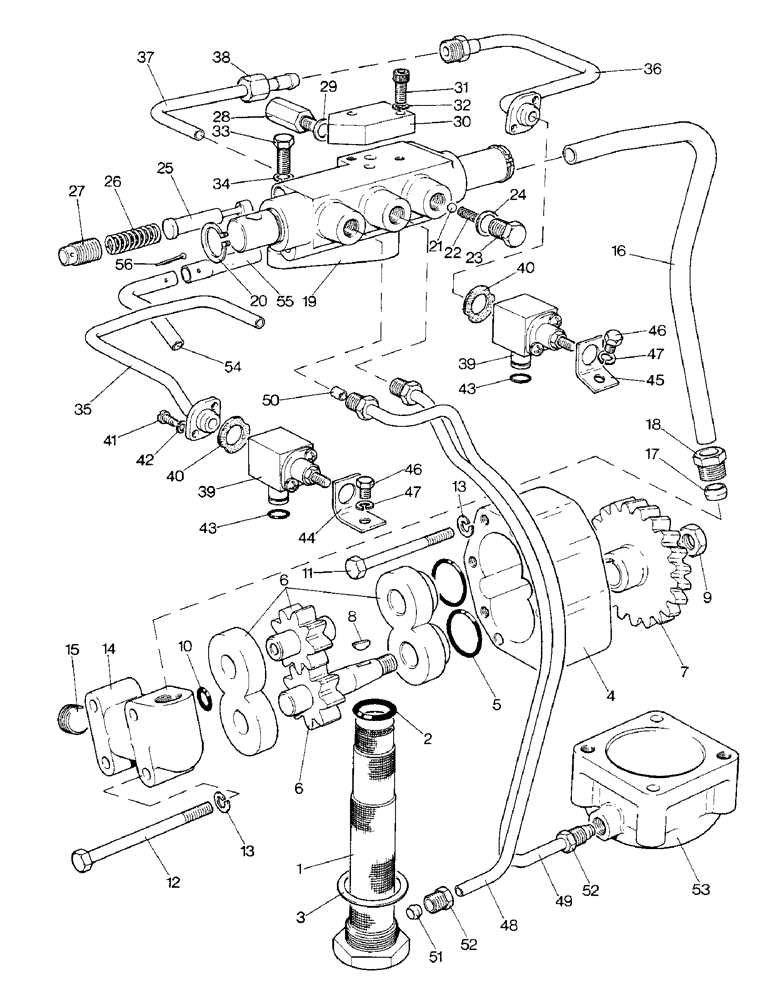
Запчасти Case IH 1690 (D07-1) - CONTROL VALVES AND PIPES, POWER SHIFT MODEL (03) - POWER TRAIN

Схема запчастей Case IH 1690 - (D07-1) - CONTROL VALVES AND PIPES, POWER SHIFT MODEL (03) - POWER TRAIN
2
47
27
35
6
13
55
11
43
56
15
48
39
3
37
8
31
41
6
16
44
36
18
23
4
51
21
7
43
40
5
12
26
30
54
25
52
24
52
53
50
22
20
19
10
17
40
28
1
29
42
49
13
34
33
38
46
9
47
46
14
32
39
45
FIT
1:1
100%

Артикул

Название

Примечание

Количество

1

K942039

FILTER

- pump inlet

1шт.

2

K24555

O-RING,0.737" ID x 0.943" OD x 0.103"

- 3/4" ID

1шт.

3

K11120

SEALING WASHER

SEALING WASHER - 1-1/4" ID

1шт.

4

K963524

PUMP

ASSEMBLY - power shift, Includes Ref. 5 snd 6

1шт.

Use K963525 Pump & (3) A7982 O-Rings

1шт.

5

K962993

SEALING RING

O-RING KIT - pump

1шт.

6

K962992

ROTOR

AND BEARING KIT - pump

1шт.

7

K928670

GEAR

- drive

1шт.

8

K19604

KEY

- Woodruff no. 405

1шт.

9

K617303

LOCK NUT

- 7/16 UNF, self-locking

1шт.

10

K623714

O-RING,0.612" ID x 0.818" OD x 0.103"

- 5/8" ID

3шт.

Use A7982 O-Ring

1шт.

11

K600218

BOLT

- 5/16 UNC x 3-1/4"

2шт.

12

K600223

BOLT

- 5/16 UNC x 4-1/2"

4шт.

13

K19481

SPRING WASHER

WASHER - lock, 5/16"

6шт.

14

K923653

CONNECTOR, ELEC

CONNECTOR - pump outlet

1шт.

15

K619539

PLUG

- 3/4 UNF

1шт.

16

K201836

PIPE,9.875, 5.437" L

- connector to valve inlet

1шт.

17

K11904

FERRULE

- 1/2"

2шт.

18

K617953

TUBE NUT

TUBING NUT - 3/4 UNF

2шт.

19

K959400

VALVE

CONTROL VALVE ASSEMBLY - power shift

1шт.

20

K34454

RING, SNAP

RING - snap, 7/8"

1шт.

21

K17063

BALL

STEEL BALL - 1/4"

1шт.

22

K625208

SPRING

- detent

1шт.

23

K619538

PLUG

- 7/16 UNF, special

1шт.

24

K626788

WASHER

ALUMINUM WASHER - 7/16"

1шт.

25

K203026

PISTON

PLUNGER - relief valve

1шт.

26

K625206

SPRING

- plunger

1шт.

27

K202400

VALVE

ADJUSTER - 3/8 BSP

1шт.

28

K623847

PLUG

- 1/8 BSP, special

1шт.

29

K16732

WASHER

COPPER WASHER - 5/8"

1шт.

30

K202125

PLATE

- restrictor

1шт.

31

K606500

SCREW

SETSCREW - 1/4 UNC x 1/2"

2шт.

Use 61-48 Capscrew

1шт.

32

K626341

SPRING WASHER

WASHER - lock, 1/4"

2шт.

33

K602983

SCREW

SETSCREW - 3/8 UNC x 7/8"

2шт.

34

K19482

SPRING WASHER

WASHER - lock, 3/8"

2шт.

35

K203204

PIPE,0.312" OD x 3.687, 5.437" L

- front sequence valve

1шт.

36

K203203

PIPE,0.312" OD x 4.833, 3.812" L

- union to rear sequence valve

1шт.

37

K202168

CONNECTOR, ELEC,0.312" OD x 1.75, 2.625" L

PIPE - control valve to union

1шт.

38

K19644

FITTING

UNION NUT - 1/4 BSP

1шт.

39

K963539

VALVE

SEQUENCE VALVE ASSEMBLY - cylinder

1шт.

40

K626460

SEALING WASHER

WASHER - sealing

2шт.

41

K615403

SCREW

- no. 10 UNF x 3/8"

8шт.

42

K626340

RING

WASHER - lock, 3/16"

8шт.

43

K24554

O-RING

- 3/8" ID

2шт.

44

K940535

PLATE

RETAINING PLATE - front valve

1шт.

45

K940534

PLATE

RETAINING PLATE - rear valve

1шт.

46

K602700

SCREW,1/4" - 20 x 3/8"

SETSCREW - 1/4 UNC x 3/8"

2шт.

47

K626341

SPRING WASHER

WASHER - lock, 1/4"

2шт.

48

K202166

PIPE

- front brake band cylinder

1шт.

49

K202167

PIPE

- rear brake band cylinder

1шт.

50

K943460

PLUG

RESTRICTOR PLUG - brake pipes

2шт.

51

K622401

RING

FERRULE - 5/16"

6шт.

52

K617951

TUBE NUT

TUBING NUT - 1/2 UNF

6шт.

53

K965766

BRAKE

CYLINDER AND PISTON - brake bands

2шт.

54

K202165

PIPE

- front unit lubrication

1шт.

55

K942700

PIPE,0.375" OD x 2.25" L

CONNECTOR - valve to pipe

1шт.

56

K19523

PIN

- cotter, 1/16 x 3/4"

1шт.

Выбрано товаров: 0