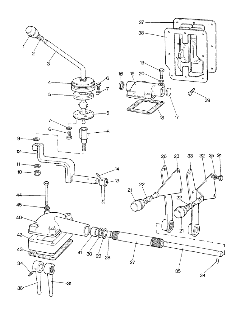
Запчасти Case IH 1690 (D12-1) - GEAR SHIFT LEVERS, SYNCHROMESH, HIGH PLATFORM, PRIOR TO PIN 11211671 CAB MODEL PRIOR TO PIN 11211267 (03) - POWER TRAIN

Схема запчастей Case IH 1690 - (D12-1) - GEAR SHIFT LEVERS, SYNCHROMESH, HIGH PLATFORM, PRIOR TO PIN 11211671 CAB MODEL PRIOR TO PIN 11211267 (03) - POWER TRAIN
34
13
25
22
15
27
34
22
6
23
39
4
20
6
26
40
42
18
45
31
12
2
7
21
19
5
28
32
37
43
9
17
29
35
8
1
10
30
33
44
21
36
41
3
24
11
5
7
38
14
16
FIT
1:1
100%

Артикул

Название

Примечание

Количество

1

K203120

BUTTON

KNOB - gear lever

1шт.

2

K628474

RING

RETAINER - knob

1шт.

3

K206353

LEVER

GEAR LEVER - 1-2-3 and reverse

1шт.

4

K301317

COVER

- lever

1шт.

5

K202615

BALL

HOUSING - ball

2шт.

6

113-4

BOLT,Hex, 1/4" - 20 x 1", Gr 5

SETSCREW - 1/4 UNC x 1"

2шт.

7

192-19

LOCK WASHER,Helical Spring, 0.256" ID, CST, ZND

WASHER, LOCK, 1/4"

2шт.

8

K205574

ADAPTER

- gear lever

1шт.

9

K626910

WASHER

SHIM - adaptor

1шт.

10

231-2448

LOCK NUT,1/2"-20, GB

NUT - 1/2 UNF, self-locking

1шт.

11

K626686

WASHER

- 1/2"

1шт.

12

K203440

SELECTOR

SHAFT AND ARM - lever

1шт.

13

K202078

SELECTOR

LEVER - selector

1шт.

14

K623778

PIN, GROOVED

PIN - 5/16 x 1-1/2"

1шт.

15

K950243

HOUSING

- shaft and arm

1шт.

16

K628875

O-RING

- 7/8" ID

1шт.

17

41-16

PLUG,Exp, 1"

CORE PLUG - 1" diameter

1шт.

18

K950543

GASKET,0.2mm Thk

- housing

1шт.

19

K600365

BOLT

- 5/16 UNC x 1-1/2"

4шт.

20

192-20

LOCK WASHER,Helical Spring, 0.318" ID, CST, ZND

WASHER, LOCK, 5/16"

4шт.

21

K200239

BUTTON

KNOB - range levers

2шт.

22

K628474

RING

RETAINER - knob

2шт.

23

K202454

BRACKET

LEVER - hand

1шт.

24

113-101

BOLT,Hex, 5/16" - 18 x 1-1/2", Gr 5

4шт.

25

192-20

LOCK WASHER,Helical Spring, 0.318" ID, CST, ZND

WASHER, LOCK, 5/16"

4шт.

26

K202452

LEVER

- lower, high-low

1шт.

27

K950001

SELECTOR

TUBE - selector

1шт.

28

K621303

BUSHING

- tube

2шт.

29

K950002

BUSHING

WASHER - 1"

1шт.

30

K11128

CIRCLIP

RING - snap, 1", external

1шт.

31

K950371

SELECTOR

LEVER - selector

1шт.

32

K203117

LEVER

- hand

1шт.

33

K202453

LEVER

- lower

1шт.

34

135-764

GROOVED PIN,1/4" x 1 1/2", Type E

Pin, Grooved, 1/4" x 1 1/2", Type E

2шт.

35

K950003

SELECTOR

SHAFT - selector

1шт.

36

K950370

SELECTOR

LEVER - selector

1шт.

37

K301331

CAP

COVER - lever

1шт.

38

K301349

PLATE

- retaining

1шт.

39

K652829

SCREW

- no. 10 x 16 MM

8шт.

40

K950000

HOUSING

- selector tube

1шт.

41

K628750

BUSHING

- tube

1шт.

42

K950754

BUSHING

SPACER - bushing

1шт.

43

K950543

GASKET,0.2mm Thk

- housing

2шт.

44

113-177

BOLT,Hex, 5/16" - 18 x 3", Gr 5

4шт.

45

192-20

LOCK WASHER,Helical Spring, 0.318" ID, CST, ZND

WASHER, LOCK, 5/16"

4шт.

Выбрано товаров: 0